38 troy bilt bronco belt diagram
Diagram Besides Troy Bilt Super Bronco Deck Belt Diagram ... Troy Bilt 13Wv78Ks011 Bronco (2015) Parts Diagram For Wiring Schematic - Troy Bilt Bronco Wiring Diagram Wiring Diagram will come with numerous easy to follow Wiring Diagram Directions. It's supposed to assist each of the common person in building a correct system. These directions will probably be easy to grasp and apply. PDF Troy Bilt Bronco Manual Drive Belt Diagram Troy Bilt Bronco Displaying Wiring Schematic parts for the Troy-Bilt TB42 (13WV78KS) - Troy- Bilt Bronco Lawn Tractor (). Browse all parts by section for this model. The Bronco lawn tractor made by Troy-Bilt has a fuse installed inside the wiring harness. The amp fuse prevents excessive amperage from damaging its.
Drive Belt Diagram Troy Bilt Bronco - schematron.org Troy Bilt 13AV60KG Bronco () Exploded View parts lookup by model. Complete Found on Diagram: Drive System Upper Drive Belt. Request the drive belt diagram directly from Troy-Bilt. Lawn Tractor? Use our part lists, interactive diagrams, accessories and expert repair advice to make your repairs easy.
 
    Troy bilt bronco belt diagram
Troy Bilt Super Bronco Tiller belt diagram I have a troy built super bronco Model 13AX60KH011. Need the diagram for replecing the drive belt. … read more. I HAVE TROY BILT ROTO TILLER WITH A TECUMSEH 6.0 HP SN: H60 75482U (B) 4054D, THAT IS WHAT IS ON THE PLATE OF THE ENGINE PART, THE ROTARY PART HAS NUMBER LIKE TH1002, TH1019, 1238 (73), AND 1239 (73). Troy Bilt 13WX78KS011 Bronco (2011) Parts Diagrams Troy Bilt 13WX78KS011 Bronco (2011) Parts Diagrams Please leave us a message! JACKS SMALL ENGINES HAS JOINED THE NORTHERN TOOL FAMILY! Learn More » Order Status Get Support 1-877-737-2787 Hours of Operation M-F 9AM-6PM ET Sat 9AM-5PM ET Contact Us » Name Guest Sign In Sign Up 0 Shopping Cart 3+ Million Parts 365 Day Returns Fast 2-4 Day Shipping PDF Drive Belt Diagram Troy Bilt Lawn Mower Troy Bilt Bronco Belt Diagram WordPress Com. I Need A Diagram To Change The Drive Belts On My Troy Bilt. Lawn Hydrostatic Mower Drive Belt Troy Bilt Horse. How To Install Mower Drive Belts On A Troy Bilt Mower Hunker. TROY BILT TB2450 OPERATOR S MANUAL Pdf Download. Troy Bilt 13Aj609G766 Parts
Troy bilt bronco belt diagram. 13AL78BS023 - Troy-Bilt Bronco 42" Lawn Tractor, Auto ... 13AL78BS023 - Troy-Bilt Bronco 42" Lawn Tractor, Auto (2019)Parts & DiagramsParts Lists & Diagrams. 13AL78BS023 - Troy-Bilt Bronco 42" Lawn Tractor, Auto (2019) schematron.org › troy-bilt-bronco-riding-mowerTroy Bilt Bronco Riding Mower Belt Diagram - schematron.org Sep 13, 2018 · Troy Bilt 13WX78KS Bronco Drive & Transmission Parts Diagram . PLUG DECK HOLE 7/8 $ 36 A Upper Drive Belt. Troy Bilt 13WX78KS Bronco Mower Deck Inch Exploded View parts lookup by model. Complete exploded views of all the major manufacturers. This is how you remove and change the deck belt on your Troy-Bilt riding lawn mower. How To Change Drive Belt On Troy Bilt Bronco Riding Mower ... Remove Upper (Rear) Drive Belt Using a rope or a large set of bent nose pliers, carefully unhook the lateral spring from the frame. It is attached to the bottom of the upper drive belt. The idler pulley should be loosened so that it can be lifted enough for the belt to clear the keepers. Again, you can use your ½" wrench for this. Troy Bilt Bronco Belt Diagram - wiringall.com Instructions. Step 1: Turn the mower off and make sure . Place the new belt over the sheaves (pulleys and tensioners) according to your mower's routing diagram. Begin with the placing the belt over the engine pulley. Slowly work the belt to the rear of the mower. Pull the slack (loose part of the belt) to rear of the mower.
Troy Bilt 13AV60KG011 Bronco (2009) Parts Diagrams Troy Bilt 13AV60KG011 Bronco (2009) Parts Diagrams Please leave us a message! JACKS SMALL ENGINES HAS JOINED THE NORTHERN TOOL FAMILY! Learn More » Order Status Get Support 1-877-737-2787 Hours of Operation M-F 9AM-6PM ET Sat 9AM-5PM ET Contact Us » Name Guest Sign In Sign Up 0 Shopping Cart 3+ Million Parts 365 Day Returns Fast 2-4 Day Shipping CVT Automatic Transmissions – Simple To Use, Ideal For All ... 07.02.2014 · They are the same transmission that in the Troy-Bilt Pony, Bronco and Horse. ... The belt clearly shows that something in the drive train is binding and that is causing the belt to burn up. Since they installed the belt the second time they can’t blame you for the belt. Why John Deere is not taking care of this immediately is beyond me. John Deere – can you help? … › en › service-and-partsReplacement Parts & Service | Troy-Bilt CA Lookup Parts By Diagram. Use our parts diagram tool below to find the parts you need for your machine. Select the model and year, then browse the parts diagrams to find the right part. Add to cart when you're ready to purchase and we'll ship it to you as soon as possible! Bronco, Bronco 42" Troy-Bilt Riding Lawn Mower ... Find parts for your Bronco, Bronco 42" Troy-Bilt Riding Lawn Mower. Parts diagrams and manuals available. Free shipping on parts orders over $45.
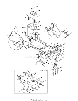
Troy Bilt 13wv78ks011 Drive Belt Diagram - Diagram World Request the drive belt diagram directly from Troy-BiltTroy Bilt 13WX78KS Bronco Drive Transmission Exploded View parts lookup by model. There are 349 parts used by this model. If These Items Cannot Be Obtained Locally Order by Part. Belt v Typ 5l X Lg Poly. In Stock 3 available. In Stock 3 available. In Stock 25 available. Troy Bilt Bronco Drive Belt Replacement - Find The ... Troy Bilt Bronco Drive Belt Diagram ~ thank you for visiting our site, this is images about troy bilt bronco drive belt diagram posted by Brenda Botha in Troy category on Nov 16, You can also find other images like wiring diagram, parts diagram, replacement parts, electrical diagram, repair manuals, engine diagram, engine scheme, wiring harness ... Troy Bilt 13wx78ks011 Belt Diagram 1. /P. Troy Bilt 13WX78KS Bronco () Drive & Transmission Parts Diagram . KEEPER ASM BELT No Longer Available. USE We have parts, diagrams, accessories and repair advice to make your tool Troy -Bilt 13WX78KS (Bronco) () Lawn Tractor Parts .. 5.7 Hemi Firing Order Diagram - Wiring Diagrams Troy Bilt Bronco Riding Mower Belt Diagram; Fission And Fusion Venn Diagram; Pioneer Fh X720bt Wiring Harness Diagram; 2002 Dodge Caravan 3.3 Serpentine Belt Diagram; Kenwood Kdc 210u Wiring Diagram; 3l1t-18c868-aa Audio Unite Wiring Diagram; Recent Comments. Rodney L. on 5.7 hemi firing order diagram; DOWNLOAD 5.7 Hemi Firing Order Diagram . …
Troy bilt bronco drive belt diagram Troy Bilt 13WX78KS Bronco Drive Transmission Parts Diagram. Troy Bilt Super Bronco replacing upper drive belt 954-0468 and lower drive belt 954-0467954-0468. Each part ought to be set and linked to other parts in particular manner. This is the lower ground drive belt just below the 41 12 belt on transmission.
Troy Bilt 42 Inch Deck Belt Diagram - Diagrams : Resume ... Troy Bilt Lawn Tractor Belt Diagram. Troy Bilt Pony Mower Belt Diagram. Mtd Gold 42 Inch Deck Belt Diagram. Troy Bilt Bronco Lawn Mower Belt Diagram. Troy Bilt Lawn Mower Drive Belt Diagram.
Troy Bilt Pony 42 Deck Belt Diagram - Diagram Finder Installing the new belt Thread the new belt through the frame and back around each pulley. To make it easier, slide the center part of the pulley upwards. Slide the pulley spindle back into its original position with the belt already secured by the upper keepers. Take the bolt that was removed previously to secure it in place.
 
    
    PTO Belt Compatible with 954-0497 754-0497 Troy Bilt 42 Inch Deck 13AY609G766 Bronco 13AT609G766 Super Bronco Lawn Tractor, Cub Cadet 1170 1180 LT1018 ...
Troy Bilt Bronco Riding Mower Belt Diagram Troy Bilt 13WX78KS Bronco () Drive & Transmission Parts Diagram . PLUG DECK HOLE 7/8 $ 36 A Upper Drive Belt. Troy Bilt 13WX78KS Bronco () Mower Deck Inch Exploded View parts lookup by model. Complete exploded views of all the major manufacturers.13WX78KS drive belts diagram.
Drive Belt Diagram Troy Bilt Bronco Request the drive belt diagram directly from Troy-Bilt.Troy Bilt 13WX78KS Bronco () Drive & Transmission Exploded View parts lookup by model. Complete exploded views of all the major manufacturers. It is EASY and FREE. This is how you remove and change the deck belt on your Troy-Bilt riding lawn mower.
Troy-Bilt Tillers Bronco Parts with Diagrams - PartsTree Troy-Bilt Tillers: Bronco Parts Lookup & Diagrams Troy-Bilt Tillers: Bronco ( 53 Models ) 12180 - Troy-Bilt Bronco Rear-Tine Tiller (SN: 121801100101 - 121801299999)
Need a drive belt diagram for troy Bilt 188392 the 90 1/2 ... Need a drive belt diagram for troy Bilt 188392 the 90 1/2" belt broke and I have a new one but I need a diagram to manipulate the belt around pulleys. This is the lower ground drive belt just below the 41 1/2 " belt on transmission ... I need to know the number of inches the upper belt is for a troy-bilt 2008 super bronco ...
Troy Bilt Lawn Tractor Belt Diagram - Diagrams : Resume ... Troy Bilt Super Bronco Mower Belt Diagram. Troy Bilt Bronco Riding Mower Deck Belt Diagram. Troy Bilt 46 Mower Deck Diagram. Craftsman Lawn Tractor Parts Diagram. About The Author Jonathan Sims. Recent Posts. Teaching Assistant Cover Letter Example; Teaching Assistant Cover Letter Example Uk;
Troy-Bilt Riding Lawn Mower - Model 13AX60KH011 | Troy-Bilt US Find parts for your Super Bronco Troy-Bilt Riding Lawn Mower . Parts diagrams and manuals available. Free shipping on parts orders over $45.
Troy Bilt Bronco Drive spring location? - Tractor Forum I have a 2010 Troy Bilt Bronco (42" cut, 20hp kholer engine). The guy I bought it off of had some springs fall of the bottom of the tractor that connect to the pedals and brakes and what not. I believe he lost one of the springs, or put them back in the wrong locations. I have researched parts diagrams, but they don't really show which spring ...
Use your tractors lever to move the mower deck to its ... Troy bilt bronco 42 inch deck belt diagram Troy bilt super bronco 50 13aqa2kq011 2016 exploded view parts lookup by model. Remove the Blade 5. 7 out of 5 stars 511 in Lawn Mower Air Filters Amazon. With tesion relieved , carefully 13AN77KS011 - Troy-Bilt Pony Lawn Tractor (2010) Mower Deck 42-Inch Parts Diagram. ...
Troy-Bilt Original Equipment 42 in. Deck Drive Belt for ... When you choose Troy-Bilt Genuine Parts, you can be confident knowing you're choosing the best parts for your equipment. Original equipment part for deck drive belts starting with 954-04060 and 754-04060 Belt fits Troy-Bilt, Bolens, Huskee, MTD, Yard Machines, Yard-Man and most lawn tractors with 42 in. cutting decks
PDF Drive Belt Diagram Troy Bilt Lawn Mower Troy Bilt Bronco Belt Diagram WordPress Com. I Need A Diagram To Change The Drive Belts On My Troy Bilt. Lawn Hydrostatic Mower Drive Belt Troy Bilt Horse. How To Install Mower Drive Belts On A Troy Bilt Mower Hunker. TROY BILT TB2450 OPERATOR S MANUAL Pdf Download. Troy Bilt 13Aj609G766 Parts
Troy Bilt 13WX78KS011 Bronco (2011) Parts Diagrams Troy Bilt 13WX78KS011 Bronco (2011) Parts Diagrams Please leave us a message! JACKS SMALL ENGINES HAS JOINED THE NORTHERN TOOL FAMILY! Learn More » Order Status Get Support 1-877-737-2787 Hours of Operation M-F 9AM-6PM ET Sat 9AM-5PM ET Contact Us » Name Guest Sign In Sign Up 0 Shopping Cart 3+ Million Parts 365 Day Returns Fast 2-4 Day Shipping
Troy Bilt Super Bronco Tiller belt diagram I have a troy built super bronco Model 13AX60KH011. Need the diagram for replecing the drive belt. … read more. I HAVE TROY BILT ROTO TILLER WITH A TECUMSEH 6.0 HP SN: H60 75482U (B) 4054D, THAT IS WHAT IS ON THE PLATE OF THE ENGINE PART, THE ROTARY PART HAS NUMBER LIKE TH1002, TH1019, 1238 (73), AND 1239 (73).
_WW_1.gif) 
     
     
     
     
     
     
     
     
     
     
     
     
     
     
     
     
     
     
     
     
     
     
     
     
     
     
     
     
     
    
0 Response to "38 troy bilt bronco belt diagram"
Post a Comment