34 kenmore side by side refrigerator parts diagram
Quality Kenmore Refrigerator Dispenser Parts From Repair Clinic. Back in the day, people poured water into plastic ice cube trays and that's how ice cubes were made. Maybe you're doing that now because your Kenmore ice maker is broken. Perhaps you've also stopped using your Kenmore refrigerator water dispenser because that's broken too. Description: How To Fix Warm Side-By-Side Kenmore Elite Refrigerator in Kenmore Elite Refrigerator Parts Diagram, image size 535 X 601 px, and to view image details please click the image.. Honestly, we also have been realized that kenmore elite refrigerator parts diagram is being one of the most popular topic right now. So we tried to find some good kenmore elite refrigerator parts diagram ...
Model With Temperature Dial Settings Step 1 Open the refrigerator-side door. Step 2 Locate the two thermostat dials. There is one for the refrigerator and one for the freezer. In Frigidaire side-by-side models having thermostat dials, they are typically located on the refrigerator side of the appliance along the top edge of the refrigerator.

Kenmore side by side refrigerator parts diagram
kenmore side by side refrigerator model 106.56532400 Hi Could a tech please advise where I could ... WIRING SCHEMATIC Diagram and Parts List for KENMORE . Kenmore 10658722800 side-by-side refrigerator parts - manufacturer-approved parts for a proper fit every time! We also have installation guides, diagrams ... Kenmore Side By Side Refrigerator Model # 52554100 . Report This by Manage My Life. ... Definitely having to find the proper diagram for parts can be a challenge to help in determining if you have the right part I would suggest visiting Sears parts direct.com where you can view a diagram of all parts for your Refrigerator. I have attached a ...
Kenmore side by side refrigerator parts diagram. Search results for 'kenmore cold spot refrigerator side by manual model 106&greater than 26 cu. ft' Wall Oven Finder Wall Oven Fit Finder designed to fit Kenmore® is designed to fit existing cutout spaces. Kenmore Refrigerator Parts · Light Bulb - 40W · Ice Maker · Touch-Up Paint - White · Replacement Ice Maker · Refrigerator Crisper Drawer with Humidity Control · Lower ... Kenmore Coldspot Refrigerator Wiring Diagram - This Kenmore Elite Refrigerator Wiring Diagram if you desire to secure the great photos regarding Kenmore Elite Refrigerator Wiring Diagram, click on save link to save these pics in your computer. These are prepared for transfer, if you want and wish to get it, click save symbol in the web page. CASE PARTS Diagram & Parts List for Model 79579293902 Kenmore-Parts Refrigerator-Parts | ... Kenmore 79551833412 side-by-side refrigerator parts.
A Kenmore side-by-side refrigerator uses adjustable shelving and door bins to maximize organization. These extras help to keep your food visible and within reach. A large side freezer includes a water and ice dispenser, and enough room for all your frozen foods. Results 1 - 24 of 321 ... Kenmore Elite 9918 Refrigerator Air Filter, 2 pack ... 2 pack 240323001 Refrigerator Door Bin, Refrigerator Side Shelf Replacement Part ... That picture (Kenmore Elite Refrigerator Parts Model 10655606400 Sears with regard to Kenmore Side By Side Refrigerator Parts Diagram) earlier mentioned can be labelled along with: kenmore elite side by side refrigerator parts manual, kenmore side by side refrigerator parts diagram, . published simply by admin on October, 19 2017. Refrigerator replacement icemaker. Does not include front cover or shut-off arm, use these parts from old icemaker. Makes 8 radius ice cubes. If the mold where cubes are made is flaking or corroded it is time for a new ice maker assembly.
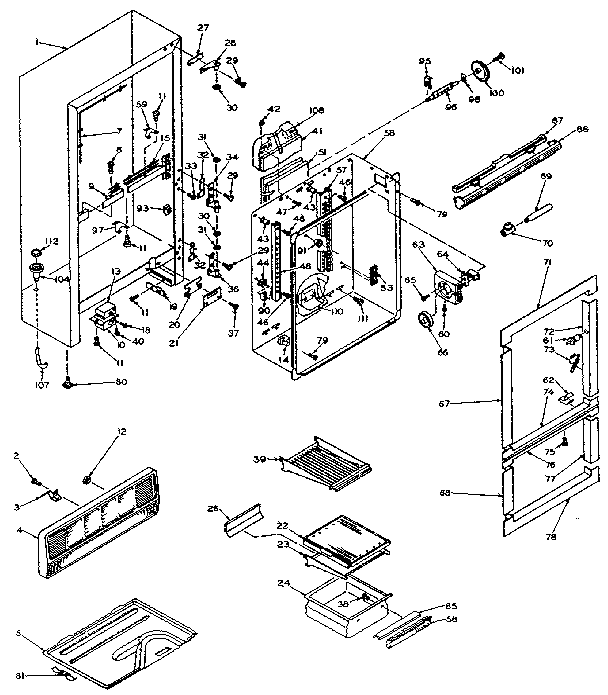
Genuine OEM Replacement Parts. We quick ship Replacement Parts from Orange County, CA; Chicago, IL; Houston, TX; & Boston Massachusets, and many other ... Description: Kenmore Refrigerator Parts | Model 10651103110 | Sears Partsdirect within Kenmore Side By Side Refrigerator Parts Diagram, image size 1000 X 1294 px, and to view image details please click the image.. Here is a picture gallery about kenmore side by side refrigerator parts diagram complete with the description of the image, please find the image you need. Kenmore Elite 10651773510 Side By Refrigerator Partswarehouse. Appliance Talk Kenmore Series Electric Dryer Wiring Diagram Schematic. Sample Dryer Wiring Diagrams Appliance Aid. Kenmore 25370413411 Bottom Mount Refrigerator Parts Sears Partsdirect. 106 55529400 kenmore coldspot not working applianceblog repair forums 795 77253601 refrigerator ... Kenmore Refrigerator 106.51103111 (10651103111, 106 51103111) Repair Parts. The best way to find parts for Kenmore / Sears refrigerator model 106.51103111 (10651103111, 106 51103111) is by clicking one of the diagrams below. You can also browse the most common parts for Kenmore / Sears refrigerator model 106.51103111.
Sample Dryer Wiring Diagrams Appliance Aid. Kenmore 79046803992 Elite Electric Slide In Range Timer Stove Clocks And Appliance Timers. Side By Refridgerator Help Homebrew Talk Beer Wine Mead Cider Brewing Discussion Forum. Appliance Talk Wiring Diagram For A Kenmore Dryer Full Schematic. Refrigerator Door Bin Spring For 2318853 2313390 ...
Joined Dec 13, 2008. ·. 955 Posts. #5 · Nov 5, 2010. A number of the Kenmore side by sides are Frigidaire models in disguise. You can Google the model number and hopefully see an inside parts diagram. My water dispenser has a slide out tray with screws behind. My door magnet pulls back to reveal screws as well.
The Kenmore 21 cu. ft. side-by-side fridge has plenty of room for snacks, fresh foods, leftovers and meal-time staples. Whether you thrive on fresh fruits and veggies or live off of a week's worth of leftovers and frozen pizzas, this fridge has the flexible storage options and freshness technology to keep foods chilled and tasty.
DOWNLOAD. Wiring Diagram Images Detail: Name: kenmore side by side refrigerator wiring diagram - Kenmore Refrigerator Wiring Diagram For Amazing And Ice Maker. File Type: JPG. Source: teenwolfonline.org. Size: 389.66 KB. Dimension: 1696 x 2200. DOWNLOAD. Wiring Diagram Sheets Detail:
I have a Kenmore Elite Refrigerator model #79572373310 and try to replace the ice maker door parts 275A on the diagram but all the info I find are for the older model with the edge around the dispenser, the newer model that I have does not have it, How ca I get to this part is my question. Thank you
This replacement part is sold individually. This part will fit both the left and right side of your refrigerator door. To make the repair, remove the top hinge ...
Kenmore 50045 25 Cu Ft Side By Side Fingerprint Resistant Refrigerator With Ice Water Dispenser Stainless Steel
Kenmore Refrigerator 106.41153211 (10641153211, 106 41153211) Repair Parts. The best way to find parts for Kenmore / Sears refrigerator model 106.41153211 (10641153211, 106 41153211) is by clicking one of the diagrams below. You can also browse the most common parts for Kenmore / Sears refrigerator model 106.41153211.
Make: Kenmore. Category: Home Appliances - Refrigerator. Refrigerator Type: Side-by-Side Refrigerator. Product Type: Parts & Accessories.
Kenmore side-by-side refrigerators enjoy a reputation for dependability. Kenmore side-by-side refrigerators are also top performers in the refrigerator industry. Although Kenmore side-by-side refrigerators rarely break down, you may find that you need replacement parts from time to time.
Kenmore 9690 200 gal. Water Filter. Kenmore Elite 9918 Elite Replacement CleanFlow Refrigerator Air Filter. Kenmore 9999 Replacement Water Filter. Kenmore Elite 9490 /ADQ73613402 200 gal. Water Filter. Kenmore 09890 Refrigerator Water Filter 500-Gallon Capacity. Kenmore 08560 White Icemaker Kit. Kenmore 9916 Replacement Water Filter for Counter ...
Kenmore 25352649301 side-by-side refrigerator parts - manufacturer-approved parts for a proper fit every time! We also have installation guides, diagrams and manuals to help you along the way!
2 pack 240323001 Refrigerator Door Bin, Refrigerator Side Shelf Replacement Part, (15.95in long), Fit for frigidaire kenmore, Replace AP2115741, PS429724, AH429724, 240323007, (DON'T fit freezer door) ... kenmore elite refrigerator parts kenmore refrigerator drawer replacement ...
Pin By Anthony Silva On Look At Later Refrigerator Repair Kenmore Elite Refrigerator Kenmore Refrigerator
Kenmore Side by Side Refrigerator Wiring Diagram Collection. Variety of kenmore side by side refrigerator wiring diagram. A wiring diagram is a streamlined standard pictorial representation of an electrical circuit. It shows the elements of the circuit as simplified shapes, as well as the power and signal links in between the tools.
Use the Kenmore refrigerator parts diagram on our Sears PartsDirect website to easily find the Kenmore fridge replacement parts you need to fix any refrigeration failure. Get the Kenmore refrigerator door parts and Kenmore refrigerator replacement shelves to make those fixes that you've been putting off.
The best way to find parts for Kenmore / Sears refrigerator model 106.41163310 (10641163310, 106 41163310) is by clicking one of the diagrams below. You can also browse the most common parts for Kenmore / Sears refrigerator model 106.41163310. ... Appliance: Model WHIRLPOOL SIDE BY SIDE My Repair & Advice.
Kenmore Refrigerator 106.51134210 (10651134210, 106 51134210) Repair Parts. The best way to find parts for Kenmore / Sears refrigerator model 106.51134210 (10651134210, 106 51134210) is by clicking one of the diagrams below. You can also browse the most common parts for Kenmore / Sears refrigerator model 106.51134210.
The best way to find parts for Kenmore / Sears refrigerator model 106.51793410 (10651793410, 106 51793410) is by clicking one of the diagrams below. You can also browse the most common parts for Kenmore / Sears refrigerator model 106.51793410. ... Appliance: Model WHIRLPOOL SIDE BY SIDE My Repair & Advice.
If our list of models doesn't contain your Kenmore Refrigerator model number, call our Customer Service team at 1-800-269-2609 or start a Live Chat for help. Lastly, make sure to check our Repair Help section which gives free troubleshooting advice and step-by-step video instructions for replacing a variety of Kenmore Refrigerator parts.
Kenmore 10659422801 side-by-side refrigerator parts - manufacturer-approved parts for a proper fit every time! We also have installation guides, diagrams and manuals to help you along the way!
Control Parts Diagram Parts List For Model 10658432700 Kenmore Parts Refrigerator Parts Searspartsdirect Kenmore Refrigerator Kenmore Refrigerator
Kenmore Side By Side Refrigerator Model # 52554100 . Report This by Manage My Life. ... Definitely having to find the proper diagram for parts can be a challenge to help in determining if you have the right part I would suggest visiting Sears parts direct.com where you can view a diagram of all parts for your Refrigerator. I have attached a ...
Kenmore 10658722800 side-by-side refrigerator parts - manufacturer-approved parts for a proper fit every time! We also have installation guides, diagrams ...
Kenmore 79551833412 Side By Side Refrigerator Parts Sears Partsdirect Bottom Freezer Refrigerator Hotpoint Refrigerator Refrigerator Lg
kenmore side by side refrigerator model 106.56532400 Hi Could a tech please advise where I could ... WIRING SCHEMATIC Diagram and Parts List for KENMORE .
0 Response to "34 kenmore side by side refrigerator parts diagram"
Post a Comment