36 2002 camry wiring diagram pdf
02 Toyota Camry Repair Manual (RM881U). Free Download and View Online PDF. Wiring Diagram PDF book collection, epup, manual, PDF wiring diagram. Sabtu, 24 Maret 2018. 2002 Toyota Camry Fuse Box Diagram Toyota Camry 2002 2003 Fuse Box Diagram Auto Genius ... 99 Camry Fuse Box Books Of Wiring Diagram 2002 Camry Fuse Box Tach 2000 Camry Dash Warning Lights 2018
UNDERSTANDING TOYOTA WIRING DIAGRAMS WORKSHEET #1 1. Describe the meaning of the "C13" in the diagram component Q. 2. Describe the meaning of the "G-W" in diagram component R. 3. Describe the meaning of the "2" in diagram component S. 4. Describe the meaning of the "S/D" in diagram component T. 5. Describe and identify the diagram component U. 6.

2002 camry wiring diagram pdf
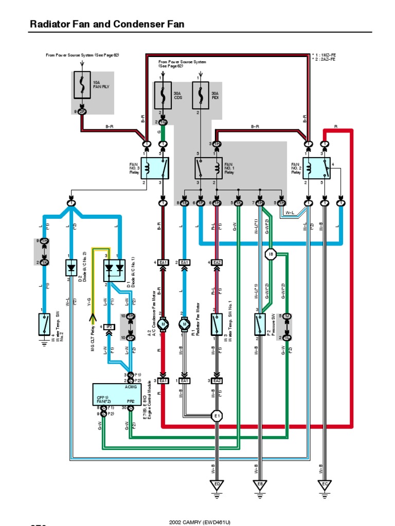
Wiring related to each system is indicated in each system circuit by arrows (from_, to_). When overall connections are required, see the Overall Electrical Wiring Diagram at the end of this manual. The system shown here is an EXAMPLE ONLY. It is different to the actual circuit shown in the SYSTEM CIRCUITS SECTION. Indicates a Relay Block. View and Download Toyota 2002 Camry service manual online. 2002 Camry automobile pdf manual download. 2002 ENGINE PERFORMANCE Vacuum Diagrams INTRODUCTION This article contains underhood views or schematics of vacuum hose routing. Use these vacuum diagrams ... Fig. 9: Vacuum Diagram (Camry Solara 3.0L V6 - 2 Of 3) Courtesy of TOYOTA MOTOR SALES, U.S.A., INC. 2002 Toyota MR2 2002 ENGINE PERFORMANCE Vacuum Diagrams
2002 camry wiring diagram pdf. Our most popular manual is the Toyota Camry 2002-2006 Service Repair Manual PDF . ... 2007 CAMRY Hybrid Vehicle ELECTRICAL WIRING DIAGRAM PDF. Toyota - Camry - Wiring Diagram - 2003 - 2003 Updated: November 2021. Show full PDF. ... Toyota Camry 2002-2006 Service Repair Manual PDF. Toyota Camry 2007 Service and Repair Manual (RM0250U) PDF. Toyota Camry 1999 Service Repair Manual (RM654U) PDF. Toyota - Camry - Workshop Manual - 2009 - 2009. See All. Toyota Camry 2002-2006 Service Repair ... Toyota Camry 2002 Wiring Diagrams. This wiring diagram manual has been prepared to provide information on the electrical system of the 2002 CAMRY. Applicable models: MCV30 Series, ACV30 Series. For service specifications and repair procedures of the above models other than those listed in this manual, refer to the following manuals. This manual explains the 1st process of ”Diagnosis” (placed in the ”Diagnostics” section), the 2nd process of ”Removing and Installing, Replacing, Disassembling, Installing and Checking, Adjusting”, but the 3rd process of ”Final Inspection” is omitted. The following essential operations are not written in this manual.
99 Camry Fuse Box Books Of Wiring Diagram. Replace A Fuse 2002 2006 Toyota Camry 2005 Toyota Camry 2 4l 4 Cyl. 2002 Toyota Camry Engine Diagram Wiring Schematic Diagram. Camry Fuse Box Diagram Data Pre. Toyota Corolla Fuse Boxes Locations Years 2002 To 2015 And Fuse. Toyota Camry Fuse Box Wiring Library. 2002 Camry Wiring Diagram Pdf– wiring diagram is a simplified okay pictorial representation of an electrical circuit.It shows the components of the circuit as simplified shapes, and the talent and signal contacts together with the devices. Listed below is the vehicle specific wiring diagram for your car alarm, remote starter or keyless entry installation into your 2002-2004 Toyota Camry.This information outlines the wires location, color and polarity to help you identify the proper connection spots in the vehicle. 2002 ENGINE PERFORMANCE Vacuum Diagrams INTRODUCTION This article contains underhood views or schematics of vacuum hose routing. Use these vacuum diagrams ... Fig. 9: Vacuum Diagram (Camry Solara 3.0L V6 - 2 Of 3) Courtesy of TOYOTA MOTOR SALES, U.S.A., INC. 2002 Toyota MR2 2002 ENGINE PERFORMANCE Vacuum Diagrams
View and Download Toyota 2002 Camry service manual online. 2002 Camry automobile pdf manual download. Wiring related to each system is indicated in each system circuit by arrows (from_, to_). When overall connections are required, see the Overall Electrical Wiring Diagram at the end of this manual. The system shown here is an EXAMPLE ONLY. It is different to the actual circuit shown in the SYSTEM CIRCUITS SECTION. Indicates a Relay Block.
Toyota Fortuner Wiring Diagram Pdf Mobil Motor Terbaru Berita Review Panduan Membali Gambar Dan Lebih
2002 Toyota Camry Xle Radio Wiring Diagram 21793d1444860273 Oem Fit Android Head Unit Dvd Navigation Pioneer Car Stereo Electrical Wiring Diagram Toyota Camry
Toyota Camry Gsic Workshop New Updated Manual Dvd Auto Repair Manual Forum Heavy Equipment Forums Download Repair Workshop Manual
0 Response to "36 2002 camry wiring diagram pdf"
Post a Comment