Results 1 - 16 of 1000+ — HASMX Replacement Lawn Mower Belt 1/2" x 96" for Huskee LT4200 Troy-Bilt Pony Bronco TB42 TB2246 TB2142, Dayco Part Numbers L496 L-496, ... Nov 14, 2019 — need diagram for belt routing on huskee riding lawn mower 42 inch cut need to look to make sure belt is routed - Mtd Drive Belt 42" question.I need a diagram of the drive belt for a Huskee LT4200, - FixyaSep 6, 2019Diagram for deck belt for huskee 42 inch - Mtd Garden - FixyaSep 6, 2019Need belt diagram for Huskee riding mower model #4420294Nov 21, 2019Diagram for deck belt for huskee Lt4200 - Garden - FixyaSep 1, 2019More results from www.fixya.com
Results 1 - 24 of 40 — MTD Genuine Factory PartsOriginal Equipment Deck Drive Belt for Select 24 in. and 30 in. Rear Engine Riding Lawn Mowers OE# 954-05001.

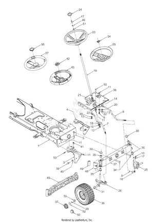
Huskee riding mower belt diagram
The MTD Huskee Supreme is a front engine garden tractor equipped with a 42- or ... mower deck belt for damage to determine if it requires replacement. Find OEM replacement parts for your Huskee outdoor power equipment, including walk-behind mowers, riding lawn mowers and snow blowers. The deck has 2 belts and the one that runs from... ... need a diagram for the huskee lt 4600 lawn mower | Click image for larger versionName.
Huskee riding mower belt diagram. The deck has 2 belts and the one that runs from... ... need a diagram for the huskee lt 4600 lawn mower | Click image for larger versionName. Find OEM replacement parts for your Huskee outdoor power equipment, including walk-behind mowers, riding lawn mowers and snow blowers. The MTD Huskee Supreme is a front engine garden tractor equipped with a 42- or ... mower deck belt for damage to determine if it requires replacement.
Replacing Drive Belt On Huskee Riding Mower Cheap Online
Venta Huskee 54 Inch Deck Belt Diagram En Stock
Huskee 16 5hp 42 Cut Drive Belt Snapped Youtube
Purchase Huskee 46 Inch Deck Belt Diagram Up To 61 Off
Replacement Belt For Huskee 95404265 Riding Mower
Huskee Lt 4200 13w277ss031 Huskee Lawn Tractor 2016 Deck Parts Lookup With Diagrams Partstree
Purchase Huskee 46 Inch Deck Belt Diagram Up To 61 Off
Huskee Mtd Lawn Mower Drive Belt Replacement Youtube
I Need A Diagram For A Lt4200 Deck Belt
Huskee Riding Mower Outdoor Power Belts Replacement Parts The Home Depot
Huskee 13ax615h730 Huskee Lawn Tractor 2007 Tractor Supply Parts Lookup With Diagrams Partstree
Huskee Riding Mower Hydro Automatic Transmission 18 5hp 46 Cut No Shipping 570 00 Picclick
Replacing A Riding Lawnmower Belt Huskee Lt4200 Without Taking The Deck Off Youtube
Purchase Huskee 46 Inch Deck Belt Diagram Up To 61 Off
Replacing The Rear Drive Belt On 1997 Huskee Lawn Tractor By Mtd Youtube
Mower Deck Belt Diagram For A 26 Hp 54 Huskee Supreme Fixya
Mtd 13ax605h730 2006 Parts Diagram For Deck Assembly
How To Replace Drive Belts White Outdoors Riding Mower Youtube
Huskee 13aj608h131 2002 Partswarehouse
Huskee 13aj693h131 Huskee Lawn Tractor 1999 Tractor Supply Parts Lookup With Diagrams Partstree
Huskee Riding Lawn Mower Model 13al608g731 Mtd Parts Ca
Huskee 13bs608h131 2003 Partswarehouse
Huskee Blue Kevlar V Belt 1 2 In X 95 In A93k At Tractor Supply Co
Venta Huskee Lt4200 Starter Solenoid Location En Stock
Huskee Riding Mower Manual Pdf Tractor Lawn Mower
Huskee Supreme Slt 4200 Off 58
Huskee 13bs608h131 Huskee Lawn Tractor 2003 Tractor Supply Deck Assembly H Parts Lookup With Diagrams Partstree
Mtd Replacement Lawn Tractor Drive Belt Oem 754 0280 Rona
Solved How Do I Put On Deck Belts For A White Outdoor Fixya
Mtd 13ao771h055 2009 Parts Diagram For Mower Deck 46 Inch
Huskee 13w2775s031 Lt4200 2012 Partswarehouse
Removing Mower Deck Huskee Mtd Yard Man Mowers Youtube Mower Lawn Mower Repair Lawn Mower
Huskee Supreme Won T Move Forward Or Reverse Tractor Forum
Wiring Diagrahm For Huskee Riding Lawn Mower Lawnsite Electrical Diagram Riding Lawn Mowers Lawn Tractor
What Size Belt Do I Need For A Huskee Riding Lawn Mower Lt Fixya
Huskee Lt 4200 13w2771s031 Huskee Lawn Tractor 2012 Transmission Drive Assembly Parts Lookup With Diagrams Partstree
0 Response to "36 huskee riding mower belt diagram"
Post a Comment