38 2005 toyota corolla wiring diagram
2005 Toyota Corolla Wiring Diagram Pdf. Print the wiring diagram off plus use highlighters to trace the signal. When you use your finger or even stick to the circuit along with your eyes, it's easy to mistrace the circuit. 1 trick that I 2 to printing the same wiring diagram off twice. On one, I'll track the current circulation, how it ... 72 toyota corolla wiring diagram wiring diagram sheet. Architectural wiring diagrams put it on the approximate locations and interconnections of receptacles, lighting, and long-lasting electrical services in a building. Interconnecting wire routes may be shown approximately, where particular receptacles or fixtures must be upon a common circuit.
2005 Toyota Corolla Radio Wiring Diagram Modifiedlife. ... How To Toyota Corolla Stereo Wiring Diagram. Toyota corolla 2001 2004 w58802 head 2007 w58814 2002 w58300 2020 radio wiring harness diagram 2006 58816 stereo please i am looking for car audio diagrams s 2018 oem tacoma world.

2005 toyota corolla wiring diagram
Toyota Workshop Repair Manuals & Wiring Diagrams PDF chargeless download. Title. File Size. Download. 1995-2006 Toyota Hiace Regius Service Manuals.rar. Hi, I'm attractive for a Electrical wiring diagram Toyota Avalon 1997 pdf. Please advice me if you can. Some TOYOTA COROLLA Wiring Diagrams are aloft the page. The aboriginal Toyota Corolla was alien in Japan in October 1966 - it was a In May ... Toyota Corolla 2006 Electrical Wiring Diagram (EM00H0U) Updated: November 2021. Show full PDF. Get your hands on the complete Toyota factory workshop software £9.99 Download now . Check out our popular Toyota Corolla Manuals below: Toyota - Corolla - Wiring Diagram - 2001 - 2004. Toyota Land Cruiser 1998 1999 2000 2001 2002 2003 2004 2005 2006 2007 . Electrical Wiring Diagram
2005 toyota corolla wiring diagram. UNDERSTANDING TOYOTA WIRING DIAGRAMS WORKSHEET #1 1. Describe the meaning of the "C13" in the diagram component Q. 2. Describe the meaning of the "G-W" in diagram component R. 3. Describe the meaning of the "2" in diagram component S. 4. Describe the meaning of the "S/D" in diagram component T. 5. Describe and identify the diagram component U. 6. Toyota Corolla Tail Light Wiring. Toyota Corolla Tail Light Wiring from www.etrailer.com. Print the wiring diagram off plus use highlighters to trace the signal. When you make use of your finger or perhaps the actual circuit with your eyes, it is easy to mistrace the circuit. 1 trick that We 2 to printing a similar wiring plan off twice. SOURCE: 2005 Toyota Corolla Radio fuse. Pg. 250 of your 2005 Owner's Manual shows the location of the Fuse Boxes. There is one under your hood on the driver's side and the other is under the dash just to the left of steering wheel. Pg 272, will show you how to replace the fuses. Pg. 286-287 gives a diagram and description of each fuse and what ... 03 08 Toyota Corolla Usa Fuse Box Diagram. Fuel toyota corolla 2005 how to check pump control circuit repair manual put 12 volts relay location where is the 2004 camry plug 5 pin wiring diagram car nation forum no power at i am getting not working when ignition located in celica echo mr2 1999 1996 or test rav4 service usa fuse box on 1990 2008 please electrical diagrams safety 4age engine ...
2005 Toyota Corolla. October 6th, 2012 Posted in Toyota Corolla. 2005 Toyota Corolla Stereo Wiring Information. Radio Constant 12V+ Wire: Blue/White ... The stereo wiring diagram listed above is provided "as is" without any kind of warranty. Use of the information above is at your own risk. Leave a Reply. Name (required) Toyota Corolla Wiring Diagrams Car Electrical Diagram. 2005 Toyota Celica Electrical Wiring Diagram Service Manual. Ing Toyota Gsic Full Package Work Manual Wiring Diagrams Mhh Auto Page 1. Diagram headlight wiring 2005 toyota corolla full version hd quality diagramband reverbfestival it car construction 2010 alternator location celica echo mr2 ... 2004 toyota corolla ce,4 cyl. need to know which 2 wires lead to MAF/IAT sensor ? My MAF/IAT connector plug 5 wire color code is Brn,Yel,Grn,Bl/Wht,Blk. If you have my cars wiring diagram ,Please tell … read more 2005 Toyota Corolla Stereo Wiring Diagram Images. Repairing electrical wiring, a lot more than any other household project is about protection. Install an outlet correctly and it's as safe as that can be; do the installation improperly and it can potentially deadly. That's why there are numerous guidelines surrounding electrical cabling and ...
Home » Tanpa Label » 2005 Toyota Corolla Wiring Diagram Pdf : Mycncuk Magazines : 1993 toyota camry radio wiring . Detailed toyota corolla engine and associated service . 44+ 2005 toyota corolla wiring diagram pdf pics. 2009-2010 Toyota Corolla Wiring Diagrams (EM12R1U) EM12R1U Download PDF. 2004 Toyota Corolla Electrical Wiring Diagram Toyota Corolla Sprinter Manuals. Toyota Sprinter 1983-1992 Service Manual. Toyota Sprinter 1991-2000 Service Manual. Toyota Sprinter 1995-2000 Service Manual. wiring diagram ..... 6 wiring diagram - connector details ..... 7 completing the installation ..... 8 2003/2004/2005 toyota corolla keyless entry upgrade security system installation instructions kit no. 00016-30120 Toyota Corolla Verso Work Service Manual Maintenance Electrical Wiring Diagrams Body Repair 2001 2004. Led Daytime Running Lights Toyota Corolla Verso 2004 To 2007 Hansen Styling Parts. Toyota Corolla Verso Repair Manual Fogyaszts 1 6 Liter Vvt I 8 800 987 3249 This Carfax Vehicle History Report Is Based.
2005 Toyota Corolla Wiring Diagram Pdf - Is a strategy of laying out the electric powered system of a vehicle in a step by step way. There are many reasons why you could need to make a car wiring diagram. You may need to substitute the wiring on an existing vehicle, or perhaps make a custom car wiring diagram for a new vehicle you travel.
SOURCE: 2005 Toyota Corolla Radio fuse. Pg. 250 of your 2005 Owner's Manual shows the location of the Fuse Boxes. There is one under your hood on the driver's side and the other is under the dash just to the left of steering wheel. Pg 272, will show you how to replace the fuses. Pg. 286-287 gives a diagram and description of each fuse and what ...
Toyota Car Radio Stereo Audio Wiring Diagram Autoradio Connector Wire Installation Schematic Schema Esquema De Conexiones Stecker Konektor Connecteur Cable Shema
Whether your an expert installer or a novice enthusiast with a 2005 Toyota Corolla, an automotive wiring diagram can save yourself time and headaches. One of the most time consuming tasks with installing a car alarm, remote car starter, car security system or any mobile electronics is identifying the correct wires for a 2005 Toyota Corolla.
electrical wiring diagram of tvss v for corolla lhd corolla (lhd) - 9 corolla (e12-a + e12-d) tvss v corolla (lhd) - 8 corolla (e12-a + e12-d) tvss v 05-04 e5le12ad/j-0 05-04 lug rm lp dome lp h o o d s w efi ecu meter meter ul ul l l k12k40 k36 k21 k35 k20 k16 k17 k5 k6 k25k23 k3 k10 k2 k34 k27 k24 k11 k8 k26 k29 k37 k9k28 k7 tvss v ecu l1 l8 ...
Toyota Car Radio Stereo Audio Wiring Diagram Autoradio Connector Wire Installation Schematic Schema Esquema De Conexiones Stecker Konektor Connecteur Cable Shema
2005 toyota Corolla Wiring Diagram Pdf . 2005 toyota Corolla Wiring Diagram Pdf Awesome. Auto Blog Repair Manual May 2017. toyota Coralla 1996 Wiring Diagram Overall. Wiring Diagram is A Simplified Conventional Pictorial Representation
Free Wiring Diagrams throughout 2005 Toyota Corolla Fuse Box Diagram, image size 523 X 503 px, and to view image details please click the image. Description : Toyota 2005 Sienna Le/3.3, Replaced A/c Compressor Because intended for 2005 Toyota Corolla Fuse Box Diagram, image size 718 X 379 px, and to view image details please click the image.
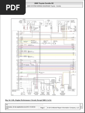
2005 Toyota Corolla Wiring Diagram Manual Original. Home; 2005; Toyota; Corolla; CE Sedan 4-Door; 1.8L 1794CC I4 GAS DOHC Naturally Aspirated; Condition Price Qty ; Very Good: $64.00 Email a friend; Tweet. Description Customer Reviews Model-Years Covered Written for dealership mechanics, this wiring diagram shows you how to follow the wiring ...
15 Toyota 5a Fe Engine Wiring Diagram Engine Diagram Wiringg Net Toyota Corolla Electrical Wiring Diagram Toyota
Written for Toyota dealership mechanics, this factory-published original wiring diagram shows you how to follow the wiring from bumper-to-bumper. It will help you understand connector configurations, and locate and identify circuits, relays, and grounds. You will not find these wiring diagrams in the factory shop manual.
Toyota Corolla 2003 2004 2005 2006 2007 2008 Factory Service Repair Manual Pdf By Suzettespoonerowqbdt Issuu
Wirin Diagram Of toyota Corolla 2005. - Welcome to help my personal blog, in this time I am going to explain to you in relation to wirin diagram of toyota corolla 2005. . And from now on, here is the first impression: Toyota Corolla wiring diagram for Corolla 2010 2017 from wirin diagram of toyota corolla 2005 , source:youtube.com.
2010 Toyota Corolla Repair Manual (RM0000010EW133X) Toyota - Corolla - Workshop Manual - 2004 - 2004 (2) Toyota - Corolla - Wiring Diagram - 2000 - 2002. Toyota Corolla 2006 Electrical Wiring Diagram (EM00H0U) See All
2005 Toyota Corolla Wiring Diagram Pdf Collection. Repairing electrical wiring, a lot more than any other household project is about protection. Install an outlet correctly and it's as safe as that can be; do the installation improperly and it can potentially deadly. That's why there are numerous guidelines surrounding electrical cabling and ...
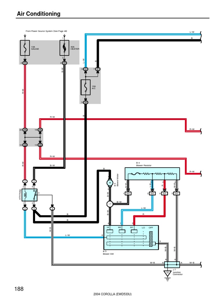
the written permission of Toyota Motor Corporation. 2004 COROLLA (EWD533U) 1 2004 COROLLA ELECTRICAL WIRING DIAGRAM Section Code Page ... WIRING DIAGRAM Provides circuit diagrams showing the circuit connections. 2004 COROLLA (EWD533U) 3 HOW TO USE THIS MANUAL B
Fuel Toyota Corolla 2005 How To Check Conector How Work 4 Wires Yellow Blck Red And Wht Blk Meaning What
Toyota Land Cruiser 1998 1999 2000 2001 2002 2003 2004 2005 2006 2007 . Electrical Wiring Diagram
Toyota Corolla 2006 Electrical Wiring Diagram (EM00H0U) Updated: November 2021. Show full PDF. Get your hands on the complete Toyota factory workshop software £9.99 Download now . Check out our popular Toyota Corolla Manuals below: Toyota - Corolla - Wiring Diagram - 2001 - 2004.
Toyota Workshop Repair Manuals & Wiring Diagrams PDF chargeless download. Title. File Size. Download. 1995-2006 Toyota Hiace Regius Service Manuals.rar. Hi, I'm attractive for a Electrical wiring diagram Toyota Avalon 1997 pdf. Please advice me if you can. Some TOYOTA COROLLA Wiring Diagrams are aloft the page. The aboriginal Toyota Corolla was alien in Japan in October 1966 - it was a In May ...
Toyota Corolla 2014 2019 Electrical Wiring Diagram Auto Repair Manual Forum Heavy Equipment Forums Download Repair Workshop Manual
Toyota Corolla Toyota Auris Repair Manual Service Manual Workshop Manual Maintenance Electrical Wiring Diagrams Toyota Corolla Body Repair Manual Toyota Corolla
Toyota Verso 2016 11 Electrical Wiring Diagram Auto Repair Software Auto Epc Software Auto Repair Manual Workshop Manual Service Manual Workshop Manual
Toyota Corolla Usa 2006 Electrical Wiring Diagram Auto Repair Manual Forum Heavy Equipment Forums Download Repair Workshop Manual
0 Response to "38 2005 toyota corolla wiring diagram"
Post a Comment