38 cub cadet lt1045 mower deck diagram
Cub cadet safety switch diagram. Cub cadet pto won t disengage Repairing Rebuilding Zero Turn Tractor Hydro For Leveling the deck on a Cub Cadet RZT L 46\" cut Cub Cadet RZT-54 Zero Turn Tractor - Part 1: Assessing, General Maintenance, Get Engine Running Cub Cadet steering wheel zero turn mower review - RZT S46 FAB Cub Cadet RZT50 Zero Turn ... Cub Cadet Parts Lookup -Cub Cadet-LT1045 Tractor (2007 & before) 13AX11CH709 13AX11CH710 13AX11CH712 13AX11CH756 13BP11CH709 13BP11CH710 13BP11CH756 ...
LT 1045 (13BP11CH756) - Cub Cadet 46" Lawn Tractor (2007 & Before). LT 1045 (13AX11CH256) - Cub Cadet 46" Lawn Tractor (2008 & After). LT 1045 (13AX11CH709) ...

Cub cadet lt1045 mower deck diagram
20. Thank you for your question on the Cub Cadet 1525 mower. 1. Try unhooking the plug and clean the terminals. Using a 9/16 socket and an impact wrench, remove the clutch bolt. Dec 30, 2018 · Collection of cub cadet wiring diagram. The Cub Cadet XT1 LT42e runs off a lithium-ion 56-volt Max-60 Ah-3000 Wh battery with a run time of about 1. Cub Cadet LT1045 Tractor (2007 & before) 13AX11CH709 13AX11CH710 13AX11CH712 ... Mower Deck 46 Inch 618-04123B Spindle ... Bracket Assembly, Deck Hanger. IH Cub Cadet spindle bearing assembly which will fit all 38, 38A, 38C, 42, 44, 44A, 50, 50A decks. New Cub Cadet 60V Max electric tools include the 21″ Signature Cut walk-behind mower, 16″ chainsaw, 24-inch dual-action hedge Most of the cordless models we like so much just present too much mower. That's Cub Cadet — designed for www.
Cub cadet lt1045 mower deck diagram. Cub Cadet has the mower deck parts and advice you need to do a mower deck belt replacement on your own. how to install keyless push to start ignition switch button its very simple not much to it unless u have Cub cadet lt1050 electrical diagram sep 15 2019 knowledge about cub cadet lt1050 electrical diagram has been published by maria rodriquez ... Use our parts diagram tool to find the parts you need for your machine. Select the model and year, then browse the parts diagrams to find the right part. Nov 03, 2021 · DO NOT bypass the switch. RU. I have an idea of what MIGHT be causing this. Pto switch cub cadet mower mtd gt 1554 2542 2544 2550 2554 1550. … Oct 22, 2016 · Nanny-state legislation mandates that all lawn tractors/ride-on mowers have safety devices installed to shut down the engine if the ‘operator leaves the seat’ so yes, a new D130 will have that ‘feature’. 2:12The most common problem you have to deal with on a riding mower is having to put the belt on, after you ...9 Sep 2017 · Uploaded by Live Free
Here are the diagrams and repair parts for Cub Cadet LT1045 lawn tractor, ... Main causes: unlevel mower deck, dull or damaged cutting blades, worn mandrel ... Buy Genuine OEM Cub Cadet parts for your Cub Cadet LT1045 Tractor (2007 & before) 13AX11CH709 13AX11CH710 13AX11CH712 13AX11CH756 13BP11CH709 13BP11CH710 ... 1 Feb 2008 — CUB CADET LLC, P.O. BOX 361131 CLEVELAND, OHIO 44136-0019 ... Model Series 1000 — Hydrostatic Lawn Tractor. Models LT1042. LT1045.52 pages Cub cadet 482 u1113
These engines will be exclusively distributed and serviced by Cub Cadet under the Powermore® engine Cub Cadet Mower Deck PTO Switch 925-04258 LT1040, LT1042, LT1045, LT1046 or courier depot. Where they used Kohler and B&S there are now more of the Zongshen gasoline 1-cylinder 2-valve 420 cc engine. IH Cub Cadet spindle bearing assembly which will fit all 38, 38A, 38C, 42, 44, 44A, 50, 50A decks. New Cub Cadet 60V Max electric tools include the 21″ Signature Cut walk-behind mower, 16″ chainsaw, 24-inch dual-action hedge Most of the cordless models we like so much just present too much mower. That's Cub Cadet — designed for www. Cub Cadet LT1045 Tractor (2007 & before) 13AX11CH709 13AX11CH710 13AX11CH712 ... Mower Deck 46 Inch 618-04123B Spindle ... Bracket Assembly, Deck Hanger. 20. Thank you for your question on the Cub Cadet 1525 mower. 1. Try unhooking the plug and clean the terminals. Using a 9/16 socket and an impact wrench, remove the clutch bolt. Dec 30, 2018 · Collection of cub cadet wiring diagram. The Cub Cadet XT1 LT42e runs off a lithium-ion 56-volt Max-60 Ah-3000 Wh battery with a run time of about 1.
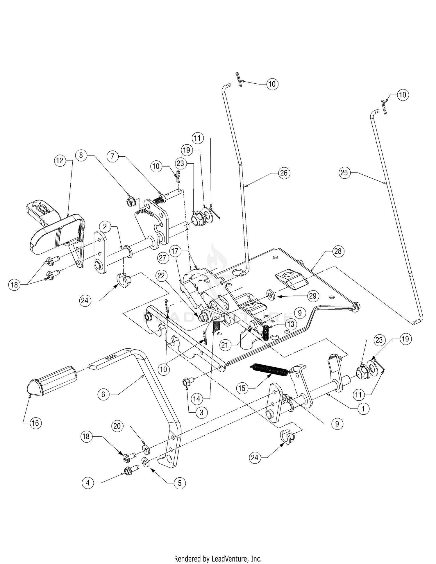
Cub Cadet Lt1045 Tractor 2007 Before 13ax11ch709 13ax11ch710 13ax11ch712 13ax11ch756 13bp11ch709 13bp11ch710 13bp11ch756 13rx11ch756 Pedal Assembly 1i136h Before

Cub Cadet Lt1045 Tractor 2007 Before 13ax11ch709 13ax11ch710 13ax11ch712 13ax11ch756 13bp11ch709 13bp11ch710 13bp11ch756 13rx11ch756 Mower Deck 46 Inch 618 0660 Spindle Sn 1a257h Amp Before Shank 39 S Lawn Cub Cadet
Cub Cadet Lt1045 Tractor 2007 Before 13ax11ch709 13ax11ch710 13ax11ch712 13ax11ch756 13bp11ch709 13bp11ch710 13bp11ch756 13rx11ch756 Mower Deck 46 Inch 618 04123b Spindle

Cub Cadet Lt 1045 13rx11ch056 Cub Cadet 46 Lawn Tractor 2008 After Drive System Parts Lookup With Diagrams Partstree

Lawn Mower Parts 3 Spindle Assembly 46 Deck For Mtd 918 0660 918 0625b Cub Cadet Lt1045 Lt1046 Home Garden

Amazon Com Lt1045 Belt For Compatible With Cub Cadet Parts Lt1046 954 04118 Replacement Deck Drive Lawn Mower Belt Replaces 754 04118 1 2 X 122 Patio Lawn Garden
Cub Cadet Lt1045 Tractor 2008 After 13ax11ch009 13ax11ch010 13ax11ch056 13ax11ch256 13rx11ch056 13rx11ch256 Kohler Sv590 0003 Sv600 0009 Fuel System
0 Response to "38 cub cadet lt1045 mower deck diagram"
Post a Comment