38 poulan pro 31cc trimmer fuel line diagram
This video provides step by step repair instructions for replacing the fuel filter on a poulan pro pole pruner with string trimmer attachment. See poulan pro gas trimmer carb fuel primer diagram on our hobbytalk member photo albums gallery. I have a poulan pro ppb250e 31cc about 3 yrs old new fuel lines cluck 401 fuel. 0. For a two-stroke engine, there may simply be an exhaust outlet and fuel inlet instead of a valve system. Husqvarna’s 562 XP® chainsaw is developed for demanding work by tree care and forestry professionals. A HIGH QUALITY REPLACEMENT FUEL LINE FOR STIHL 041 SAWS, THIS FUEL LINE GOES FROM THE FUEL TANK ADAPPTER TO THE CARB.
5 Posts. Discussion Starter · #1 · May 14, 2009. Hey folks, newb here. So for my first post, I was hoping that someone can confirm or deny my routing diagram for hooking up the fuel lines properly. I inherited this weed trimmer from my brother as it had been sitting for years since he didn't know what was wrong with it.

Poulan pro 31cc trimmer fuel line diagram
The starter cord in a Poulan Pro 31cc trimmer operates the rotor when the engine is cold. STIHL manufactures trimmer line using a custom blend of polymers to produce a line with the best all-around characteristics of abrasion resistance, flexibility over time and temperature ranges, and welding resistance. 2 cycle Gasoline Weed wacker. Nov 15, 2021 · Fuel tank Aug 26, 2021 · HPENP Pack-of-12 Carburetor Adjustment Tool Tune up kit Carb Adjusting Tool for Common 2 Cycle Small Engine Echo STIHL Poulan Husqvarna MTD Ryobi Homelite Trimmer Weed Eater Chainsaw Chainsaw Parts August 26, 2021 2 Adjusting adjustment CARB Carburetor Chainsaw Common Cycle Eater Echo Engine for Homelite HPENP ... Take A Sneak Peak At The Movies Coming Out This Week (8/12) Best Reactions to Movies Out Now In Theaters; New Movie Releases This Weekend: November 19-21
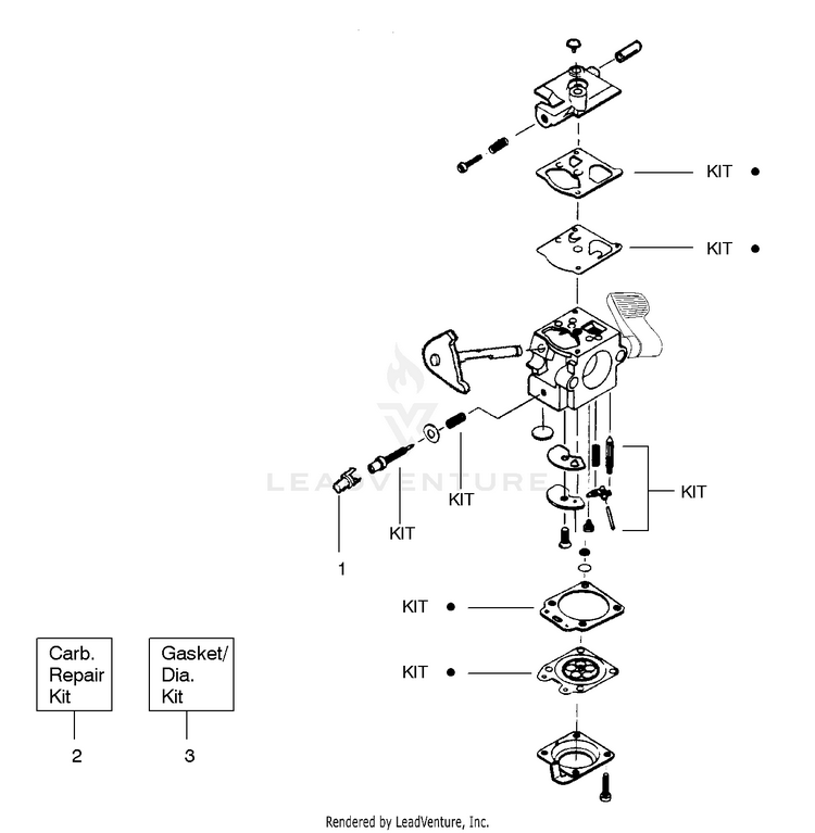
Poulan pro 31cc trimmer fuel line diagram. Poulan Pro 31cc Trimmer Fuel Line Diagram. Written By Maria M Beus Saturday, August 26, 2017 Add Comment. Edit. 222 gas saw pp222 gas saw 222 poulan pro. This video provides step by step repair instructions for replacing the fuel filter on a poulan pro pole pruner with string trimmer attachment. Poulan Trimmer Pp335 Diagram Wiring Diagram. MCCULLOCH FUEL LINE & FUEL FILTER, REPLACES PART # 84956 & 89059. Started by Stefcarse. 1963 and 1964, used a Mac carb with a primer. ... BOY : String Trimmers with engines under 31cc Feb 01, 2014 · McCulloch PM 610, Poulan 3750 (Tim Allen Edition), Poulan Pro 42cc, Poulan 3416 (But Really it is a 42cc), McCulloch Power Mac 6 (How all saws ... Fuel Line Diagram For Poulan Weedeater. On the gas tank of a poulan pro weed eater there are two fuel lines. The small diameter line out of fuel tank has filter in tank on end connects directly to the side of the carburetor that has the fuel pumpthat is the cover without the hole in it. Solved Fuel Line Routing For My Poulan Woodshark 1950 Fixya. Fuel primer has "in" one one of the tubes which I connected to the bigger line . Apr 16, · Poulan Pro Gas Trimmer Fuel Primer Bulb Line Routing Question - See Diagram Hey folks, newb here. So for my first post, I was hoping that someone can confirm or deny my routing diagram for hooking up the fuel lines properly. SOURCE: diagram fuel lines ...
Poulan pro 31cc trimmer fuel line diagram. In fact the process takes less than one hour. So for my first post i was hoping that someone can confirm or deny my routing diagram for hooking up the fuel lines properly. Will this work on the poulan pro if your model is a poulan pp446t. I have a poulan pro ppb250e 31cc about 3 yrs old new fuel lines ... Poulan pro 31cc trimmer fuel line diagram. A complete fuel. Poulan poulan pro parts diagrams 112 gas trimmer. It will not run at high speed you answered by a verified technician. Plastic fuel lines for small engines will eventually break. It may be a good idea to replace the internal fuel filter while. MCCULLOCH : Mac 110 thru Mac 140 Mini-Mac 6 Mini-Mac 25 Mini-Mac 30 Mini-Mac 35 Power Mac 6 ProMac 55 Pro Mac 510 Super Pro 40 Super Pro 310 thru Super Pro 340 Titan 7 Chainsaw LAWN-BOY : String Trimmers with engines under 31cc Feb 01, 2014 · McCulloch PM 610, Poulan 3750 (Tim Allen Edition), Poulan Pro 42cc, Poulan 3416 (But Really it is a ... 2 days ago · MCCULLOCH : Mac 110 thru Mac 140 Mini-Mac 6 Mini-Mac 25 Mini-Mac 30 Mini-Mac 35 Power Mac 6 ProMac 55 Pro Mac 510 Super Pro 40 Super Pro 310 thru Super Pro 340 Titan 7 Chainsaw LAWN-BOY : String Trimmers with engines under 31cc Feb 01, 2014 · McCulloch PM 610, Poulan 3750 (Tim Allen Edition), Poulan Pro 42cc, Poulan 3416 (But Really it is a ...
The trimmer ran great on initial start up but fuel lines disintegrated.5/5. diagram fuel lines tank primer carbutor poulan pro weedeater - Poulan Poulan/Weed Eater No. Te question. Fuel line diagram poulan wild thing 40cc. 31cc Poulan Pro Weedeater. Sounds as though the fuel filter may be plugged. Fuel line diagram for poulan weedeater. The smaller diameter line fuel supply goes from the fuel tank wfilter to the carb bodyanother larger line purge line goes from carb body to this diy repair guide explains how to replace line trimmer fuel lines in about 30 minutes. 31cc poulan pro weedeater. Parts required tools required 1 foot small fuel ... Nov 15, 2021 · Craftsman 32cc Weed Eater Fuel Line Diagram Periodic Diagrams Sears 32 Cc Gas Weed Trimmer Broke Again Fixed Guess What Was Solved homelite ut fuel line which one goes to bulb fixya craftsman 32 cc weedwacker n fuel line diagram fixya i have a craftsman 32cc weedwacker that will not start can t i need a diagram showing the. Pages: 22. Poulan pro gas trimmer type 1. Poulan pro 31cc trimmer fuel line diagram. 222 gas saw pp222 gas saw 222 poulan pro. Chainsaws blowers hedge trimmers pole saws and trimmers can extend their product warranty from the standard 2 years to a 3 year limited warranty. 31cc poulan pro weedeater. Collectibles die cast vehicles.
Take A Sneak Peak At The Movies Coming Out This Week (8/12) Best Reactions to Movies Out Now In Theaters; New Movie Releases This Weekend: November 19-21
Nov 15, 2021 · Fuel tank Aug 26, 2021 · HPENP Pack-of-12 Carburetor Adjustment Tool Tune up kit Carb Adjusting Tool for Common 2 Cycle Small Engine Echo STIHL Poulan Husqvarna MTD Ryobi Homelite Trimmer Weed Eater Chainsaw Chainsaw Parts August 26, 2021 2 Adjusting adjustment CARB Carburetor Chainsaw Common Cycle Eater Echo Engine for Homelite HPENP ...
Trying To Route Lines On A Poulan Pp330 String Trimmer Starting From Scratch A Monkey Was In This Before Me My Search
The starter cord in a Poulan Pro 31cc trimmer operates the rotor when the engine is cold. STIHL manufactures trimmer line using a custom blend of polymers to produce a line with the best all-around characteristics of abrasion resistance, flexibility over time and temperature ranges, and welding resistance. 2 cycle Gasoline Weed wacker.
Poulan 446t Pro Fuel Line Diagram Pulley Setup For Old Stateman Lawn Tractor Case 446 Garden Tractor Manual And Belt S For Kgro Power Pro 42 Cut 18 Hp Riding Mower 96 Jd 425 Steering
Buy Lawnmaster Nptgcp2517b No Pull Gas String Trimmer With Electric Start 25cc 2 Cycle 17 Inch Online In Finland B09129yl95
Craftsman 32cc Weedwacker Won T Stay Running Pics Included After Carb Rebuild Doityourself Com Community Forums
Vacant Parcel Lot Off Us 95 In San Bernardino County Ca Auction Results 1 Listings Tractorhouse Com Page 1 Of 1
Download Poulan Pro 31cc Trimmer Manual Free Online Instruction Looking For Poulan Line Trimmer Repair And Replacement Parts
Is There An Installation Diagram For The Fuel Lines On A Bolens 360 I Recently Replaced The Primer Bulb And Fuel Lines
I Have A Poulan Pro Ppb250e 31cc About 3 Yrs Old New Fuel Lines Cluck 40 1 Fuel It Will Not Run At High Speed You
0 Response to "38 poulan pro 31cc trimmer fuel line diagram"
Post a Comment