Iklan 300x250

38 pump control panel wiring diagram schematic

Connect the wires coming from the pumps to the pump terminals. Refer to the panel wiring diagram for the correct terminal connections for your system. 3. Connect the incoming power to the panel. Power to the panel must be appropriate to the control panel and pump motor (120 VAC, single-phase for a 120 VAC motor, 240 VAC single-phase for a 240 Duplex Pump Control Panel Wiring Diagram Schematic. Duplex 115 208 230v 1 phase control panel three alternating pump m sprecher schuh custom lift station demand wd3p 4 booster controllers overview eaton sewage model 322 sje rhombus. Duplex Demand Control Panel 115 230v Single Phase Individual Pump Circuit Breakers Definite Purpose Contactor.

pump control panel wiring diagram schematic free wiring diagram Electrical Wiring ... New Fire Alarm Pull Station Wiring Diagram | Wiring Diagram Image.

Pump control panel wiring diagram schematic

Pump control panel wiring diagram schematic

Pump Control Panel Wiring Diagram Schematic. Assortment of pump control panel wiring diagram schematic. A wiring diagram is a simplified traditional photographic depiction of an electric circuit. It shows the parts of the circuit as simplified shapes, as well as the power as well as signal links between the devices. A wiring diagram typically provides info… Control voltage is 120 VAC · Use IEC devices · 22mm pilot devices · Wallmount enclosure – outdoor rated · Main circuit breaker with door mounted operating handle ... Components Disconnects (Fuse vs. Breakers) Generator Provisions Motor Protection (Fuses, Breakers, Thermal) Motor Controls (Starters, Soft Starters, Drives) Transformers Logic (Relay, Controllers, PLC) Alarm Dialers / Telemetry Pilot Devices Intrinsically Safe

Pump control panel wiring diagram schematic. JPCV and PMCVE Drawings. Dimensionals. 10605 - JPCV: NEMA 2, Variable Speed Jockey Pump Controller. 24180 - PMCVE: NEMA 2,12 Variable Speed Pressure Mainenance Controller. External Wiring. 10604 - JPCV: Three Phase Variable Speed Jockey Pump Controller. 3 Phase Water Pump Control Panel Wiring Diagram. angelo. June 19, 2021. 3 Phase Wiring Diagram For House Http Bookingritzcarlton Info 3 Phase Wiring Diagram Fo Electrical Circuit Diagram Electrical Wiring Basic Electrical Wiring. Submersible Pump Control Box Wiring Diagram For 3 Wire Single Phase Submersible Pump Submersible Well Pump Submersible. Installation instructions, wiring diagrams, etc. for septic system control and alarm . The diagram below references a V pump and wiring. Over 95% of aerobic septic systems use v rather than v. BIO-D Single Light Control Panel for Aerobic Treatment Systems. We recommend using. Compact range wiring and plumbing diagrams ·· 29 ·· SECTION 5 - SPARES Design and Flexi range spares ·· 30 ... COLOR (for wc & bidet) SEAT AND COVER OUTLET PUMP CONTROL PANEL INLET DEVICE standard optional standard optional standard optional standard optional standard optional carbon look RAL carbon look RAL 12-24 v

Pump Control Panel Wiring Diagram Schematic – wiring diagram is a simplified conventional pictorial representation of an electrical circuit. It shows the components of the circuit as simplified shapes, and the capability and signal associates amid the devices. A wiring diagram usually gives guidance roughly the relative face and concord of ... Well Septic Systems Diagnostics Monticello Pump Services. Wiring diagram septic tank control full pump alarm meyer sewer grinder indoor high water submersible sewage american manufacturing company s duplex pumps aerobic system faqs q a on panels effluent how systems work king county pressure distribution tran t2 panel sim single phase simplex sump of car float switch installation well ... Figure 2 1 Control Panel Wiring Diagram Sheet Of 4. Submersible Pump Microcontroller Wiring Diagram Three Phase Electric Power Png 1000x648px Circuit Breaker. Control Panel For Submersible Molock Pumpset Pump Starter Circuit. Aim Manual Page 54 Single Phase Motors And Controls Motor Maintenance North America Water Franklin Electric. Figure 1 - A Motor Controller Schematic. The contacts, M, will be controlled by the coil, M.The output of the motor starter goes to a three phase AC motor. Power is supplied by connecting a step down transformer to the control electronics by connecting to phases L2 and L3. The lower voltage is then used to supply power to the left and right rails of the ladder below.

• Field wiring diagram, panel schematic and installa-tion instructions included. • Panel can be wired for a single power feed for pump and control circuit or the control circuit can be wired to a separate power supply to insure alarm integrity in case of a tripped pump breaker. Single-phase submersible pump control box wiring diagram - 3 wire submersible pump wiring diagram. In the submersible pump control box, we use a capacitor, a resit-able thermal overload, and a DPST switch (double pole single throw). The wiring connection of the submersible pump control box is very simple. Here is the complete guide step by step. Fire Pump Controller Wiring Diagram Download. fire pump controller wiring diagram - Exactly What's Wiring Diagram? A wiring diagram is a type of schematic which makes use of abstract pictorial signs to show all the affiliations of parts in a system. Electrical wiring layouts are made up of 2 points: symbols that represent the components in… Pump Control Panel Wiring Diagram Schematic Sample. pump control panel wiring diagram schematic - Just What's Wiring Diagram? A wiring diagram is a kind of schematic which makes use of abstract photographic signs to show all the interconnections of components in a system. Electrical wiring diagrams are comprised of 2 things: signs that stand for the parts…

Shurflo 9300 Solar Well Pump Info

Shurflo 9300 Solar Well Pump Info

Flygt Pump Control Panel Wiring Diagram. Square 1 design manufacture inc submersible pump wiring diagram control how to install and wire a well float switch installation minicas panels xylem canada flygt bs 2750 us diagrams. Submersible Pump Wiring Diagram Control Panel Pumping Station Png 1000x648px Circuit Component.

32 Sump Pump Control Panel Wiring Diagram - Wiring Diagram ...

32 Sump Pump Control Panel Wiring Diagram - Wiring Diagram ...

IDENTIFICATION OF BARNES STEALTH SERIES DUPLEX CONTROL PANEL FOR ESPS-200 LEVEL CONTROL WIRING To determine the proper wiring schematic you will need to fi rst determine the panel type you have using the information listed below. The information can be located inside the control panel door on the panel schematic.

20 Elegant Duplex Pump Control Panel Wiring Diagram

20 Elegant Duplex Pump Control Panel Wiring Diagram

Line diagrams, also called “schematic” or “elementary” diagrams, show the circuits which form the basic operation of the controller. They do not indicate the ...

Water Pump Control Panel Wiring Diagram - Wiring Diagram ...

Water Pump Control Panel Wiring Diagram - Wiring Diagram ...

Wiring diagrams for all control and electrical panels. Diagrams shall (e) Electrical schematic diagram of the pump station as supplied, prepared in. Economy Duplex Sump Pump Control The duplex control provides alternating operation of two volt pumps. Plug-in ready wiring makes installation easy! Simply plug the pumps into the provided receptacles.

yellow blue and black coated wires

yellow blue and black coated wires

Orenco Systems Control Panel Wiring Diagram Gallery. orenco systems control panel wiring diagram - Building wiring layouts show the approximate locations and also interconnections of receptacles, lighting, and also permanent electric solutions in a building. Adjoining wire courses could be revealed roughly, where certain receptacles or fixtures need to be on an usual circuit.

Sprecher + Schuh Duplex Pump Custom Control Panel

Sprecher + Schuh Duplex Pump Custom Control Panel

https://ryb.com.bd/ 3 Phase DOL Starter Control and Power Wiring Diagram! water Pump Controller with float switchauto manual connection of water pump motor w...

Control Panel Wiring Diagram

Control Panel Wiring Diagram

page 26 — st4/st6 series submersible pumps • operation anD parts manual — rev. #1 (11/12/13). CONTROL BOX WIRING DIAGRAM (CB1269/CB1274).2 pages

AIM Manual - Page 56 | Single-Phase Motors and Controls | Motor Maintenance | North America Water | Franklin Electric

AIM Manual - Page 56 | Single-Phase Motors and Controls | Motor Maintenance | North America Water | Franklin Electric

Two-Wire Control Two-Wire Control circuits — or Low Voltage Release One of the common control wiring circuits used is known as Two-Wire or Low Voltage Release (LVR). It utilizes a main-tained contact type of pilot device — such as a thermostat, float switch or presence sensor. Figure 6 shows the line and wiring schematics for this circuit.

people standing beside white vehicle

people standing beside white vehicle

Duplex Pump Control Panel L922 S Sewage Lifting Drainage Type China Box Made In Com. Solid State Sump Pump Control Diagram Schematic And Image 04. Installation Manual Xlsg200 Xlsgx200 Series 2 Hp Grinder Pumps For Hazardous Locations. Sump Pump Bat Waterproofing Ups Battery Angle Electronics Electrical Wires Cable Png Pngwing.

Pump Control Wiring Diagram - Wiring Diagram

Pump Control Wiring Diagram - Wiring Diagram

Wiring Diagram Electrical Wires Cable Schematic Sump Pump Png 1080x897px Area Harness. Sump pump control panel wiring diagram how to create a circuit fill controller float switch installation switches pilot devices solid state submersible single phase simplex automatic water full 3 bat waterproofing ups for back up electrical wires cable tank ...

unknown

unknown

Assortment of duplex pump control panel wiring diagram. A wiring diagram is a simplified traditional pictorial representation of an electric circuit. It reveals the components of the circuit as streamlined shapes, and also the power as well as signal links in between the gadgets.

Fire Alarm Control Panel Wiring Diagram For

Fire Alarm Control Panel Wiring Diagram For

Submersible Pump Wiring Diagram Control Panel Pumping Station Microcontroller Pumps Transpa Png. Rainflo 230v Automatic Pump Controller Rainwater Collection And Stormwater Management. Water Pump Automatic Control System With Level Sensor For Tank. Automatic Water Pump Switch On Off Circuit With 555 Timer. Automatic Water Tank Filler Circuit ...

Sump / Fill pump controller Circuit - Gadgetronicx

Sump / Fill pump controller Circuit - Gadgetronicx

Bilge Pump Switch Wiring Trick Shamrock Boat Owners Club. Bilge Pump Control Panel. 12 24v Bilge Pump Switch Alarm Waterproof Ship Deck Cleaning Control Panel For Boat Pumps On Off At Affordable S Free Shipping Real Reviews With Photos Joom. 71006 02 Bilge Pump 3 Way Switch Panel 2 Pumps 56 00 Aqualarm Warning Systems For Land And Sea.

Head of a Guillotined Man (1818/19) // Jean Louis André Théodore Géricault French, 1791-1824

Head of a Guillotined Man (1818/19) // Jean Louis André Théodore Géricault French, 1791-1824

Submersible pump wiring diagram control panel pumping station pumps electronics electrical wires cable engineering png pngwing aim manual page 54 single phase motors and controls motor maintenance north america water franklin electric microcontroller three power 1000x648px circuit breaker magnum controller compact is a powerful controlling device for your made with hea two alternately homemade ...

Float Switch Installation Wiring & Control Diagrams | APG

Float Switch Installation Wiring & Control Diagrams | APG

pump control panel wiring diagram schematic – What’s Wiring Diagram? A wiring diagram is a schematic which uses abstract pictorial symbols showing each of the interconnections of components inside a system.

The Wedding of Peleus and Thetis (1636) // Peter Paul Rubens Flemish, 1577–1640

The Wedding of Peleus and Thetis (1636) // Peter Paul Rubens Flemish, 1577–1640

4. Locate the booster pump control on a wall as close to the booster pump system as possible. 5. Follow all local plumbing and electrical codes. After guidelines have been met, connect the booster pump wiring to the motor contractor located in the control panel (ref control wiring diagram in the control panel).

Three Little Girls (c. 1870) // Narcisse Virgile Diaz de la Peña French, 1807-1876

Three Little Girls (c. 1870) // Narcisse Virgile Diaz de la Peña French, 1807-1876

Volume 10—Enclosed Control CA08100012E—November 2012 www.eaton.com ... Type 3R Industrial Pump Panel— ... Freedom—Fusible Disconnect and Circuit Breaker.29 pages

Sipro Tech - Switchboard and control Panel Design Service

Sipro Tech - Switchboard and control Panel Design Service

Duplex Pump Control Panel Wiring Diagram Sample. Variety of duplex pump control panel wiring diagram. A wiring diagram is a streamlined traditional pictorial depiction of an electric circuit. It shows the parts of the circuit as simplified forms, and the power as well as signal connections between the gadgets. A wiring diagram normally provides info about the…

fire pump controller wiring diagram – Generator Controllers

fire pump controller wiring diagram – Generator Controllers

Components Disconnects (Fuse vs. Breakers) Generator Provisions Motor Protection (Fuses, Breakers, Thermal) Motor Controls (Starters, Soft Starters, Drives) Transformers Logic (Relay, Controllers, PLC) Alarm Dialers / Telemetry Pilot Devices Intrinsically Safe

A Mother Feeding her Child (The Happy Mother) (1707) // Willem van Mieris Dutch, 1662-1747

A Mother Feeding her Child (The Happy Mother) (1707) // Willem van Mieris Dutch, 1662-1747

Control voltage is 120 VAC · Use IEC devices · 22mm pilot devices · Wallmount enclosure – outdoor rated · Main circuit breaker with door mounted operating handle ...

Wayward Job

Wayward Job

Pump Control Panel Wiring Diagram Schematic. Assortment of pump control panel wiring diagram schematic. A wiring diagram is a simplified traditional photographic depiction of an electric circuit. It shows the parts of the circuit as simplified shapes, as well as the power as well as signal links between the devices. A wiring diagram typically provides info…

Duplex Pump Control Panel Wiring Diagram - General Wiring ...

Duplex Pump Control Panel Wiring Diagram - General Wiring ...

Wiring Colors & Symbols - Literature & CAD Library ...

Wiring Colors & Symbols - Literature & CAD Library ...

diesel generator control panel wiring diagram AC ...

diesel generator control panel wiring diagram AC ...

woman holding white paper

woman holding white paper

Three Phase Duplex Control Panel - Duplex Pump Controller | M-Tech Control

Three Phase Duplex Control Panel - Duplex Pump Controller | M-Tech Control

Duplex Pump Control Panel Wiring Diagram Database

Duplex Pump Control Panel Wiring Diagram Database

Electric Pump Auto-Manual Wiring diagrams (3-Phase Motors) - My Electrical Diary

Electric Pump Auto-Manual Wiring diagrams (3-Phase Motors) - My Electrical Diary

Diesel Generator Control Panel Wiring Diagram | Electrical ...

Diesel Generator Control Panel Wiring Diagram | Electrical ...

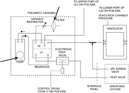
Schematic of Dräger Fabius ventilator pneumatic control system showing... | Download Scientific Diagram

Schematic of Dräger Fabius ventilator pneumatic control system showing... | Download Scientific Diagram

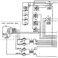
Figure J-1. Control Panel Wiring Diagram (Sheet 1 of 2)

Figure J-1. Control Panel Wiring Diagram (Sheet 1 of 2)

Pump Control Panel Wiring Diagram Schematic | Free Wiring ...

Pump Control Panel Wiring Diagram Schematic | Free Wiring ...

Submersible Pump Microcontroller Wiring Diagram Three ...

Submersible Pump Microcontroller Wiring Diagram Three ...

white and blue concrete building under blue sky during daytime

white and blue concrete building under blue sky during daytime

people at Kaaba Mecca, Saudi Arabia during day

people at Kaaba Mecca, Saudi Arabia during day

Solar Panel Charge Controller Wiring Diagram - Best Guide

Solar Panel Charge Controller Wiring Diagram - Best Guide

Collection Of Sje Rhombus Wiring Diagram Download

Collection Of Sje Rhombus Wiring Diagram Download

Boat Building Standards | Basic Electricity | Wiring Your Boat

Boat Building Standards | Basic Electricity | Wiring Your Boat

0 Response to "38 pump control panel wiring diagram schematic"

Post a Comment

Iklan Atas Artikel

Iklan Tengah Artikel 1

Iklan Tengah Artikel 2

Iklan Bawah Artikel