Iklan 300x250

38 sony car radio wire diagram

Sony car stereo schematics. Find this Pin and more on Misc by Josh VanderYacht. Pioneer Car Stereo. Pioneer Radio. Trailer Light Wiring. Car Audio Installation. Electrical Installation. Boat Wiring. Electrical Circuit Diagram. Every car stereo wiring diagram contains information from other people who own the same car as you. If you want to install a new car stereo, you'll love our car radio wire guides. Feel free to use any car stereo wiring guide or car radio wire colors that are listed on Modified Life but keep in mind that all information here is provided "as ...

Car stereo power connector. Sony Cdx C90r Car Radio Stereo 6 Pin Molex Connector Power Loom Wiring Harness Ebay. Estone 16 Pin Car Stereo Wiring Harness Power Cord For Peugeot 3008 2008 Citroen C4. Details About 1din Amp 2 Din Car Stereo Radio Power Cable Wiring Harness 16 Pin For Nissan. Details About Eclipse 16 Pin Car Stereo Wire Harness ...

Sony car radio wire diagram

Sony car radio wire diagram

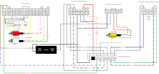
Installing your new car stereo can be complicated if you don't have a specific diagram to work from. At Mobile Information Labs, we provide custom instructions for do-it-yourself car stereo wiring. From car accessory removal to custom woofer boxes construction, we offer informative and user-friendly guides at low prices. You will find our vehicle-specific car stereo wiring diagrams extremely ... From the thousand images on the web concerning sony cdx ca650x wiring diagram, we selects the best series using best quality simply for you all, and this photographs is actually considered one of pictures choices in your very best photos gallery in relation to Sony Cdx Ca650X Wiring Diagram.I hope you might as it. This graphic (Wiring Diagram For Sony Car Radio - The Wiring Diagram in Sony ... Hi I'm trying to install a Sony CDX GT radio into my car and I have it helps ( see wiring diagram 3 and paragraph 3 for sony's details on the. Manuals and user guide free PDF downloads for Sony CDX GT - Radio / CD. Sony CDX-GT Wiring Harness. Position. WIRING DIAGRAM FOR SONY CDX-GT310. Wire Color Black. Ground.

Sony car radio wire diagram. Apr 11, 2019 - Sony Radio Wiring Diagram Excellent Shape For Xplod Car Stereo Inside On Stereo Wiring Diagram, best images Sony Radio Wiring Diagram Excellent Shape For Xplod Car Stereo Inside On Stereo Wiring Diagram Added on Wiring Diagram - floraoflangkawi.org Car Stereo Wiring Color Codes. The picture below shows the wiring color codes for a CEA aftermarket radio harness that is included with most radios. Brands like Pioneer, Alpine, Sony, Kenwood, JVC, Boss and Jensen. Apr 7, 2020 - Basic Wiring Diagram For Car Stereo and Alpine Car Stereo Wiring Diagram - Getting Started Of Wiring - 15+ Basic Wiring Diagram For Car Stereo .Basic Wiring Diagram For Car Stereo and Alpine Car Stereo Wiring Diagram - Getting Started Of Wiring - Wiringg.net What do the colors on your wiring harness mean? How do you connect your wiring harness or interface to your stereo? We'll show you! Full explanation on our b...

SONY Car Radio Stereo Audio Wiring Diagram Autoradio connector wire installation schematic schema esquema de conexiones stecker konektor connecteur cable shema car stereo harness wire speaker pinout connectors power how to install.. SONY Car radio wiring diagrams. Car radio wire diagram stereo wiring diagram gm radio wiring diagram. If you are a big music fan, then owning a quality stereo system for your car is a must. That factory-installed stereo that is original to your vehicle can limit your options for good sound. That is why you have purchased a new Sony car stereo to replace the old radio. The only thing left to do is to learn how to install your new stereo and remove the original stereo. 77 Elegant 2012 Dodge Ram Radio Wiring Diagram- Car radio installation trimmings comprise of harness adapters leads, fascia adapters, stalk/steering wheel direct adapters (also known as smart leads) and aerial adapters. 2010 Dodge Grand Caravan Radio Wiring Diagram SchemaDodge Ram 1500 Wiring Diagram Wiring Diagrams BlogOne or more of the above adaptors may be needed like you are installing an ... A wiring diagram is a streamlined traditional pictorial representation of an electric circuit. View online or download pioneer deh s31bt operation manual. These adaptors are made to make it easy to connect your new stereo to the car s existing clip. Brands like pioneer alpine sony kenwood jvc boss and jensen.

Sony Xplod. Kenwood Stereo. Speakers. Car Stereo in Home. Car Stereo in Home: I needed a stereo in the den of my new home and did not really want to spend much money. When moving I found a older car stereo I no longer used and a few speakers. ... Wiring Diagram For Jvc Car Stereo Readingrat Throughout Wiring Diagram Jvc Car Stereo 580×300 For ... What is the wire color and function of each pin on the 9-pin wiring harness? Information about installing a Sony car stereo or mobile audio system. The wired remote control for my car stereo is not working. ASC Car Stereo Power Speaker Wire Harness Plug for Sony / Xplod / ES 16 Pin Aftermarket DVD Nav Radio XAV-68BT XAV-65BT XAV68BT XAV65BT + More- Not for all Sony 4.4 out of 5 stars 72 $15.95 $ 15 . 95 for Sony Car Stereo Wiring Diagrams! In order to install your new Sony stereo or for information on upgrading, you will need the proper wiring diagrams. Mobile Information Labs can provide you with our extensive database, there are over 8000 different vehicles and all of our guides are easy to use and can save you time-along with low prices.

vintage orange car during daytime

vintage orange car during daytime

11.10.2018. 11.10.2018. 1 Comments. on Sony Mex-bt2700 Wiring Diagram. Download SONY MEX-BT BTE BT service manual & repair info for electronics experts. Unable to pair a Bluetooth device with the Bluetooth audio system when connected to my mobile phone. How to establish a manual connection from the car. SERVICE MANUAL.

Club de Centre Rural: Perspective Sketch (1943) // Le Corbusier French, born Switzerland, 1887-1965

Club de Centre Rural: Perspective Sketch (1943) // Le Corbusier French, born Switzerland, 1887-1965

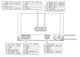
Car Amplifier Connection Diagram . Car Amplifier Connection Diagram . Car Audio Wiring Diagrams Jvc Stereo Diagram Color On within Auto. How to Wire A 5 Channel Amp Diagram Copy 4 Channel and Wiring. Car Audio Amp Wiring Diagrams Mechanic S Corner Pinterest with How

Toyota 2003 3.0L radio with JBL replacing with Sony MEX-N5100BT - DoItYourself.com Community Forums

Toyota 2003 3.0L radio with JBL replacing with Sony MEX-N5100BT - DoItYourself.com Community Forums

Aftermarket car stereo wiring color code diagrams. Aftermarket car stereo wiring diagrams for, Kenwood, Sony, Pioneer, Alpine, JVC and more! SAMPLE. Click image for a sample of Aftermarket wiring diagrams. Aftermarket Car Stereo Wiring Color Codes.

Installation Diagram for Stone Line (c. 1976) // Richard Long English, born 1945

Installation Diagram for Stone Line (c. 1976) // Richard Long English, born 1945

Sony Car Stereo Wiring Harness. Leave a Reply Cancel reply. Your email address will not be published. Required fields are marked * Comment. Name * Email * ... Car Speaker Wiring Diagram July 6, 2019; Proudly powered by WordPress . Follow Us; This website uses cookies to improve your experience. We'll assume you're ok with this, but you can opt ...

white Volkswagen Beetle on road at daytime

white Volkswagen Beetle on road at daytime

Wiring Diagram for sony Car Stereo - wiring diagram is a simplified pleasing pictorial representation of an electrical circuit. It shows the components of the circuit as simplified shapes, and the knack and signal connections with the devices. A wiring diagram usually gives recommendation virtually the relative tilt and harmony of devices and ...

car headlight

car headlight

Wiring Diagram For Sony Car Stereo - Comvt in Car Stereo Wire Diagram by admin Through the thousands of photographs on the internet with regards to car stereo wire diagram, we picks the best collections with best resolution exclusively for you all, and this pictures is actually one of photographs choices within our best graphics gallery concerning Car Stereo Wire Diagram.

Wiring Diagram For Sony Xplod Radio | Sony xplod, Wire ...

Wiring Diagram For Sony Xplod Radio | Sony xplod, Wire ...

Hi I'm trying to install a Sony CDX GT radio into my car and I have it helps ( see wiring diagram 3 and paragraph 3 for sony's details on the. Manuals and user guide free PDF downloads for Sony CDX GT - Radio / CD. Sony CDX-GT Wiring Harness. Position. WIRING DIAGRAM FOR SONY CDX-GT310. Wire Color Black. Ground.

Sebastian Bourdon (1733) // Laurent Cars French, 1699-1771

Sebastian Bourdon (1733) // Laurent Cars French, 1699-1771

From the thousand images on the web concerning sony cdx ca650x wiring diagram, we selects the best series using best quality simply for you all, and this photographs is actually considered one of pictures choices in your very best photos gallery in relation to Sony Cdx Ca650X Wiring Diagram.I hope you might as it. This graphic (Wiring Diagram For Sony Car Radio - The Wiring Diagram in Sony ...

Electro help: Sony CDX GT41US - FM/AM COMPACT DISC PLAYER ...

Electro help: Sony CDX GT41US - FM/AM COMPACT DISC PLAYER ...

Installing your new car stereo can be complicated if you don't have a specific diagram to work from. At Mobile Information Labs, we provide custom instructions for do-it-yourself car stereo wiring. From car accessory removal to custom woofer boxes construction, we offer informative and user-friendly guides at low prices. You will find our vehicle-specific car stereo wiring diagrams extremely ...

Car Radio Wiring Harness Diagram and Car Stereo Wiring ...

Car Radio Wiring Harness Diagram and Car Stereo Wiring ...

SOLVED: Speaker wire colors? - Fixya

SOLVED: Speaker wire colors? - Fixya

Sony Explode Radio Wiring Colors | Car stereo, Media room design, Sony car stereo

Sony Explode Radio Wiring Colors | Car stereo, Media room design, Sony car stereo

Dymaxion Car, Section (1933) // Richard Buckminster Fuller American, 1895-1983

Dymaxion Car, Section (1933) // Richard Buckminster Fuller American, 1895-1983

time lapse photography of man riding car

time lapse photography of man riding car

green off-road vehicle on snow during winter season

green off-road vehicle on snow during winter season

classic teal Chevrolet Impala hardtop coupe parked near tree under flyover during daytime

classic teal Chevrolet Impala hardtop coupe parked near tree under flyover during daytime

yellow sedan parked near red concrete building

yellow sedan parked near red concrete building

Soundstation Radio Alarm Clock (1996/98) // Matali Crasset (French, born 1965) Philippe Starck (French, born 1949) Manufactured by Thomson SA for Lexon (French, founded 1893)

Soundstation Radio Alarm Clock (1996/98) // Matali Crasset (French, born 1965) Philippe Starck (French, born 1949) Manufactured by Thomson SA for Lexon (French, founded 1893)

Sony Xplod 52wx4 Wiring Diagram - Free Diagram For Student

Sony Xplod 52wx4 Wiring Diagram - Free Diagram For Student

Sony Car Stereo Wiring Diagram - Cadician's Blog

Sony Car Stereo Wiring Diagram - Cadician's Blog

wiring diagram for the sony amplifer - Ford Taurus Forum

wiring diagram for the sony amplifer - Ford Taurus Forum

River City II: Geometry Study (n.d.) // Bertrand Goldberg American, 1913-1997

River City II: Geometry Study (n.d.) // Bertrand Goldberg American, 1913-1997

Wiring Diagram: 14 Sony Car Radio Wire Diagram

Wiring Diagram: 14 Sony Car Radio Wire Diagram

H264 DVR Circuit Diagram

H264 DVR Circuit Diagram

860-880 North Lake Shore Drive, Electrical Riser Diagram (11/28/1949) // Ludwig Mies van der Rohe (American, born Germany, 1886–1969) Associate Architect: Holsman, Holsman, Klekamp and Taylor (American, 20th century) Associate Architect: Pace Associates (American, 20th century) Structural Engineer: Frank J. Kornacker (American, active 1940s–1950s)

860-880 North Lake Shore Drive, Electrical Riser Diagram (11/28/1949) // Ludwig Mies van der Rohe (American, born Germany, 1886–1969) Associate Architect: Holsman, Holsman, Klekamp and Taylor (American, 20th century) Associate Architect: Pace Associates (American, 20th century) Structural Engineer: Frank J. Kornacker (American, active 1940s–1950s)

Wiring And Fuse Image - All Free Accessed Wiring Databse

Wiring And Fuse Image - All Free Accessed Wiring Databse

FORD Car Radio Stereo Audio Wiring Diagram Autoradio connector wire installation schematic schema esquema de conexiones stecker konektor connecteur cable shema

FORD Car Radio Stereo Audio Wiring Diagram Autoradio connector wire installation schematic schema esquema de conexiones stecker konektor connecteur cable shema

[DIAGRAM] Wiring Diagram Sony Xplod Car Stereo FULL ...

[DIAGRAM] Wiring Diagram Sony Xplod Car Stereo FULL ...

wiring diagram | Tylerwatt12.com

wiring diagram | Tylerwatt12.com

Block-Neighborhood-Community: Diagram (n.d.) // Bertrand Goldberg American, 1913-1997

Block-Neighborhood-Community: Diagram (n.d.) // Bertrand Goldberg American, 1913-1997

white car crossing body of water

white car crossing body of water

SONY Car Radio Stereo Audio Wiring Diagram Autoradio connector wire installation schematic schema esquema de conexiones stecker konektor connecteur cable shema

SONY Car Radio Stereo Audio Wiring Diagram Autoradio connector wire installation schematic schema esquema de conexiones stecker konektor connecteur cable shema

blue sedan on snow ground

blue sedan on snow ground

madcomics: Sony Car Radio Wiring Color Code

madcomics: Sony Car Radio Wiring Color Code

Car Amplifier Connection Diagram in 2021 | Sony car stereo, Car stereo, Car amplifier

Car Amplifier Connection Diagram in 2021 | Sony car stereo, Car stereo, Car amplifier

Marina City: Finish Diagram (n.d.) // Bertrand Goldberg American, 1913-1997

Marina City: Finish Diagram (n.d.) // Bertrand Goldberg American, 1913-1997

need help with the installation of a sony aftermarket radio - Toyota 4Runner Forum - Largest 4Runner Forum

need help with the installation of a sony aftermarket radio - Toyota 4Runner Forum - Largest 4Runner Forum

The Sunny South (1939) // Walter W. Ellison American, 1899-1977

The Sunny South (1939) // Walter W. Ellison American, 1899-1977

0 Response to "38 sony car radio wire diagram"

Post a Comment

Iklan Atas Artikel

Iklan Tengah Artikel 1

Iklan Tengah Artikel 2

Iklan Bawah Artikel