38 zoeller sump pump parts diagram
Shop for Sewage Pump Parts at Walmart.com. Save money. Live better. ... was $577.10. ZOELLER N264 Waste-Mate 4/10 HP 2" Manual Submersible Sewage Pump 115V. Zoeller's automatic sump pump, model M98, used in residential applications. Select the revision code from your pump tag, then see the parts break-down for ...
WIRING DIAGRAM FOR MODELS. “M266-A” and “M266-B” ... (502) 778-2731 • 1 (800) 928-PUMP • FAX (502) 774-3624 visit our web site: www.zoeller.com.

Zoeller sump pump parts diagram
Wiring Diagram For Zoeller Pump. This troubleshooting information is intended to guide in the general determination of pump problems and their solutions. Aquanot fit 508 battery backup system offers an economical option for dependable protection against basement flooding. Zoeller Sump Pump Parts Dewatering Oil Detection Systems By Zoeller. (502) 778-2731 • 1 (800) 928-pump • fax (502) 774-3624 visit our web site: www.zoeller.com replacement parts list for models: m267 automatic 115v d267 automatic 230v n267 nonautomatic 115v e267 nonautomatic 230v wm267 automatic w/wired fl oat switch 115v run o.l. motor (3) blue red float black white green l1 l2 004620 start (1) (2) yellow ... protection. Refer to ZM1342, Zoeller's simplex and duplex panel selection guide. 6. The tank is to be vented in accordance with local plumbing code. Pumps must be installed in accordance with the National Electrical Code and all applicable local codes and ordinances. Pumps are not to be installed in
Zoeller sump pump parts diagram. Sump and Effluent Pumps. This collection of pumps is designed for use in sump pits or for general transfer of water with solids less than 2" (50 mm) in spherical diameter. Submersible Pump. Dewatering (Sump) passes 3/8" (9.5 mm) spherical solids. PumpProducts.com Stocks: Zoeller Pump Parts & Repair Kits, M53 Parts, Sump Pump Parts, Check Valves, Dialelectric Oil, M98 Parts, M267 Parts, Home Guard 502 Parts, Model 503 Parts, Qwik Jon Replacement Parts, M264 Parts, 507 Parts, Pump Flanges, Sewage Pump Parts, Grinder Pump Parts, Water Pump Parts, Pump Repair Kits, Dialectric Oil, Switches ... Select a Sump Pump From Zoeller at Home to Prevent Flooding in Your Basement. Zoeller at Home provides high-quality sump pumps and accessories for your home's basement or crawl space. Protect your investment with a sump pump that can drain water away from your living space and prevent water and electrical damage. WIRING DIAGRAM FOR MODELS "M264-A" and "D264-A" 6/96 thru Current TO ORDER REPLACEMENT PARTS: PLEASE FURNISH THE FOLLOWING INFORMATION: SECTION: 6.10.305 FM1543 1107 Supersedes 0306 • Model Number. • Part Number of Pump. • Part Number and Description of part. WIRING DIAGRAM FOR MODELS "N264-A" and "E264-A" 6/96 thru Current
Submersible Well Pump Wiring Diagrams Lovetoknow. Model 98 Sump Pump Zoeller Pump Company. 537017 3 Zoeller Explosion Proof Simplex And Duplex Control Panel. Zoeller Zoeller 10 2149 Oil Smart Simplex Control Panel 115v 1ph. Sump Pump Float Switch Wiring Diagram. 2737112 Zoeller Pump Wiring Diagram Wiring Resources. Our plumbing experts are also able to cross reference most sump pump models to ensure you get the parts you need. Whether you need a switch, floats, cases, pump stand or arm assemblies, CPS carries a wide selection of Zoeller sump pump parts and can access many more, and ship directly to you. submersible dewatering and sewage pumps. The same high quality workmanship and easy maintenance design has been incorporated into this line of heavy-duty submersible grinder pumps. This manual incorporates the parts list and repair instructions into one document to aid in the ownership of a Zoeller ® submersible grinder wastewater product. When it comes to ZOELLER Pumps Parts you can count on Grainger. Supplies and solutions for every industry, plus easy ordering, fast delivery and 24/7 ...
There are 3 basic parts to the switch assembly: the switch, the gasket and the cast iron case/cap which houses the switch. The switch will undoubtedly fail before the gasket; however Zoeller Pump Company recommends replacing the gasket whenever the switch is replaced. Submersible Sump Pumps By Zoeller are great for pumping out the water in your steel handles and guards, have automatic reset thermal overload protection, can View 50 series pump performance curve chart -- View 50 series pump . volt or volt (60 Hz, single phase) these 1/2 HP pumps come with a 15' electrical. visit our web site: www.zoeller.com. TO ORDER REPLACEMENT PARTS: PLEASE FURNISH THE FOLLOWING INFORMATION: • Model Number. • Part Number of Pump. 1. Zoeller Progressing Cavity Grinder Pumps are designed for grinding and pumping sanitary sewage from submersible lift stations. The pump is intended to grind and pump reasonable quantities of items normally found in sanitary sewage applications. 2. Zoeller 7020 and 7021 Progressing Cavity Grinder Pumps can be
Zoeller Pump Parts. There is a Minimum Advertised Price (MAP) allowed by the manufacturer on this product. Add item to cart for lowest price. Do not use this item for any installation or repair of potable water applications. This product does not comply with the "Safe Drinking Water Act," which requires that products meet low-lead standards in ...
Amazon's Choice for Zoeller Sump Pump Parts. Zoeller 004892 Effluent Pump | Switch for 53-0001. 4.7 out of 5 stars 218. $63.88 $ 63. 88. Get it as soon as Fri, Nov 19. FREE Shipping by Amazon. Only 7 left in stock - order soon. Zoeller 53-0016 115-Volt 0.3 Horse Power Model M53 Mighty-Mate Automatic Cast Iron Single Phase Submersible Sump ...
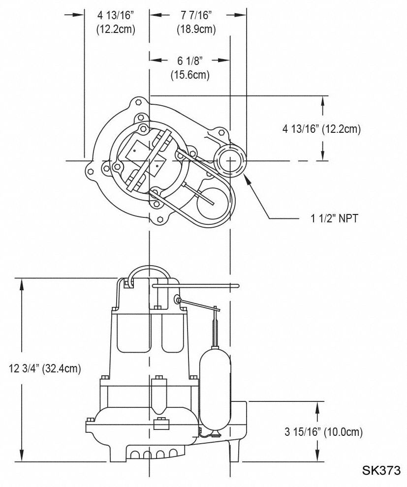
Zoeller Flow-Mate Dewatering/Effluent Submersible Sump Pumps. Non-Automatic. Automatic. Variable Level Float Switch. 1/2 HP - 115 volt or 230 volt, single phase - 1-1/2" NPT discharge. The Flow-Mate 137 series are completely cast iron constructed, the motor and pump housing, the switch case, and the base and impeller, all made from durable cast ...
1) See FM0160 Parts Price Sheet for listing of parts prices. 2) "NA" indicates, not applicable. 3) If an "X" follows Model No., or Date Mfg. on brass ID tag, consult factory for ordering of this part. 4) When ordering these parts, customer must identify G.E., EMD or TPIC. 5) Kits are supplied with two different length screws for mounting
3) When ordering these parts, customer must identify if switch is a General Electric switch. 4) See FM0160 Parts Price Sheet for listing of parts prices. 5) "NA" indicates, not applicable. 6) If an "X" follows Model No., or Date Mfg. on ID tag, consult factory for ordering any parts. See back page for illustration.
Zoeller 840 0004 Model E840 Shark Series Grinder Pump 2 Hp 230 Volts 1 Phase 1 1 4 Npt Vertical Discharge 45 Gpm Max 104 Ft Max Head 20 Ft Cord Manual
3) When ordering these parts, customer must identify if switch is a General Electric switch. 4) If an "X" follows model no., or date mfg. on brass ID tag, consult factory for ordering any parts. 5) See FM0160 parts price sheet for listing of parts prices. 6) "NA" indicates, not applicable.
via YouTube Capture
WIRING DIAGRAM FOR MODELS. “M98-”All revisions” ... Visit our website: zoellerpumps.com ... 1) See FM0160 Parts Price Sheet for listing of part prices.
2) See FM0160 Parts Price Sheet for listing of parts prices. 3) "NA" indicates, not applicable. 4) If an "X" follows Model No., or Date Mfg. on brass ID tag, consult factory for ordering any
The Zoeller at Home 1/3 HP Cast Iron Submersible Sump Pump is the perfect size for installation in small- to average-sized homes in areas with normal annual rainfall. They are 100% factory-tested and suitable for sump pits at least 10 inches wide by 18 inches deep.
NOT use an extension cord with a sump pump. 6. DO install a check valve and a union in the discharge line. DO. NOT use a discharge pipe smaller than the pump discharge. 7. DO NOT use a sump pump as a trench or excavation pump, or for pumping sewage, gasoline, or other hazardous liquids. 8.
WIRING DIAGRAM FOR MODELS "N53-A", "N53-B" and "N53-C" "E53-A", "E53-B", and "E53-C" 9/81 (VM) thru Current TO ORDER REPLACEMENT PARTS: PLEASE FURNISH THE FOLLOWING INFORMATION: • Model number • Part number of pump (If manufactured prior to June 1988, give 2 letter data code following Model No.)
4) See FM0160 Parts Price Sheet for listing of parts prices. 5) "NA" indicates, not applicable. 6) If an "X" follows Model No., or Date Mfg. on brass ID tag, consult factory for ordering any parts. 7) For pumps with date code prior to 9/86 the replacement case and switch will have a new style switch. DATE CODE OF MANUFACTURE
Shop for Zoeller in Pump Parts & Accessories at Ferguson. Ferguson is the #1 US plumbing supply company and a top distributor of HVAC parts, waterworks supplies, and MRO products.
Zoeller ® is a registered ... submersible pump and connected to all exposed metal parts of the pump and motor. Refer to the most recent National Electric Code (NEC) Article 250 (grounding) for additional information. NOTE: All wiring should be done by a qualified electrician. DESCRIPTION QUANTITY
How To Purchase Replacement Parts Shown In the Zoeller M53 Parts Diagram. Here are the four steps to purchase replacement parts. 1) Identify the Model Number. 2) Find the part number on the Replacement Parts List based on pump revision date and Model identification. 3) Write down both the part number and the part description.
protection. Refer to ZM1342, Zoeller's simplex and duplex panel selection guide. 6. The tank is to be vented in accordance with local plumbing code. Pumps must be installed in accordance with the National Electrical Code and all applicable local codes and ordinances. Pumps are not to be installed in
(502) 778-2731 • 1 (800) 928-pump • fax (502) 774-3624 visit our web site: www.zoeller.com replacement parts list for models: m267 automatic 115v d267 automatic 230v n267 nonautomatic 115v e267 nonautomatic 230v wm267 automatic w/wired fl oat switch 115v run o.l. motor (3) blue red float black white green l1 l2 004620 start (1) (2) yellow ...
Wiring Diagram For Zoeller Pump. This troubleshooting information is intended to guide in the general determination of pump problems and their solutions. Aquanot fit 508 battery backup system offers an economical option for dependable protection against basement flooding. Zoeller Sump Pump Parts Dewatering Oil Detection Systems By Zoeller.
0 Response to "38 zoeller sump pump parts diagram"
Post a Comment