Iklan 300x250

34 craftsman lawn tractor steering diagram

GardenPal 738-0919A 738-0919B Steering Shaft Compatible with MTD Troy-Bilt Murray 753-04517 738-0919 Fits Craftsman T1000, MTD, LT1500, LT2000, LT2500 Model Lawn Tractor Replacement Parts 4.8 out of 5 stars 7

Steering diagram for a craftsman lt1000 lawn tractor. Steering wheel turns but wheels don't on my craftsman lt1000 lawn tractor. Where the steering shaft attaches to the wheels the shaft has popped off and will not stay on. I realize that a part is missing but the searspartsdirect.com website does not show pictures of the parts for this model.

Craftsman 917273522 front-engine lawn tractor parts - manufacturer-approved parts for a proper fit every time! We also have installation guides, diagrams and manuals to help you along the way! Sears Parts Direct. Please enter one or more characters ... Steering assembly Diagram.

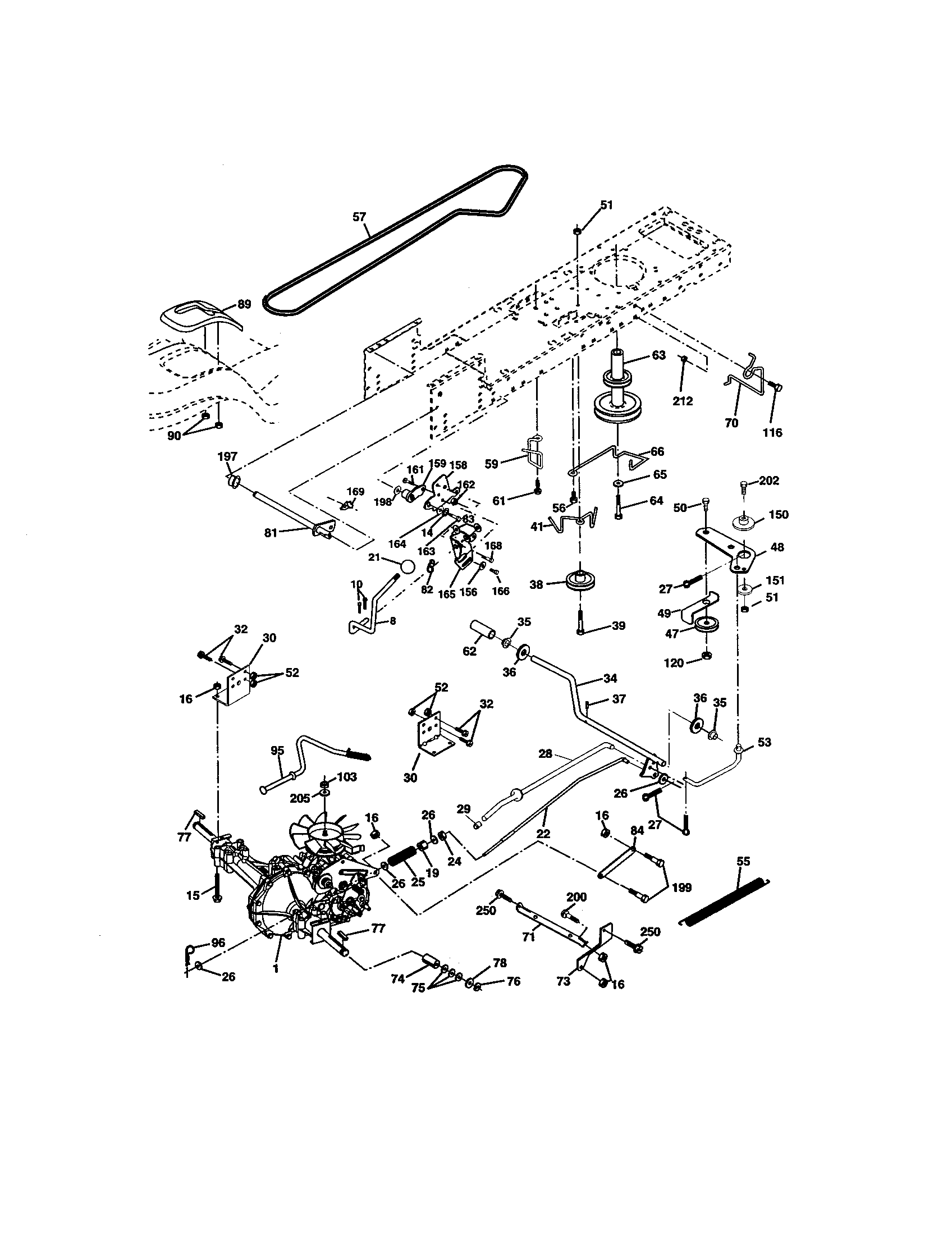
Craftsman lawn tractor steering diagram

Craftsman lawn tractor steering diagram

Craftsman 917289263 front-engine lawn tractor parts - manufacturer-approved parts for a proper fit every time! We also have installation guides, diagrams and manuals to help you along the way! ... Steering Diagram. Lawn tractor washer. Part #121749X . This item is not returnable.

MTD 13AJ78SS099 (247.288841) (LT2000) (2011) Steering & Front Axle Exploded View parts lookup by ... Front Steering Gear Assembly ... CAP CRAFTSMAN SMALL.

UPDATE: Had some issues with this part and made modifications after doing this video. Here is the video with the updated part https://youtu.be/xtsJ-esWQKoTh...

Craftsman lawn tractor steering diagram.

Sears Craftsman LT1750 LT 1750 42" Lawn Tractor Mower Deck Parts Rebuild Kit. $159.95. Free shipping.

Craftsman lawn tractor steering diagram. This is a genuine manufacturer-approved component which is specially designed for use with Craftsman riding lawn mowers and garden tractor s. The bushing helps the steering shaft to rotate freely with minimum friction while ensuring a tight fit. It provides an identical replacement for a missing or a faulty hardware that was installed on a new unit ...

Model #917273180 Craftsman lawn tractor. Here are the diagrams and repair parts for Craftsman 917273180 lawn tractor, as well as links to manuals and error ...

Craftsman Hydrostatic Transmission Diagram 917289470 Craftsman 26 Hp 54 Inch Automatic Garden Tractor Manual. Craftsman Hydrostatic Transmission Diagram Craftsman 917259592 Hydro Gear Transaxle Model Number 310 0650. Craftsman Hydrostatic Transmission Diagram Craftsman T150 19 Hp Hydrostatic 46 In Riding Lawn Mower With.

130.280110 (2690978) - Craftsman LT2146 Series 46" Lawn Tractor, 21hp. 130.280111 (2690978A) - Craftsman LT2146 Series 46" Lawn Tractor, 21hp. 130.280120 (2690980) - Craftsman LT2452 Series 52" Lawn Tractor, 24hp.

Riding Lawn Mowers. Whether mulching, bagging, or just mowing, larger lawns need riding mowers. CRAFTSMAN® Mowers with Turn-Tight Radius improve maneuverability and grass cutting efficiency. Models include decks from 30 in. mini battery-powered models to 4-cycle garden tractors with 54 in. decks. visibility_off Hide filters.

Quality Craftsman Lawn Mower Steering Parts From Repair Clinic Our Craftsman lawn mower steering parts aim to help owners of Craftsman lawn tractors get back on the right track. Enter the model number of your Craftsman lawn tractor or lawn mower in the search bar to find the part(s) necessary to fix your steering problem.

917.252520 - Craftsman Lawn Tractor STEERING Parts Diagram. Lawn Tractor. STEERING Parts Diagram. Title; 1. Electrolux/AYP Part# 139768. SUB= 150547. Usually ships same day. Not available $ $ 2. Electrolux/AYP Part# 142033. AXLE ASM FRONT (Superseded to 532142033) Usually ships same day. Not available $ $ 3. Electrolux/AYP Part# 135227. SPINDLE LH (Superseded to 532135227) Usually ships same ...

Model #917274961 Craftsman lawn tractor. Here are the diagrams and repair parts for Craftsman 917274961 lawn tractor, as well as links to manuals and error ...

27 Craftsman Dls 3500 Parts Diagram Wiring List. Craftsman Riding Mower Steering Parts 3000 Lawn Tractor Cut Book. Craftsman Riding Lawn Mower Parts Diagram The Garden. Steering Assembly Diagram Parts List For Model 917273070. 35 Craftsman Lt1000 Drive Belt Diagram Wiring List. Xv 2766 Craftsman Mower Deck Diagram Lawn.

Buy a Lawn Tractor Steering Shaft [738P07154] for your Lawn Equipment - We have the parts and diagrams to make your repairs easy.

Sears Craftsman 21 0 H P 42 6 Sp Lawn Tractor Owner Parts Manual 917 271832. Sears Craftsman Lt 11 Riding Lawn Tractor Mower Owner Parts Manual 917 254230. Riding Mower And Garden Tractor Belt Routing Diagrams Craftsman Lawn Repair. Sears Lawn Tractor 12 5 Owner Parts Transaxle Service 2 Manual S 917 255520.

MTD 13BJ78SS099 (247.288843) (LT2000) (2013) Parts Diagram for ...

Mtd 13bj78ss099 (247.288843) (lt2000) (2013) parts diagram for ...

Home Decorating Style 2021 for Craftsman Lawn Tractor Steering Diagram, you can see Craftsman Lawn Tractor Steering Diagram and more pictures for Home Interior Designing 2021 51033 at Resume Design Collections.

Craftsman 917273021 User Manual TRACTOR Manuals And Guides 98100083

Craftsman 917273021 user manual tractor manuals and guides 98100083

Craftsman Tractors Exploded View parts lookup by model. Complete exploded views of all the major manufacturers. ... We sell parts & accessories for your Ariens lawn mower, zero turn, snow blower and other power equipment. ... Craftsman Tractors Parts Diagrams 1C1A7A (1994) 1D2A3A (1993) 1E2A9A (1993) 1H2A9A (1993)

MTD 13AL78XT099 (247.203740) (T1600) (2014) Parts Diagram for ...

Mtd 13al78xt099 (247.203740) (t1600) (2014) parts diagram for ...

Steering And Front Axle Diagram - Craftsman 917.254791 Owner's Manual. 12.5 hp ohv electric start 38" mower 5 speed transaxle. Show thumbs.

MTD 13AQA1ZT099 (247.204420) (T8200) (2015) Parts Diagram for Steering

Mtd 13aqa1zt099 (247.204420) (t8200) (2015) parts diagram for steering

Lawn Tractor Blade Drive Belt, 1/2 x 95-1/4-in 532144959 parts - manufacturer-approved parts for a proper fit every time! We also have installation guides, diagrams and manuals to help you along the way!

Craftsman 917270654 front-engine lawn tractor parts | Sears ...

Craftsman 917270654 front-engine lawn tractor parts | sears ...

Craftsman 917270514 front-engine lawn tractor parts - manufacturer-approved parts for a proper fit every time! We also have installation guides, diagrams and manuals to help you along the way!

Craftsman 247.289010 (13AN771S099) - Craftsman LT1500 Lawn Tractor ...

Craftsman 247.289010 (13an771s099) - craftsman lt1500 lawn tractor ...

Description: Craftsman Tractor Gt 6000 Bad Steering Fix - Youtube with Craftsman Gt 5000 Parts Diagram, image size 480 X 360 px Description : Want Info About Used Craftsman Gt5000 in Craftsman Gt 5000 Parts Diagram, image size 907 X 680 px, and to view image details please click the image.

STEERING ASSEMBLY Diagram & Parts List for Model 917273070 ...

Steering assembly diagram & parts list for model 917273070 ...

Com Mr Mower Parts Ayp 42 Deck Rebuild Kit For Sears. 26 Best 42 Inch Craftsman Deck Images In 2020 Mower. Vz 7701 Craftsman Mower Deck Diagram Lawn. Sears Craftsman 21 Hp Lt1000 Lawn Mower Tractor 917 273522 Owner. Craftsman 25587 42 19 Hp Briggs Stratton Fender Hydro Automatic.

MTD 13B226JD099 (247.290000) (R1000) (2014) Parts Diagram for ...

Mtd 13b226jd099 (247.290000) (r1000) (2014) parts diagram for ...

Craftsman yt 3000 steering parts off 72 craftsman lawn tractor 917289240 craftsman t1000 parts diagram off 69 craftsman lawn tractor 247288810

Troy Bilt 13WN77KS011 Pony (2013) Parts Diagram for Steering Assembly

Troy bilt 13wn77ks011 pony (2013) parts diagram for steering assembly

Craftsman 917270750 front-engine lawn tractor parts - manufacturer-approved parts for a proper fit every time! We also have installation guides, diagrams ...

Craftsman 247273430 transmission diagram | Lawn tractor, Craftsman ...

Craftsman 247273430 transmission diagram | lawn tractor, craftsman ...

RIGHT HAND BALL JOINT. Part Number: 245013. Specs. Male Thread 3/8" -24 RH. Female Thread 7/16" -20 RH. Equipment Type Lawn Mower. Fits Model. MTD : All 1997 and newer tractors (except 995 models) CRAFTSMAN : 247288841 series mower.

944.362080 Manual for Craftsman Self-Propelled Lawn Mower – DR ...

944.362080 manual for craftsman self-propelled lawn mower – dr ...

09.10.2018. 09.10.2018. 2 Comments. on Craftsman Riding Lawn Mower 18hp Engine Wiring Diagram. This diagram should work for your mower. for starting system, for Model # CRAFTSMAN Lawn, Riding Mower Rear Engine. I can get the starter motor to turn and the engine cranks, but I also need to Craftsman LT lawn tractor - how-to by-pass the wiring ...

Sears Craftsman Riding Lawn Mower Steering Assy Kit Replaces ...

Sears craftsman riding lawn mower steering assy kit replaces ...

Craftsman repair parts and parts diagrams for Craftsman 247.273340 (13AAA1ZW099) - Craftsman T3200 Lawn Tractor (2018)

Craftsman 917272681 front-engine lawn tractor parts | Sears ...

Craftsman 917272681 front-engine lawn tractor parts | sears ...

Steering & Front Axle diagram and repair parts lookup for Craftsman 247.203761 (13AP78XS099) - Craftsman T1800 Lawn Tractor (2015) Order Status Customer Support 512-288-4355 My Account Login to your PartsTree.com to view your saved list of equipment.

CRAFTSMAN LAWN TRACTOR 917.270822 OWNER'S MANUAL Pdf Download ...

Craftsman lawn tractor 917.270822 owner's manual pdf download ...

Craftsman Lawn Mower 247.28911. Craftsman 42" Briggs & Stratton 17.5 hp Gas Powered Riding Lawn Tractor Operator's Manual. Pages: 92.

MOWER DECK Diagram & Parts List for Model 917270810 Craftsman ...

Mower deck diagram & parts list for model 917270810 craftsman ...

Craftsman Gt5000 Lawn Tractor Parts Diagram. Aaron Dean August 6, 2021. 21 Gallery Of Craftsman Gt5000 Lawn Tractor Parts Diagram. Craftsman Lawn Tractor Parts Diagram. Craftsman Lawn Tractor Steering Diagram. Craftsman Lawn Mower Parts Diagram. Craftsman Riding Lawn Mower Parts Diagram.

Loose Steering Fix, ideas? Video & Pic | My Tractor Forum

Loose steering fix, ideas? video & pic | my tractor forum

Craftsman Yt 3000 Parts Diagram. REPAIR PARTS MANUAL. MODEL NO. This manual is designed to provide the customer with a means to identify the parts on his/her tractor when ordering repair .. Hydro Gear X Console Automatic YT/GT. diagramweb.net: Sears Craftsman YT YTS DLS DYS YS 46" Mower Deck Parts Rebuild Kit Spindle Assemblies Blades Belt ...

Craftsman Lawn Tractor sloppy loose steering - DoItYourself.com ...

Craftsman lawn tractor sloppy loose steering - doityourself.com ...

Craftsman 917288520 front-engine lawn tractor parts - manufacturer-approved parts for a proper fit every time! We also have installation guides, diagrams ...

Craftsman Riding Mower Broken Steering Repair

Craftsman riding mower broken steering repair

Lawn Mower Steering Parts. 1bf63 Craftsman Lt2000 18 Hp Manual Wiring Library. Wrg 4423 Signature 2000 Lawn Mower Wiring Diagram. Solved Repair Manual For Craftsman Riding Mower. Craftsman Lt1000 Parts. 697ae Wiring Diagram For Craftsman Engines Library. 917 287241 Craftsman 21 Hp 46 Inch Automatic Lawn Tractor Manual.

MTD 13AD78XS099 (247.203733) (T1400) (2015) Parts Diagram for ...

Mtd 13ad78xs099 (247.203733) (t1400) (2015) parts diagram for ...

Craftsman Lawn Tractor 917258470 Steering stopped working, shaft PART NUMBER: 156545 extremely sloppy in support shaft PART NUMBER: 124035X. On disassembly, only 2 washers in place of PART NUMBER: 126684X and PART NUMBER: STD551125 on steering diagram. If there should be two washers then this might solve my whole problem.

Craftsman 917270912 User Manual 19.5HP 42 LAWN TRACTOR Manuals And ...

Craftsman 917270912 user manual 19.5hp 42 lawn tractor manuals and ...

Craftsman Lawn Tractor Steering Diagram. Craftsman Lawn Tractor Steering Diagram. marlene.beahan August 7, 2021 Templates No Comments. 21 posts related to Craftsman Lawn Tractor Steering Diagram. Craftsman Lawn Tractor Parts Diagram. Craftsman Gt5000 Lawn Tractor Belt Diagram. Craftsman Lawn Tractor Drive Belt Replacement . Ford 5000 Tractor Power Steering Diagram. Mtd Lawn Tractor Wiring ...

MTD 13AL78ST099 (247.288852) (2012) Parts Diagram for Mower Deck ...

Mtd 13al78st099 (247.288852) (2012) parts diagram for mower deck ...

Craftsman Exploded View parts lookup by model. Complete exploded views of all the major manufacturers. ... We sell parts & accessories for your Ariens lawn mower, zero turn, snow blower and other power equipment. ... Craftsman Parts Diagrams Tractors. JACK'S Newsletter.

Craftsman Lawn Tractor | 917288525 | eReplacementParts.com

Craftsman lawn tractor | 917288525 | ereplacementparts.com

MTD 13BL78ST299 (247.288862) (LT2000) (2013) Parts Diagram for ...

Mtd 13bl78st299 (247.288862) (lt2000) (2013) parts diagram for ...

Craftsman Lawn Tractor | 917203810 | eReplacementParts.com

Craftsman lawn tractor | 917203810 | ereplacementparts.com

Craftsman Lawn Tractor | 917270750 | eReplacementParts.com

Craftsman lawn tractor | 917270750 | ereplacementparts.com

Craftsman Tractor Belt Diagram | CRAFTSMAN Tractor Transaxle Parts ...

Craftsman tractor belt diagram | craftsman tractor transaxle parts ...

Craftsman 917289071 front-engine lawn tractor parts | Sears ...

Craftsman 917289071 front-engine lawn tractor parts | sears ...

Craftsman 917.252521 - Craftsman Lawn Tractor Parts Lookup with ...

Craftsman 917.252521 - craftsman lawn tractor parts lookup with ...

MOWER DECK Diagram & Parts List for Model 917275810 Craftsman ...

Mower deck diagram & parts list for model 917275810 craftsman ...

Craftsman 917255692 User Manual Lawn, Tractor Manuals And Guides ...

Craftsman 917255692 user manual lawn, tractor manuals and guides ...

Craftsman 917.252521 - Craftsman Lawn Tractor Parts Lookup with ...

Craftsman 917.252521 - craftsman lawn tractor parts lookup with ...

CRAFTSMAN 917.254520 OWNER'S MANUAL Pdf Download | ManualsLib

Craftsman 917.254520 owner's manual pdf download | manualslib

Craftsman 917370441 gas walk-behind mower parts | Sears PartsDirect

Craftsman 917370441 gas walk-behind mower parts | sears partsdirect

0 Response to "34 craftsman lawn tractor steering diagram"

Post a Comment

Iklan Atas Artikel

Iklan Tengah Artikel 1

Iklan Tengah Artikel 2

Iklan Bawah Artikel