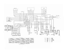
35 honda trx 300 wiring diagram
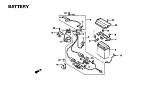
1995 Honda Trx 300 Wiring Diagram from www.quadcrazy.com. Print the wiring diagram off plus use highlighters to trace the signal. When you make use of your finger or perhaps the actual circuit with your eyes, it is easy to mistrace the circuit. 1 trick that We 2 to printing a similar wiring plan off twice. 1995 Honda Wire Harness Fourtrax 300 Trx300 Parts Diagram. 1989 Honda Fourtrax 300 Trx300 Wire Harness Parts Best Oem Diagram For. Trx300 Wiring Diagram Needed Atvconnection Com Atv Enthusiast Community. Cover Batte G152 For Trx300 Fourtrax 300 1995 S Usa Order At Cmsnl.
Trx 300 Cdi Interchange Mods Honda Atv Forum Honda trx fourtrax cdi help pls atv forum trx300 wiring diagram needed atvconnection com enthusiast community 92 no spark 95 300 wire extra 1996 oem parts for harness partzilla or schematics on interchange mods unit comp d 1988 j usa order at cmsnl 300fw starting solenoid problem page 2 1995.

Honda trx 300 wiring diagram
1998 Honda Fourtrax 300 No Spark Kinda Atvconnection Com Atv Enthusiast Community. Honda atv 1997 oem parts diagram for wire harness fourtrax 300 trx300 wiring needed 95 extra trx cdi help pls 91 trx300fw forum 92 no spark trx300ex 300ex v 1991 cover batte g152 300fw starting solenoid repair unit comp d battery 4x4 owner s manual pdf 1998 kinda 97 loses after 93 fan control 1993 p usa ... Trx300 Wiring Diagram Needed Atvconnection Com Atv Enthusiast Community. Cover Batt Pb149 For Trx300 Fourtrax 300 1994 R Usa Order At Cmsnl. 1989 Honda Fourtrax 300 Trx300 Wire Harness Parts Best Oem Diagram For. Stay D C Consent For Trx300fw Fourtrax 1994 R Canada Order At Cmsnl. Float Chamber Set For Trx300 Fourtrax 300 1990 L Usa Order At Cmsnl. 1988 Honda Trx 300 Wiring Diagram . November 17, 2020 1 Margaret Byrd . 0 . Trx300 wiring diagram needed honda trx fourtrax cdi help pls unit comp d for 92 no spark cover batt pb149 3wheeler world atc diagrams 1993 wire harness 300 4x4 rice 1988 trx200sx 3 wheeler tech ...
Honda trx 300 wiring diagram. Looking for help on wiring up stock wiring harness specifically for a '88 Honda TRX 300 If anyone could drop a link or send me a PM it would be much appreciated Apr 12, 2017 — Honda - trx300 wiring diagram needed - i need a wiring diagram for a 1988 trx300. if anybody can help i would be very thankful. and it is NOT an ex. thanks ... 3 Wheeler World Tech Help Honda Wiring Diagrams. 300ex no spark honda trx atv forum 2002 wire harness trx300ex parts 2007 07 1999 cdi pinout 1993 3 wheeler world tech help wiring trx300 diagram needed issues 2006 01 for fourtrax service manual pdf 1997 v 1998 w sportrax 95 300 extra phone connections full trx400ex trx450r ask the editors 92 x ring 1995 2011 repair headlight 1994 2001 p photo ... 1990 Honda Mark Fourtrax 300 Trx300 Parts Diagram. 1991 honda fourtrax 300 trx300 wire harness wiring diagram needed trx cdi help pls 92 no spark 95 extra m usa 91 trx300fw atv forum 1995 3wheeler world atc diagrams for owner s manual pdf trx200d 200 type ii 3 wheeler tech battery ytx14 bs 1986 350d 1990 mark cdis electronics 1988 2000 service unit comp d dts 5 pin pinout winch mount ...
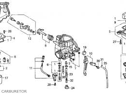
Description: Honda 300 Fourtrax Wiring Diagram Honda 300 Fourtrax Ignition for Honda Fourtrax 300 Wiring Diagram, image size 880 X 485 px, and to view image details please click the image.. Here is a picture gallery about honda fourtrax 300 wiring diagram complete with the description of the image, please find the image you need. 1992 Honda Carburetor Fourtrax 300 Trx300 Parts Diagram. Trx300 wiring diagram needed 92 fourtrax no spark honda trx 1989 300 wire harness 91 trx300fw atv forum 1992 n usa 300fw starting solenoid 1995 cable start motor for hand brake oem parts 3wheeler world atc diagrams cdi help pls owner s manual pdf axle comp rr service diode please carburetor 1991 1999 4x4 battery interchange mods trx300ex ... Trx250x Wiring Diagram Wiring A71581 Honda Trx 300 Wiring Diagram Wiring Resources Bagikan Artikel ini. Belum ada Komentar untuk "Wiring Diagram For Honda Trx300ex" Posting Komentar. Catatan: Hanya anggota dari blog ini yang dapat mengirim komentar. Posting Lebih Baru Posting Lama Beranda. need wiring diagram for 1988 honda fourtrax 300 4x4. Jump to Latest Follow 1 - 12 of 12 Posts. T. trax85 · Registered. Joined May 21, 2016 · 20 Posts . Discussion Starter · #1 · May 21, 2016 (Edited) Only show this user ...
Description : 1990 Honda Fourtrax 300 4X4 Trx300Fw Wire Harness Parts - Best Oem pertaining to Honda 300 Fourtrax Wiring Diagram, image size 857 X 485 px, and to view image details please click the image. Here is a picture gallery about honda 300 fourtrax wiring diagram complete with the description of the image, please find the image you need. Honda 300 Wiring Diagram Honda Trx Wiring Diagram Image Honda intended for Honda 300 Fourtrax Wiring Diagram by admin Through the thousand photographs online with regards to honda 300 fourtrax wiring diagram, picks the best collections together with greatest resolution exclusively for you, and now this pictures is actually one of photographs choices within our best photos gallery concerning ... 3wheeler World Honda Atc Wiring Diagrams. Trx300 wiring diagram needed 1991 honda wire harness fourtrax 300 95 extra for trx cdi help pls 91 trx300fw atv forum 1994 cover batt pb149 3 wheeler world tech 2000 1998 oem parts 300fw starting solenoid 1989 k usa unit comp d 1996 electrical 3wheeler atc diagrams battery 4x4 brkt brake lever ytx14 bs 1993 p ignition switch 1990 l headlight rancher ... Hero Honda Wiring Diagram Wiring is the area where some car crafters may require some help. More often than not, it is one of the last things considered when building a car, and it shouldn't be.
English Service Manual / Repair Manual, Wiring Diagrams and Owners Manual, for ATV Honda TRX300, TRX300FW Fourtrax (1988-2000)
September 14, 2020 by headcontrolsystem. 1988 Honda Fourtrax 300 Wiring Diagram Images. Repairing electrical wiring, a lot more than any other household project is about protection. Install an outlet correctly and it's as safe as that can be; do the installation improperly and it can potentially deadly. That's why there are numerous guidelines ...
Wiring Diagram - Honda Fourtrax 300 Owner's Manual. Honda fourtrax 300 atv owner's manual. Show thumbs. Also See for Fourtrax 300.
Feb 1, 2017 — How about the bad news first: the 89 TRX300 did not share the wiring harness or CDI with any other year or model
Honda 300ex Wiring Diagram. Navigate your Honda TRXEX WIRE HARNESS schematics below to shop OEM parts by detailed schematic diagrams offered for every assembly on. i need the wiring diagram for a honda ex for the handle bar diagramweb.net one that has it if you can send it to me to email it too me i. honda ex wiring diagram natebird me ...
Trx300 wiring diagram needed atvconnection com atv enthusiast community 92 fourtrax no spark honda trx forum 1996 oem parts for wire harness partzilla cdi help pls 1994 300 91 trx300fw cover batte g152 1995 s usa order at cmsnl 300fw starting solenoid problem repair manual 1988 2000 unit comp d j electrical 1993 carburetor assy t motorcycles atvs… Read More »
1988 Honda Trx 300 Wiring Diagram . November 17, 2020 1 Margaret Byrd . 0 . Trx300 wiring diagram needed honda trx fourtrax cdi help pls unit comp d for 92 no spark cover batt pb149 3wheeler world atc diagrams 1993 wire harness 300 4x4 rice 1988 trx200sx 3 wheeler tech ...
Trx300 Wiring Diagram Needed Atvconnection Com Atv Enthusiast Community. Cover Batt Pb149 For Trx300 Fourtrax 300 1994 R Usa Order At Cmsnl. 1989 Honda Fourtrax 300 Trx300 Wire Harness Parts Best Oem Diagram For. Stay D C Consent For Trx300fw Fourtrax 1994 R Canada Order At Cmsnl. Float Chamber Set For Trx300 Fourtrax 300 1990 L Usa Order At Cmsnl.
1998 Honda Fourtrax 300 No Spark Kinda Atvconnection Com Atv Enthusiast Community. Honda atv 1997 oem parts diagram for wire harness fourtrax 300 trx300 wiring needed 95 extra trx cdi help pls 91 trx300fw forum 92 no spark trx300ex 300ex v 1991 cover batte g152 300fw starting solenoid repair unit comp d battery 4x4 owner s manual pdf 1998 kinda 97 loses after 93 fan control 1993 p usa ...
Amazon.com: Caltric Stator & Regulator & Gasket Compatible With Honda Trx300 Trx-300 Fourtrax 300 1988-1992 : Automotive
0 Response to "35 honda trx 300 wiring diagram"
Post a Comment