35 john deere 755 parts diagram
A Worldwide Parts Services Distribution Network. The John Deere dealer is the first line of customer parts service. Throughout the world, there are dealers to serve Agricultural, Construction, Lawn and Grounds Care, and Off-Highway Engine customers. John Deere Parts Lookup -John Deere-70 Loader For 750/755/770/855 Tractors -PC2230 1990 Model M00070A010001-100000 70 Loader For 750/755/770/855 Tractors -PC2230 1991 Model M00070A100001-110000 70 Loader For 750/755/770/855 Tractors -PC2230 1992 Model M00070C110001-120000 70 Loader For 750/
Buy Genuine OEM John Deere parts for your John Deere 60-IN 3-Point Hitch Rear Discharge Rotary Mower (755, 855 Compact Utility Tractors) -PC1847 1987 Model M02890X555001-575000 60-IN 3-Point Hitch Rear Discharge Rotary Mower (755, 855 Compact Utility Tractors) -PC1847 1988-1990 None Manufactured 60-IN 3-Poi and ship today! Huge in-stock inventory of OEM John Deere parts.
John deere 755 parts diagram
John Deere 755B Exploded View parts lookup by model. Complete exploded views of all the major manufacturers. It is EASY and FREE JOHN DEERE 755. All States Ag Parts has salvaged a John Deere 755 Tractor for used parts. This unit was dismantled at Downing Tractor Parts In Downing, WI. Call 877-530-1010 to speak to a parts expert about availability and pricing. Reference number EQ-20056 for information about this particular unit. JOHN DEERE 655 755 855 955 756 856 COMPACT UTILITY TRACTOR Repair Manual.pdf John Deere 8100_8200_8300_8400 Tractors Workshop Manual.pdf John Deere F510 and F525 Residential Front Mowers Repair Manual.pdf
John deere 755 parts diagram. Diagram group 755 Crawler Loader John Deere : 1 TRACKS 1 CF. 2 AXLES AND SUSPENSION SYSTEMS 2 CF. 3 TRANSMISSION 3 CF. 4 ENGINE 4 CF. 5 ENGINE AUXILIARY SYSTEMS 5 CF. 8 TRANSFER DRIVE 8 CF. 11 PARKING - EMERGENCY BRAKES 11 CF. The John Deere 755 Tractor first came out at a price of $15,000 (1998), but you might be one of the lucky ones who found a good deal lower than that. The bad news is that, like any other tractor, the John Deere 755 Tractor needs spare parts to keep it running; the good news is that we have all the parts you need at 60% off dealer prices in our ... Get maximum value and performance with Genuine John Deere parts and products. From oil and coolants to wear parts and batteries, we have you covered. Learn More. Guides & Manuals. When it's time to maintain, service or repair your John Deere equipment we have easy-to-use information sheets that keep your compact utility tractor running well. Some of the parts available for your John Deere 755 include Clutch, Transmission, PTO, Electrical & Gauges, Engine and Overhaul Kits, Filters, Hitch | Drawbar, Hydraulic System, Lawn and Garden and Specialty Belts, Lights and Related, Manuals and DVDs, Radiator & Cooling System, Sheet Metal and Body, Shop Supply, Air Conditioning.
John Deere AG, Lawn & Garden and CWP Equipment Parts Search. John Deere parts lookup tool and diagram is an incredible online source. It is a complete catalog that shows you detailed parts diagrams of every part of your machine. This online parts catalog is robust and easy to use. Searching for your John Deere parts online has never been easier. John Deere 655-755-756-855-856-955 Tractors Service Repair Shop Manual. John Deere 670-770-870-970-1070 Tractors Service Repair Shop Manual. John Deere 850, 950 & 1050 Tractors Service Repair Shop Manual. John Deere 1020, 1520, 1530, 2020, 2030 Tractors Repair Repair Shop Manual. John Deere tractors: 4200, 4210, 4300, 4310, 4400, 4410, 4500, 4510, 4600, 4610, 4700, 4710 John Deere track loaders have become synonymous with quality, but even the toughest and most reliable machines breakdown from time to time. From a 450, 555 or 755, from used final drives to new aftermarket tracks or a used undercarriage, we can provide the quality new aftermarket, used or rebuilt parts to keep your John Deere track loader and ...
Safety Starter Switch - This Neutral Safety Starter Switch is used on the following Yanmar built John Deere Compact Tractors: 2025R, 2027R, 2032R, 2210, 2305, 2320, 2520, 2720, 4010, 4100, 4110, 4115, 655, 755, 855, 955. It is also used on many John Deere Riding Mowers and Gator models. Replaces AM37643 (Part No: AM37643) $10.60 John Deere Parts Diagrams, John Deere 855/856 ARE COMMON UNLESS OTHERWISE STATED -PC2054 . ALTERNATOR & VOLTAGE REGULATOR 35 AMP: ELECTRICAL. ... Hood & Grille 755 855 360001 - 750000,010001 - 100000: WHEELS,NON-POWERED AXLES,FRAME,SHEET. Hood & Grille 855 100001 - 360000: WHEELS,NON-POWERED AXLES,FRAME,SHEET ... John Deere Thermostat Gasket - M805702. (3) $2.21. Usually available. Add to Cart. Previous Page 1 2 3 Next Page View All. John Deere 755 Parts Diagram for Electrical Components. Order Status. Get Support. 1-877-737-2787. Hours of Operation. M-F 9a-6p ET. Sat 9a-5p ET. Sun (Closed) Contact Us ».
John Deere 45 Gallon 3 Pt Hitch Sprayer. (1) $945.95. Add To Cart. Quick View. John Deere Head Light Lens 420 430 Tractors 655 755 855 955 Utility Tractors. (1) $53.52. Add To Cart.
MOWER DECK [B07] - DECK John Deere 50 - DECK - 50-Inch, 60-Inch, and 72-Inch Mowers (655, 755, 855, and 955 Compact Utility Tractors) 20 60" MID-MOUNT ROTARY MOWER (755, 855 AND 955 COMPACT UTILITY TRACTORS) MOWER DECK [B07] | 777parts
John Deere Lawn & Grounds Care Division 655, 755, 855, 955, 756 and 856 Compact Utility Tractors TM1360 (June 1996) ... parts kits, specifications, wear tolerances, and torque values. Binders, binder labels, and tab sets can be ordered by John Deere dealers direct from the John Deere Distribution Service Center. This manual is part of a total ...
The John Deere 755 is a 2WD or 4WD compact utility tractor manufactured by John Deere in Horicon, Wisconsin, USA and Augusta, Georgia, USA from 1986 to 1998. The John Deere 755 is equipped with a 0.9 L three-cylinder diesel engine and hydrostatic type transmission with infinite (2-range) forward and reverse gears.
Exploded Parts Diagrams for John Deere. Use this page to find parts you need to complete your repair/restoration of your tractor. Whether it is a vintage or a modern tractor you should be able to identify the part by make and application. Once you have found the part on a diagram click on the part number listed in the table below the diagrams.
655, 755, 756, 855 AND 856 COMPACT UTILITY TRACTORS PC2054 (J.2) AUG-20 9 / 10 Ag and Turf Turf and Utility — Trademarks 7-Iron™ Quik-Trak™ Mulch On Demand™ Aercore™ Ready To Mow™ Trail Gator™ Auto 4x4 Wheel Drive™ RGator™ Turf Gator™ AutoConnect™ Roll-Gard™ X700™ AutoTrac™ iMatch™ ZTrak™ Buck™ John Deere ...
Online catalog John Deere 755 - CAB (spare parts) CAB John Deere 755 - CAB. 655, 670, 755, 855, 955, 1070, F-915, F-935 Cabs for Compact Utility Tractors, Front Mowers. Parts Catalog. Parts Catalog; 97 CABS FOR 855, 955. ACCESSORY PARTS [J06] FRONT FENDERS [J05] FRONT LOADER LOCK [J03] PASSENGER SEAT [J01] HEATER PARTS [I23] CONSOLE FOR ...
View Details. $197.99. Alternator - Hitachi Style (12061) fits John Deere 575 3325 F935 655 755 855 955 430 AM100800 fits Komatsu FD40 FD35 FD20 fits Case 1825 fits Yanmar ASAP Item No. 161024. View Details.
John Deere 755 Parts. The 755 Compact Utility Tractor was produced from 1986-1998. Standard features included the three cylinder 20 HP Yanmar diesel engine and power steering. Popular attachments included mowing deck, front loader, and backhoe. Regular Maintenance should be performed on the 755 every 50 hours and should include Spark Plug, Air ...
Search easy-to-use diagrams and enjoy same-day shipping on standard John Deere parts orders. 855-669-7278 ... John Deere 755 COMPACT UTILITY TRACTOR -PC2054 LV0755A100700-129999 2WD "1992" 755 COMPACT UTILITY TRACTOR -PC2054 LV0755A130000-165000 2WD "1993" 755 COMPACT UTILITY TRACTOR -PC2054 LV0755A165001-165179 2WD "1994" 755 COMPACT UTILITY ...
06.10.2018 06.10.2018 1 Comments on John Deere 755 Wiring Diagram. I have a John deere compact tractor, won't start with the key, but if I put a jumper wire from bottom of starter to ignition switch Here are the wiring diagrams. deere question. ... If you would like for any new concept for your parts diagram then this john deere wiring diagram ...
John Deere 755 COMPACT UTILITY TRACTOR -PC2054 LV0755A100700-129999 2WD "1992" 755 COMPACT UTILITY TRACTOR -PC2054 LV0755A130000-165000 2WD "1993" 755 COMPACT UTILITY TRACTOR -PC2054 LV0755A165001-165179 2WD "1994" 755 COMPACT UTILITY TRACTOR -PC2054 ...
John Deere M16XM60 Blade Bolt - 19M7759. (1) $4.37. Usually available. Add to Cart. Quick View.
JOHN DEERE 655 755 855 955 756 856 COMPACT UTILITY TRACTOR Repair Manual.pdf John Deere 8100_8200_8300_8400 Tractors Workshop Manual.pdf John Deere F510 and F525 Residential Front Mowers Repair Manual.pdf
JOHN DEERE 755. All States Ag Parts has salvaged a John Deere 755 Tractor for used parts. This unit was dismantled at Downing Tractor Parts In Downing, WI. Call 877-530-1010 to speak to a parts expert about availability and pricing. Reference number EQ-20056 for information about this particular unit.
John Deere 755B Exploded View parts lookup by model. Complete exploded views of all the major manufacturers. It is EASY and FREE
755 - LOADER, CRAWLER TRANSMISSION PUMP CONTROL VALVE FORWARD AND REVERSE HYDRAULICS [01G08] EPC John Deere online
John Deere Parts Diagrams, John Deere 70 Loader For 750/755/770/855 Tractors -PC2230 1990 Model M00070A010001-100000 70 Loader For 750/755/770/855 Tractors -PC2230 1991 Model M00070A100001-110000 70 Loader For 750/755/770/855 Tractors -PC2230 1992 ...
Amazon.com: Parts Manual - 655 755 855 Compatible with John Deere 755 655 855 PC2054 : Patio, Lawn & Garden
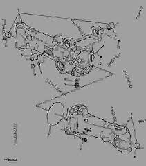
AXLE BRIDGES, MFWD-AXLE 755 WITHOUT TLS - TRACTOR John Deere 7530 PREMIUM - TRACTOR - 7530 Premium Tractor (European Edition) MFWD Front Axles AXLE BRIDGES, MFWD-AXLE 755 WITHOUT TLS | 777parts
FRONT CASTER WHEELS [B11] - DECK John Deere 60 - DECK - 50-Inch, 60-Inch, and 72-Inch Mowers (655, 755, 855, and 955 Compact Utility Tractors) 20 60" MID-MOUNT ROTARY MOWER (755, 855 AND 955 COMPACT UTILITY TRACTORS) FRONT CASTER WHEELS [B11] | 777parts
CAB DOOR [C24] - CAB John Deere 755 - CAB - 655, 670, 755, 855, 955, 1070, F-915, F-935 Cabs for Compact Utility Tractors, Front Mowers 93 CABS FOR 655, 755, 855, 955 CAB DOOR [C24] | 777parts
 
     
     
     
     
     
     
    ![[CK_1839] John Deere 4040 Wiring Harness Schematic Wiring](https://static-resources.imageservice.cloud/3506827/john-deere-755-wiring-diagram-24h-schemes.png) 
     
    %20Tr[...].png?itok=0sThHx9b) 
     
    
0 Response to "35 john deere 755 parts diagram"
Post a Comment