35 john deere gs30 parts diagram
The John Deere Walk behind Mower is one of them that have changed the entire structure of the developments of the agriculture or garden jobs. Get John Deere GS25, GS30, GS45, GS75, HD45, HD75 Walk Behind Mower Technical Manual Download here before you leave the site. John Deere Company is quite famous in manufacturing agricultural machines. Buy Genuine OEM John Deere parts for your John Deere GS25, GS30, GS45 & GS75 Commercial Walk-Behind Mower-Mower 2-Wheel Sulky, Steerable -PC2528 1996 Model M0SULKD010001-015000 GS25, GS30, GS45 & GS75 Commercial Walk-Behind Mower-Mower 2-Wheel Sulky, Steerable -PC2528 1997 Model M0SULKD015001-020000 GS25, G and ship today! Huge in-stock inventory of OEM John Deere parts.
Electric PTO Clutch Fits John Deere LX172 LX173 LX176 LX178 LX186 LX188 GS25 GS30 GS45 GS75 Stens 255-136 Electric PTO Clutch Description Warner Electric PTO Clutch Warner 5215-34 Replaces: (Please be sure of your OEM part number before purchase) John Deere: AM123123, Warner: 5215-34, Fits Models: John Deere: LX172 LX173 LX176 LX178 LX186 LX188 GS25 GS30 GS45 GS75 Specs: ID: 1 1/8" Height: 3 5 ...

John deere gs30 parts diagram
John Deere Model GS30 Walk Behind Mower Parts. ... John Deere Operators Manual - OMM128538 - See product detail for serial number range. Quick View. John Deere GS25, GS30, GS45, GS75, HD45, HD75 Commercial Walk-Behind Mowers Technical Manual (TM1598) John Deere 540G, 640G, 740G Skidder and 548G, 648G, 748G Grapple Skidder Repair Technical Manual (TM1600) John Deere 444H, 544H Loader & TC44H, TC54H Tool Carrier Operation and Test Technical Manual (TM1604) One Lot of Misc. John Deere Lawn Tractor Parts. $55.00. Free shipping. or Best Offer. John Deere L110 Lawn Tractor Instrument Panel. No Cracks OEM PART. $23.09. Was: $29.99. $15.80 shipping.
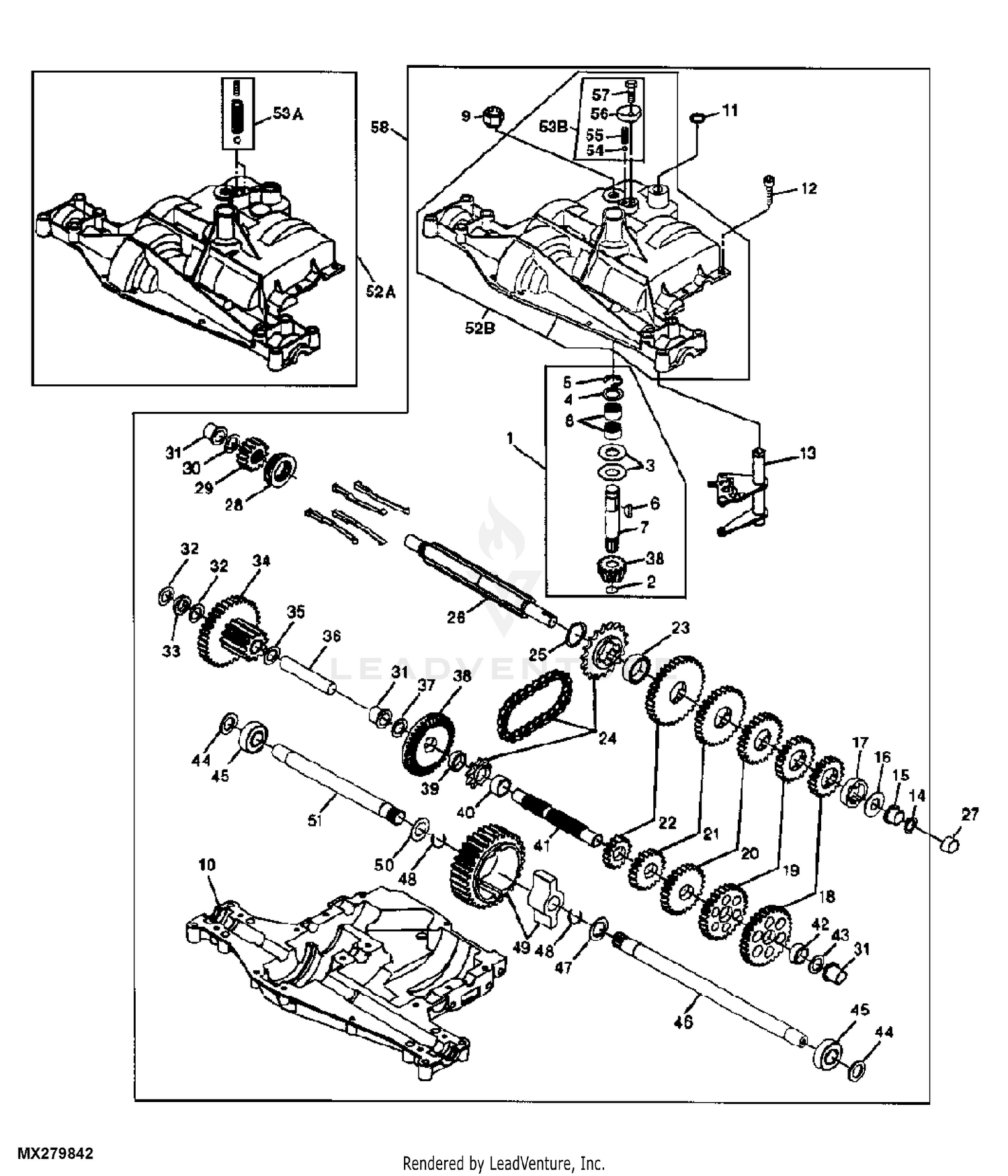
John deere gs30 parts diagram. Find Parts. Search part numbers and John Deere parts diagrams to identify exactly what you need to keep your equipment running smoothly. Search Parts Catalog.Quick Reference Guides · Home Maintenance Kits · Serial Number (PIN) Information John Deere Gs30 Parts Diagram 2/11 [DOC] preparedness, and a must-have book for those with their eye on the future. A Voyage to the North Pacific and a Journey Through Siberia-John D'Wolf 2017-05-10 A Voyage to the North Pacific and a Journey Through Siberia - More Than Half a Century John Deere (18) John Deere GS30 Parts. The GS30 Walk Behind Lawn Mower was produced with standard features including the single cylinder 13 HP Kohler engine, 2 qt Engine Oil Capacity, and a 36", 48", or 54" mower deck. Regular Maintenance should be performed on the GS30 every 50 hours and should include Spark Plug, Air Filter, Oil Filter, and ... The John Deere JS30 is part of the same JS series from John Deere that also includes the John Deere JS40 and the John Deere JS20 walk behind, self propelled lawnmowers. The JD JS30 is very similar to the other models as it also has a 21 inch cutting width that is standard among practically all small residential push lawnmowers.
John Deere Gs30 Parts Diagram 1/9 [Books] John Deere Gs30 Parts Diagram John Deere Shop Manual-Editors of Haynes Manuals 1989-06-01 A tractor repair manual written for the experienced mechanic by professionals in an easy-to-use format , including numerous photos, illustrations and exploded views. Circuits and Diagrams-Norman Hugh Schneider 1909 John Deere Parts Lookup -John Deere-GS25, GS30, GS45 & GS75 Commercial Walk-Behind Mower-Mower 54-IN Deck -PC2528 1996 Model M054MCA010001-015000 GS25, GS30, GS45 & GS75 Commercial Walk-Behind Mower-Mower 54-IN Deck -PC2528 1996 Model M054MCA010001-015000 GS25, GS30, GS45 & GS75 Commercial John Deere GS30 walk behind mower 48" mower deck *DOES NOT RUN* Serial number - TC48MCA030202 Sold "AS IS - WHERE IS". Only what is described is for sale regardless of what else is in the picture. Updated: Sun, Nov 14, 2021 1:32 PM John Deere G100 Parts. The John Deere G100 was produced in 2003. It came equipped with a hydrostatic drive transmission, 54" Mower Deck and 25hp Kohler engine. Regular Maintenance should be performed on the G100 every 50 hours and should include Spark Plug, Air Filter, Oil Filter with 2.1qts oil and sharpen or replace mower blades.
Due to the employee strike at John Deere, we are not receiving estimated in stock dates for all parts and equipment. John Deere Gs30 Parts Diagram 3/3 [EPUB] [EPUB] John Deere Gs30 Parts Diagram When somebody should go to the ebook stores, search opening by shop, shelf by shelf, it is truly problematic. This is why we present the ebook compilations in this website. It will certainly ease you to see guide john deere gs30 parts diagram as you such as. A Worldwide Parts Services Distribution Network. The John Deere dealer is the first line of customer parts service. Throughout the world, there are dealers to serve Agricultural, Construction, Lawn and Grounds Care, and Off-Highway Engine customers. John Deere Walk Behind Mower Wheel Assembly - GX24018. (17) $37.58. Usually available. Add to Cart. Quick View.
Quick View. John Deere Mulching Blade for 21-inch Walk-Behind Mower - GX22454. (14) $30.39. Usually available. Add to Cart. Quick View. John Deere Mulching Cover - GX22326. (1)
John Deere GS30 Parts Diagram for Belts. Order Status. Get Support. 1-877-737-2787. Hours of Operation. M-F 9a-6p ET. Sat 9a-5p ET. Sun 11a-6p ET. Contact Us ».
Jun 19, 2019 — TECHNICAL MANUAL John Deere Worldwide Commercial and Consumer Equipment ... Use only service parts meeting John Deere specifications.
John Deere AG, Lawn & Garden and CWP Equipment Parts Search. John Deere parts lookup tool and diagram is an incredible online source. It is a complete catalog that shows you detailed parts diagrams of every part of your machine. This online parts catalog is robust and easy to use. Searching for your John Deere parts online has never been easier.
Buy Genuine OEM John Deere parts for your John Deere JS30 21-IN, Walk-Behind Rotary Mower (Electric Start) -PC9571 2006 Model Serial.No. GXJS30A010001-100001 JS30 21-IN, Walk-Behind Rotary Mower (Electric Start) -PC9571 2007 Model Serial.No. GXJS30A100001-999999 JS30 21-IN, Walk-Behind Rotary Mower (Electri and ship today! Huge in-stock inventory of OEM John Deere parts.
John Deere GS25 GS30 GS45 GS75 HD45 HD75 Commercial Walk-Behind Mowers TM1598 Technical Manual PDF. Technical manual includes repair and troubleshoot information, full description of service procedures, installation instructions, special instructions, special tools, as well as other additional technical service information.
The best way to buy repair parts for your John Deere is to begin by searching for your John Deere model number on PartsTree and use the OEM John Deere parts diagrams to find the parts that fit exactly like the originals from the John Deere factory. When you locate your John Deere model tag, take a picture for future repair parts needs.
Find parts for your john deere wiring harness: engine,14 hp kawasaki with our free parts lookup tool! Search easy-to-use diagrams and enjoy same-day shipping on standard John Deere parts orders. 855-669-7278 My Store Ann Arbor Cedar Springs ... John Deere GS25, GS30, GS45 & GS75 Commercial Walk-Behind Mower-Mower 54-IN Deck -PC2528 1996 Model ...
John Deere NEVERSTOP™ Services and Support keeps commercial mowing customers going thanks to programs like Parts NOW. This unique program features our PARTS OnSite™ cabinets, where your most used parts can be stored onsite. Then there is our Next Day Parts Guarantee™, when you absolutely need a part overnight.
Nov 1, 1997 — MANUAL. Litho in U.S.A. John Deere. Worldwide Commercial and ... GS30 Gear. 36 in. Commmercial ... Use only service parts meeting John Deere.344 pages
Carburetor carb gasket for john deere am125355 lt133 lt150 lt155 ltr155 gs30. Find parts diagrams for your john deere equipment. Chute deflector controls. John deere electrical diagrams la115 thank you for visiting our site this is images about john deere electrical diagrams la115 posted by maria nieto in john category on may 29 2019.
Primary Mower Drive Belt for John Deere GS25, GS30, GS45 and GS75, M122106, Made In USA Rating * Select Rating 1 star (worst) 2 stars 3 stars (average) 4 stars 5 stars (best) Name
JOHN DEERE GS25 GS30 GS45 GS75 HD45 HD75 COMMERCIAL WALK-BEHIND MOWER repair manual & service manual is in pdf format so it will work with computers including WIN, MAC etc.You can Easily view, Navigate, print, Zoom in/out as per your requirements. We accept Paypal and All Credit Cards. If you have any questions regarding this Manual.
About Green Farm Parts. Green Farm Parts is your all-in-one source for genuine John Deere parts and accessories. You can shop for your John Deere parts by equipment model or by part number. Our extensive parts diagrams allow you to see every component of your equipment, ensuring that you are ordering parts that are correct for your machine.
Me mowing half a yard with my John Deere GS30
Collection of wiring diagram for john deere riding lawn mower. A wiring diagram is a streamlined traditional pictorial representation of an electrical circuit. It shows the elements of the circuit as simplified forms, and also the power as well as signal connections between the tools. A wiring diagram usually offers details about the relative ...
One Lot of Misc. John Deere Lawn Tractor Parts. $55.00. Free shipping. or Best Offer. John Deere L110 Lawn Tractor Instrument Panel. No Cracks OEM PART. $23.09. Was: $29.99. $15.80 shipping.
John Deere GS25, GS30, GS45, GS75, HD45, HD75 Commercial Walk-Behind Mowers Technical Manual (TM1598) John Deere 540G, 640G, 740G Skidder and 548G, 648G, 748G Grapple Skidder Repair Technical Manual (TM1600) John Deere 444H, 544H Loader & TC44H, TC54H Tool Carrier Operation and Test Technical Manual (TM1604)
John Deere Model GS30 Walk Behind Mower Parts. ... John Deere Operators Manual - OMM128538 - See product detail for serial number range. Quick View.
0 Response to "35 john deere gs30 parts diagram"
Post a Comment