Iklan 300x250

37 tuff torque parts diagram

Tuff Torq - Hydraulic, Mechanical, & Electric Drivetrain Solutions. Lawn & Garden Zero-Turn and Lawn Tractor Solutions Click for details. GENUINE. OEM PARTS Now Available Through the New Parts Portal! Click Here. K72 Manufacturer ID: K72. When your application requires a drive system that is built for larger properties and light garden work, the K72 is a great choice. With features usually found in much more expensive units and a heavy-duty contruction, these transaxles are as dependable as they are powerful.

Finding Your Tuff Torq Model & Serial Numbers. When you enter a Tuff Torq model number into the white search bar at the top of the page, the illustrated parts lists results will appear in the Models section. Once you select your model, you will be able to look through the corresponding parts diagrams to find the part you need.

Tuff torque parts diagram

Tuff torque parts diagram

Tuff Torq K46AW engine & drivetrain parts - manufacturer-approved parts for a proper fit every time! We also have installation guides, diagrams and manuals to help you along the way! Tuff Torq repair parts and parts diagrams for Tuff Torq K50 - Tuff Torq Hydrostatic Transaxle Order Status Customer Support 512-288-4355 My Account Login to your PartsTree.com to view your saved list of equipment. Tuff Torq K46BT engine & drivetrain parts - manufacturer-approved parts for a proper fit every time! We also have installation guides, diagrams and manuals to help you along the way!

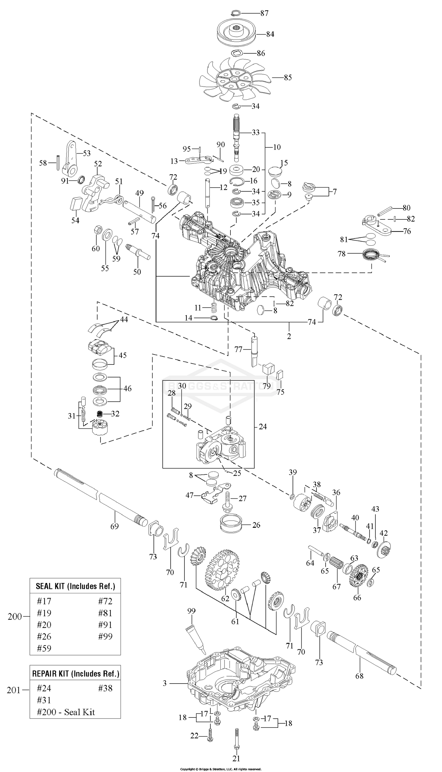
Tuff torque parts diagram. Tuff Torq repair parts and parts diagrams for Tuff Torq K 46 - Tuff Torq Transmission (2002-06) Order Status Customer Support 512-288-4355 My Account Login to your PartsTree.com to view your saved list of equipment. Tuff Torq - T40A 0000001-0200775 (T40A-JOHN DEERE / 768T2024000) ... Click and drag to pan. Zoom. Diagrams. Accessories ; Parts ; Full Parts List. Ref. ID Part ... Tuff Torq Corporation > Products > Lawn & Garden > Zero-turn > Tuffest > TZT13. Download PDF; Find Service Parts; TZT13 Manufacturer ID: TZT-13. The TZT13 is our strongest and most robust zero-turn IHT (Integrated Hydrostatic Transaxle). These units are built for the abuse of commercial mowers while offering great performance and ease of ... Nov 09, 2021 · trackingloading.machette.co. Tuff Torq K46 Parts Diagram. 11/9/2021 22.08.2017 admin 22.08.2017 admin

https://www.messicks.com Parts Hotline: 877-260-3528 1693839 - Broadmoor, 16HP Hydro VENDOR: Simplicity SECTION: figure listing DIAGRAM: transmission service parts - tuff torq k51 transaxle group (1720876) Description: Husqvarna Tuff Torq K 66 Transmission Parts List And Diagram within Tuff Torq K46 Parts Diagram, image size 590 X 831 px, and to view image details please click the image.. Truly, we also have been noticed that tuff torq k46 parts diagram is being just about the most popular topic right now. So that we tried to identify some great tuff torq k46 parts diagram photo for you. Tuff Torq repair parts and parts diagrams for Tuff Torq K 66 - Tuff Torq Transmission (2002-06) Order Status Customer Support 512-288-4355 My Account Login to your PartsTree.com to view your saved list of equipment. Tuff torq K46 Parts Diagram. 20 tuff torq k46 parts diagram - skewred 20 tuff torq k46 parts diagram photos tuff torq parts diagram and as well as help you for example about 20 tuff torq k46 parts diagram posted here by odo tuff torq parts wel e to the tuff torq service website enter here to find parts breakdown drawings and the parts list for your product "catalog shop" located in

Tuff Torq K57R engine & drivetrain parts - manufacturer-approved parts for a proper fit every time! We also have installation guides, diagrams and manuals to help you along the way! tuff torq k46cr, k46cr, 2009-01 catalog search note: use keywords or part numbers instead of full sentences for best results. examples: 737-3025 , 1234 , filter , oil , pump , etc. Tuff Torq K46BA engine & drivetrain parts - manufacturer-approved parts for a proper fit every time! We also have installation guides, diagrams and manuals to help you along the way! Tuff Torq K46A John Deere - 7A646024003 Parts Lookup. Tuff Torq > K46 > K46A. K46A Serial 0000001-0031538. K46A Serial 0031539-0037502. K46A Serial 0037503-0058534. K46A Serial 0058535-0061927. K46A Serial 0061928-0062289. K46A Serial 0062290-0063431.

Tuff Torq wants to make sure all our dealers, service technicians and end-consumers have access to the information they need to keep their units working at their top performance. These are the most commonly asked questions. As always, if you don’t find the answer you are looking for here, feel free to contact our service team at +1 (866) 572 ...

For ordering the Tuff Torq parts, you would need to contact the Distributor in Sweden, Swedmotor. Swedmotor AB Rörvägen 11 (Jordbro företagspark) 136 50 Jordbro +46 08-500 121 40 Contact: info@swedmotor.se ... I looked at the assembly diagram and could not figure out where it may go. Can you provide any details on where the O ring needs to be.

Tuff Torq K46 Transmission Parts Lookup & Diagrams. Tuff Torq > K46. K46A John Deere - 7A646024003. K46AA Simplicity - 7A646024440. K46AC John Deere - 7A646024390. K46AE Cox - 7A646024290, 7A646024291. K46AG Stiga - 7A646024361, 7A646024362. K46AH Snapper - 7A646024351.

Tuff Torq - K57R 0000001-9999999 (K57R-HUSQVARNA / 7A646084020) Click and drag to pan. Zoom. Diagrams. Accessories ; Parts ; Full Parts List. Ref. ID Part # Description Availability Price QTY. 187Q0899000 : Tuff Tech Oil - 3 Liter Bottle : Qty: Add to Cart: 1: 7A646084020 : K57r Hop Transaxle ...

Tuff Torq - K46CR 0003303-0159999 (K46CR-HOP / 7A646084320, 7A646084321, 7A646084322) ... Zoom. Diagrams. Accessories ; Parts ; Full Parts List. Ref. ID Part # Description Availability Price QTY. 187Q0899000 : Tuff Tech Oil - 3 Liter Bottle : Qty: Add to Cart: 1: 7A646084322 : K46cr Transaxle ...

Transmission SERVICE PARTS - Tuff Torq K57 (1722668) diagram and repair parts lookup for Simplicity 1694632 - Simplicity Broadmoor Lawn Tractor, 20hp. Order Status Customer Support 512-288-4355 My Account. Login to your PartsTree.com to view your saved list of equipment.

Tuff Torq Spares, Parts & Accessories. If you are looking for genuine Tuff Torq spares, parts and accessories, look no further. We have a huge range available. If you don't know the manufacturer's part number, don't worry, we can help you try to find it using our interactive machine diagrams.

Tuff Torq K46CR engine & drivetrain parts - manufacturer-approved parts for a proper fit every time! We also have installation guides, diagrams and manuals to help you along the way!

Tuff Torq K51a Parts Diagram. Posted on April 18, 2019. April 17, 2019. Sponsored links. 2000 Jeep Cherokee Parts Diagram. Heat Exchanger Diagram. Manufacturing Value Chain Diagram. Garmin Power Cable Wiring Diagram. Upper Respiratory Tract Diagram.

The best way to buy repair parts for your Tuff Torq is to begin by searching for your Tuff Torq model number on PartsTree and use the OEM Tuff Torq parts diagrams to find the parts that fit exactly like the originals from the Tuff Torq factory. When you locate your Tuff Torq model tag, take a picture for future repair parts needs.

Tuff Torq - TZT 7D-L0112538 - 7D-L0157999 (TZT7DL-JOHN DEERE / 787Q0824001) Click and drag to pan. Zoom. Diagrams. Accessories ; Parts ; Full Parts List. Ref. ID Part # Description Availability Price QTY. ... Sign up for our parts newsletter. Newsletter. Sign Up for Our Newsletter: Subscribe. Ordertree - Tuff Torq will not sell, trade or share ...

Tuff Torq - T40J 0000001-0249999 (T40J-JOHN DEERE / 768T2024010, 768T2024011) Click and drag to pan. Zoom. Diagrams. Accessories ... Full Parts List. Ref. ID Part # Description Availability Price QTY. 1A646099812 : SEAL KIT : Qty: Add to Cart: TT-3: 187Q0899000 : TUFF TECH OIL (3 LITER BOTTLE) ...

Tuff Torq Hydrostatic Transmission Parts Diagrams & Lookup. Start here to find parts for your Tuff Torq transmission. You will need to know the transmission's model and serial number, which can only be found on a sticker located on the transmission itself. This is a work in progress, we are continually adding new models. K46. K50.

Tuff Torq K46BT engine & drivetrain parts - manufacturer-approved parts for a proper fit every time! We also have installation guides, diagrams and manuals to help you along the way!

Tuff Torq repair parts and parts diagrams for Tuff Torq K50 - Tuff Torq Hydrostatic Transaxle Order Status Customer Support 512-288-4355 My Account Login to your PartsTree.com to view your saved list of equipment.

Tuff Torq K46AW engine & drivetrain parts - manufacturer-approved parts for a proper fit every time! We also have installation guides, diagrams and manuals to help you along the way!

0 Response to "37 tuff torque parts diagram"

Post a Comment

Iklan Atas Artikel

Iklan Tengah Artikel 1

Iklan Tengah Artikel 2

Iklan Bawah Artikel