39 200 amp automatic transfer switch wiring diagram
200 Amp Transfer Switch Wiring Diagram | Wiring Diagram - 200 Amp Automatic Transfer Switch Wiring Diagram. Wiring Diagram will come with numerous easy to follow Wiring Diagram Instructions. It's intended to help all of the average consumer in creating a proper method. These instructions will likely be easy to grasp and apply. 200 Amp Automatic Transfer Switch Wiring Diagram Sample. 200 amp automatic transfer switch wiring diagram - Exactly What's Wiring Diagram? A wiring diagram is a kind of schematic which utilizes abstract photographic symbols to reveal all the affiliations of elements in a system. Circuitry representations are composed of 2 points: signs that represent the parts in the circuit,…
Collection of 200 amp transfer switch wiring diagram. Another thing that you will see a circuit diagram. The Honeywell Service-Rated 200 Amp240 Volt Sync Transfer Switch transfer switch is the core of your generator system. 200 amp automatic transfer switch wiring diagram Youll need an extensive expert and easy to comprehend Wiring Diagram.

200 amp automatic transfer switch wiring diagram
1. T: “That’s my automatic tracking bomb” Crazy Diamond grabs a heart shaped glass shard, apparently shoot View and Download Jeep Wrangler 2012 owner's manual online. Switch on the ignition key, don’t start the engine. limp-in on on 1–low on on on *l/r clutch is on only with the output shaft speed below 150 rpm. There are different topologies for constructing a 3 phase voltage inverter circuit. In case of bridge inverter, operating by 120-degree mode, the Switches of three-phase inverters are operated such that each switch operates T/6 of the total time which creates output waveform that has 6 steps. There is a zero-voltage step between negative and positive voltage levels of the square … Collection of 200 amp transfer switch wiring diagram. A wiring diagram is a streamlined traditional pictorial depiction of an electric circuit. It shows the elements of the circuit as streamlined forms, as well as the power and also signal connections between the tools.
200 amp automatic transfer switch wiring diagram. Dimension: 600 x 412. DOWNLOAD. Wiring Diagram Pictures Detail: Name: generac 200 amp transfer switch wiring diagram - Whole House Transfer Switch Wiring Diagram Fresh Generac 200 Automatic Transfer Switch Wiring Diagram 973—. File Type: JPG. Source: kmestc.com. Size: 465.15 KB. Dimension: 973 x 1183. DOWNLOAD. - Amp, Service Entrance/Non-Service Entrance Automatic Transfer Switch Owner's Manual .. Refer to the SMM Owner's/Installation Manual for.Variety of generac amp automatic transfer switch wiring diagram. A wiring diagram is a simplified conventional photographic representation of an electric circuit. 200 Amp Generac Automatic Transfer Switch Wiring Diagram Source: static-assets.imageservice.cloud 200 Amp Generac Automatic Transfer Switch Wiring Diagram Source: wholefoodsonabudget.com Facebook Tweet Pin Generac 200 Amp Transfer Switch Wiring Diagram - generac 200 amp transfer switch wiring diagram, Every electrical arrangement is made up of various diverse pieces. Each part ought to be placed and linked to different parts in particular way. If not, the arrangement won't work as it should be.
Generac 200 Amp Transfer Switch Wiring Diagram. RTS Automatic Transfer Switch _ Technical Manual _ schematron.org Uploaded .. Amp Shown) .. Wiring Diagram/Schematic /A, V - Drawing No. because Generac Evolution Series Air-cooled generators can run on " to 5" Water Column. • Natural Gas It's a Amp service with a Amp Transfer Switch. Dual 200 Amp - Split 400 Amp Automatic Transfer Switch with Service Disconnect and AC Power Control Module™ Installation Manual Questions? Help is just a moment away! Call: Transfer Switch Helpline 800-743-4115 Monday - Friday 8:00 AM - 5:00 PM Central Standard Time NOT FOR REPRODUCTION Buy Stinger SGP38 80-AMP Battery Isolator and Relay,BLACK: Automotive - Amazon.com FREE DELIVERY possible on eligible purchases Generac 200 Amp Automatic Transfer Switch Wiring Diagram Sample. Assortment of generac 200 amp automatic transfer switch wiring diagram. A wiring diagram is a simplified standard pictorial depiction of an electrical circuit. It reveals the elements of the circuit as simplified forms, and the power as well as signal links between the tools.
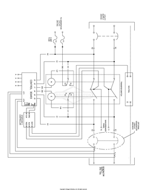
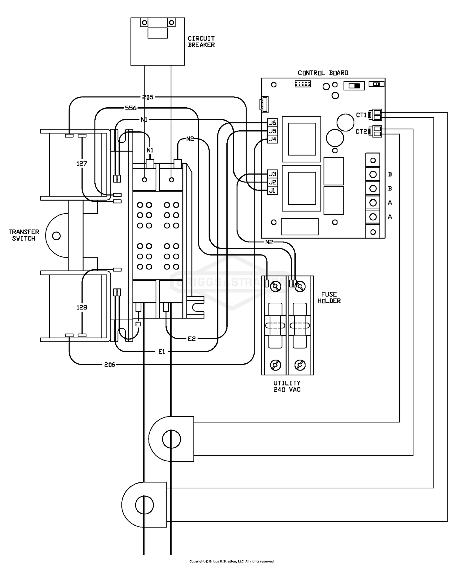
Dimension: 800 x 586. DOWNLOAD. Wiring Diagram Pictures Detail: Name: 200 amp automatic transfer switch wiring diagram - 200 Amp Automatic 30 Briggs And Stratton Power Products 7619 25 Watt. File Type: JPG. Source: hastalavista.me. Size: 894.78 KB. Dimension: 1180 x 1528. 7225 7426 Ronk Manual Transfer Switches With F Suse Disconnect 200a 400a 240v Single Phase 2 Pole Aluminum Outdoor Enclosure. Briggs And Stratton Power Products 071044 01 200 Amp Automatic Transfer Switch W Accm Parts Diagrams. Wiring Panel Generator Transfer Switch 300x231. Manual Transfer Switch With Rotary Psi Control Solutions. Generac 200 Amp Automatic Transfer Switch Wiring Diagram. Installation Diagrams. . When an automatic transfer switch is installed for a standby generator . The utility service disconnect circuit breaker for the amp. - Amp, Service Entrance/Non-Service Entrance Automatic Transfer Switch Owner's Manual .. Refer to the SMM Owner's/Installation ... Assortment of generac 200 amp automatic transfer switch wiring diagram. A wiring diagram is a simplified standard photographic depiction of an electrical circuit. It shows the components of the circuit as streamlined shapes, and the power as well as signal connections in between the tools.
200 Amp Automatic Transfer Switch Wiring Diagram. Variety of 200 amp automatic transfer switch wiring diagram. A wiring diagram is a simplified traditional pictorial depiction of an electrical circuit. It reveals the components of the circuit as simplified forms, and also the power and signal links between the gadgets.
Winco square d manual transfer switch ez connect automatic backup generator auto wire diagram house 7225 7426 ronk switches with rotary wiring q midwest electric breakers psi 01 200 amp. Wiring DiagramSchematic A V Drawing No. 7205a 7215 Ronk Manual Transfer Switch 200a 250v Single Phase 2 Pole Aluminum Outdoor Enclosure.
Generac Automatic Transfer Switches are designed for use with single phase. Generac 200 amp transfer switch wiring diagram Automatic Transfer Switch Controller Between Mains And Generator Striking Generac Wiring. It shows the components of the circuit as streamlined shapes and the power as well as signal connections in between the tools.
100/150/200 Amp Automatic Transfer Switch with Service Disconnect and ... Transfer Switch Schematic Diagram .....22 Transfer Switch Wiring Diagram ..... 23 Product Specfications NOT .....24 for REPRODUCTION. 4 BRIGGSandSTRATTON.COM Important Safety Instructions SAVE THESE INSTRUCTIONS - This manual contains important ...
An actuator is a component of a machine that is responsible for moving and controlling a mechanism or system, for example by opening a valve. In simple terms, it is a "mover". An actuator requires a control signal and a source of energy.The control signal is relatively low energy and may be electric voltage or current, pneumatic, or hydraulic fluid pressure, or even …
The automatic transfer switch is used for transferring electrical load from a UTILITY (NORMAL) power source to an GENERATOR ... Switch Wire Conductor Tightening Rating Range Torque 100A #14-1/0 AWG 50 in-lbs. ... The utility service circuit breaker for the 150/200 amp models are: • Type 225AF, 2-pole • 120/240VAC, 150A/200A
Collection of 200 amp transfer switch wiring diagram. A wiring diagram is a streamlined traditional pictorial depiction of an electric circuit. It shows the elements of the circuit as streamlined forms, as well as the power and also signal connections between the tools.
There are different topologies for constructing a 3 phase voltage inverter circuit. In case of bridge inverter, operating by 120-degree mode, the Switches of three-phase inverters are operated such that each switch operates T/6 of the total time which creates output waveform that has 6 steps. There is a zero-voltage step between negative and positive voltage levels of the square …
1. T: “That’s my automatic tracking bomb” Crazy Diamond grabs a heart shaped glass shard, apparently shoot View and Download Jeep Wrangler 2012 owner's manual online. Switch on the ignition key, don’t start the engine. limp-in on on 1–low on on on *l/r clutch is on only with the output shaft speed below 150 rpm.
0 Response to "39 200 amp automatic transfer switch wiring diagram"
Post a Comment