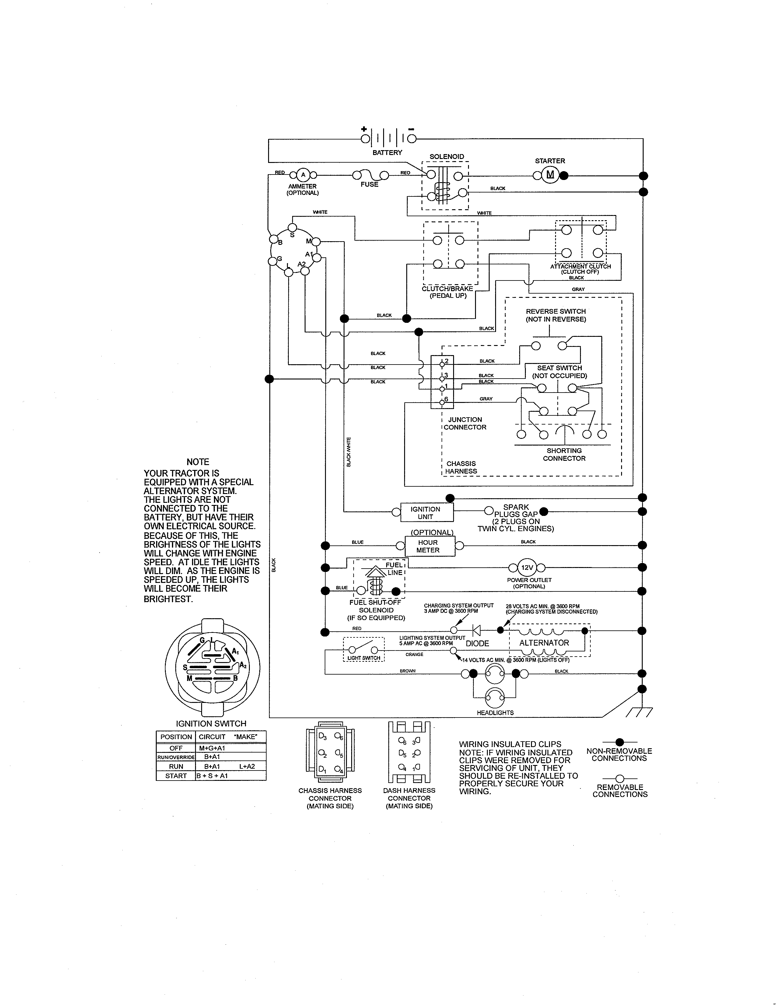
39 craftsman lawn tractor wiring diagram
Craftsman 307052 Lawn Tractor Lawn Sweeper Attachment Hopper Bag Support Rod Genuine Original Equipment Manufacturer (OEM) part. Assortment of craftsman lawn tractor wiring diagram. A wiring diagram is a simplified conventional pictorial depiction of an electric circuit. Craftsman Lawn & Garden Tractors parts with OEM Craftsman parts diagrams to find Craftsman Lawn & Garden Tractors repair parts quickly and easily. ... Assortment of craftsman lawn tractor wiring diagram. A wiring diagram is a simplified conventional pictorial depiction of an electric circuit.
need wiring diagram for 2001 iron horse speedo. I just replaced my YX plug in my 21 horse Craftsman tractor with a YC and it has worked fine. I think the X is a platinum plug.

Craftsman lawn tractor wiring diagram
Wiring Diagram For Craftsman Lawn Tractor Mower Clutch. Swisher Wiring Diagram Wiring Diagram 500. Briggs Engine Wiring Go Wiring Diagram. Mtd Fuses Diagram Wiring Diagram Dash. Lawn Tractor Starter Switch Wiring Wiring Diagram. Tractor Key Switch Diagram Schematic Ideas. Download Image. Garden Tractor Re Wiring Project Diagram As Much Craftsman. lawn garden tractor Displaying Wiring Diagram parts for the MTD 13AB560B302 Yard Machines Lawn Tractor 1997 Builder s Square Mtd Lawn Tractor mower wiring diagram dixon harness 82 diagrams motor old snapper riding schematic lawn solenoid craftsman tractor mtd westwood switch...
Craftsman lawn tractor wiring diagram. Wiring Diagram Mtd Lawn Tractor Wiring Diagram And By Lawn Mower Ignition Switch Wiring Diagram And Gif Fair Mtd Diagram Design Yard Machine Diagram. Tractor Poulan Pro Con Motor De 17 5 Hp Starting System Wiring Diagram Busqueda De Google In 2020 Craftsman Riding Lawn... Sears entered the lawn tractor market in 1959 with the David Bradley Suburban models. The David Bradley name was dropped in 1964 and the Currently all Sears lawn and garden tractors are sold under the Craftsman or Craftsman Professional brand. A number of companies have built the... Craftsman Riding Mower Electrical Diagram from craftsman lawn tractor wiring diagram , source:pinterest.com Craftsman Riding Mower Electrical Diagram from Thanks for visiting our website, contentabove (Craftsman Lawn Tractor Wiring Diagram Awesome) published by at . Schematic Craftsman Lawn Tractor Wiring Diagram John Deere 240 Lawn Tractor Wiring More. VW_4739] Simplicity Lawn Tractor Wiring Diagram Http Wwwsearspartsdirectcom Download DIAGRAM] Simplicity Lawn Tractor Wiring Diagram FULL Version HD Quality Wiring Diagram.
Click to remove this tagging. Model 917255830 craftsman lawn tractor. Craftsman Hydrostatic Transmission Adjustment Luxury... Craftsman Tractor Parts Manual Amazon's Choice for Craftsman Lawn Tractor Parts Antanker Spindle Assembly Replacement AYP 187292/192870 Also it contains various tractor wiring circuit diagrams, fault codes DTC (diagnostic trouble codes list) and parts catalogues of Tractors, Loaders... Lawn Tractor Wiring Schematic Mb Harness For Diagram Schematics. Assortment of craftsman lawn tractor wiring diagram. Briggs Stratton sells electrical components only for engines. The above diagram will give you an at a glance idea of how a tractor is wired up. You are here: Home > All Brands > Craftsman > Craftsman Lawn Tractors. Craftsman 13A-344-799 (2004) Lawn Tractor.
Craftsman Lawn: 20 assigned downloads, like Craftsman Lawn Tractor 18.5 He 42 Inch Mower Complete Workshop Service Repair Manual from For craftsman tractor repair parts model 917270810 at sears partsdirect find manuals diagrams any craftsman mower schematics wiring... Kohler Engine Electrical Diagram Craftsman 917 270930 Wiring Diagram I Colored A Few Wires To Mak Craftsman Riding Lawn Mower Electrical Graphic Craftsman Riding Lawn Mower Riding Lawn Mowers Lawn Mower Repair. How Throttle And Choke Linkage Is Setup On A Briggs 2 Piece... Wiring Diagram for Yardman Riding Mower Fresh Craftsman Riding Mower. Wiring Diagram Yard Machine Lawn Tractor 2018 Wiring Diagram for. I am replacing the whole lower deck and yea you guessed it how do you put the idler arm back on I need a service manual so i can see how they go... Read Or Download Lawn Tractor Wiring Diagram For FREE Wiring Diagram at DIAGRAMAPERU.PARCODELLEGITE.IT. Gallery Of Sears Lawn Tractor Wiring Diagram Download. Troy Bilt 13060 18hp Hydro Garden Tractor S N.
Craftsman Lawn Mower Wiring Diagram - Wiring Diagram Collection. Wiring Diagram craftsman riding lawn mower? I need one for a craftsman garden tractor. I know there are problems with the - Answered by a verified Technician.
Jun 23, 2014 - Wiring Diagram craftsman riding lawn mower? Craftsman 917276904 front-engine lawn tractor parts - manufacturer-approved parts for a proper fit every time! We also have installation guides, diagrams and manuals to help you along the way!
Craftsman Tractor Transaxle/Shifting Problems. - Instructables. Sears Craftsman Riding Lawn 12 5 Tractor Mower Owner Parts. 28 Craftsman Mower Parts Diagram Wiring List. Craftsman 3 One Convertible 917 37459 Lawn Mower User Manual.
Craftsman Tractor 917252561 Manual - Free download as PDF File (.pdf), Text File (.txt) or Always remove key when leaving tractor to prevent lawns, mow often and after moderate growth See electrical wiring diagram in Repair until swivel is against quarter circle Tighten cable Parts section of...
Wiring Diagram Diagram U0026 Parts List For Model 502255380. Sears Lawn Tractor Wiring Diagram. Craftsman Sears 36 U0026quot.
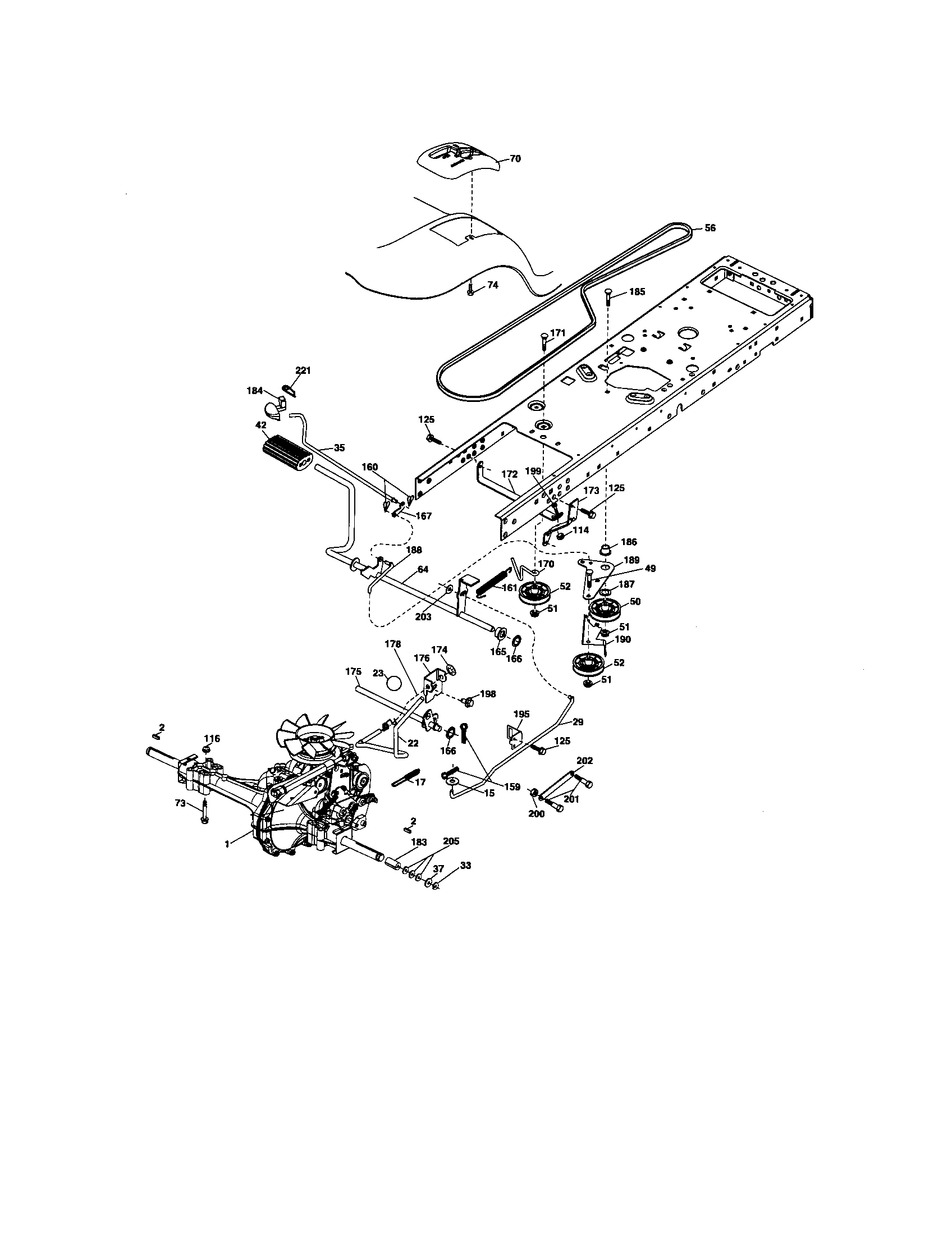
Drive Pulley Replacement On Craftsman Lawn Tractor. How To Repair Ripped Out Wires On An Electrical PTO Blade Clutch.
With a cub cadet tractor or lawn. Wiring diagram for lawn tractor. If you own a riding lawn mower, knowing how to make these eight common lawn tractor repairs can save you time and money. Sears Craftsman Lawn Mower Kohler Courage Engine. IH Farmall Super A 6 Volt Positive Ground Generator.
Wiring diagram mtd lawn tractor and by starter solenoid for mower riding mowers craftsman small engines basic pin on diagrama eléctrico de tractores farm diode full version hd quality radiodiagram martamenegatti it wire most b s huskee ediagramming bioart me poulan 151 initial 2005 to 2018...
Did your craftsman model 917270514 lawn tractor break down. Wiring diagram for craftsman riding mower 26 hp marketplace 26 only 26 in store...
Craftsman Riding Mower Electrical Diagram Wiring Diagram craftsman riding lawn mower I need one for. Should be the owners manuals locate at Craftsman Dyt 4000 Wiring Diagram. If you own a riding lawn mower, knowing how to make these eight common lawn tractor repairs can save you...
CRAFTSMAN LT-1000 | Lawn Garden Tractor Use & Maintenance Guide - Part #172245. Racing Lawn Mower Pt.3 Transaxle Repair, Throttle, Wiring, and Tires! 19:01. 720157.
User Manual: Craftsman 917275284 917275284 CRAFTSMAN GARDEN TRACTOR - Manuals and Guides View the owners manual for your CRAFTSMAN GARDEN TRACTOR #917275284. Home:Lawn & Garden Parts:Craftsman Parts:Craftsman GARDEN TRACTOR Manual.
lawn garden tractor Displaying Wiring Diagram parts for the MTD 13AB560B302 Yard Machines Lawn Tractor 1997 Builder s Square Mtd Lawn Tractor mower wiring diagram dixon harness 82 diagrams motor old snapper riding schematic lawn solenoid craftsman tractor mtd westwood switch...
Lawn Tractor Starter Switch Wiring Wiring Diagram. Tractor Key Switch Diagram Schematic Ideas. Download Image. Garden Tractor Re Wiring Project Diagram As Much Craftsman.
Wiring Diagram For Craftsman Lawn Tractor Mower Clutch. Swisher Wiring Diagram Wiring Diagram 500. Briggs Engine Wiring Go Wiring Diagram. Mtd Fuses Diagram Wiring Diagram Dash.
0 Response to "39 craftsman lawn tractor wiring diagram"
Post a Comment