Iklan 300x250

35 strikemaster mag 2000 parts diagram

Strikemaster lazer mag 2000 tecumseh 2 hp repair - Ice ... Strikemaster lazer mag 2000 tecumseh 2 hp repair. Tweet. tight_lines. Participant. SE Minnesota. Posts: 90. February 23, 2015 at 10:13 pm #1515554. I have had this auger for several years and have been happy with its performance. A couple of weeks ago on a quite cold day I happened to snap the on off switch off when I was turning the auger off. Strikemaster Mag 2000 Problem - Equipment-Expert ... Strikemaster Mag 2000 Problem GUESTS. If ... There are delicate parts and the kits don't come with any documentation. You'll have to adjust the fuel level. I believe we're talking the walbro carb here in which case the button on the diaphragm should be level with the body of the carb. To make that adjustment you'll have to bend the tang on the ...

Strikemaster MAG 2000 Manuals | ManualsLib We have 2 STRIKEMASTER MAG 2000 manuals available for free PDF download: Operating & Parts Manual STRIKEMASTER MAG 2000 Operating & Parts Manual (13 pages) 2.0 H.P.

Strikemaster mag 2000 parts diagram

Strikemaster mag 2000 parts diagram

STRIKEMASTER MAG 2000 Manuals and User Guides, Fishing ... STRIKEMASTER MAG 2000 Manuals & User Guides. User Manuals, Guides and Specifications for your STRIKEMASTER MAG 2000 Fishing Equipment. Database contains 1 STRIKEMASTER MAG 2000 Manuals (available for free online viewing or downloading in PDF): Operating & parts manual . Parts diagram for Strikemaster Auger? - Lake-Link Parts diagram for Strikemaster Auger? SUBSCRIBE SUBSCRIBE ADD TO FAV ORTIES. 3/31/15 @ 12:32 PM. ORIGINAL POST. CazTrait. USER SINCE 6/15/01 PROFILE BLOCK USER. Find the Tecumseh model number and google it. It's most likely a TC300 powerhead. Like 0. REPORT ABUSE. POST YOUR COMMENT ... mag 2000 strikemaster | Strikemaster Mag 2000 Parts ... Aug 09, 2018 · 08.09.2018 08.09.2018 4 Comments on Strikemaster Mag 2000 Parts Diagram STRIKEMASTER Lasermag Xpress Operating & Parts Manual H.P. 2 Horsepower Lazer Lightweight 2 Horsepower ATTENTION: FOR BEST. StrikeMaster Ice Auger Repair, Ice Auger Service, full line of ice auger parts, new and demo augers for sale at DROCK Ice Center. ...

Strikemaster mag 2000 parts diagram. Strikemaster Auger Parts | Strikemaster Ice Auger Parts ... Strikemaster Auger Parts at the best price on the web and enjoy our flat rate $7.95 shipping for your complete order and additional discounts for larger orders. Our secured checkout has 128 bit encryption and open 24 hours a day for easy ordering. Auger Parts and Accesories - h2outfittersmarine.com 20″ StrikeMaster Auger Extension (EXT-3) $35.99. Add to cart Show Details. Magnum iii plus ice auger manual - Co-production ... MAGNUM III PLUS ICE AUGER MANUAL >> DOWNLOAD MAGNUM III PLUS ICE AUGER MANUAL >> READ ONLINE strikemaster mag 2000 parts diagram strikemaster ice auger parts diagram tecumseh ice auger parts osceola power equipment ice auger parts ice master auger parts. rebuild kit, and most other strikemaster auger parts you might need from D-Rock ice center. Strikemaster Solo Parts Manual Recipes STRIKEMASTER MAG 2000 CARBURETOR DIAGRAM 2 Horsepower OPERATING & PARTS MANUAL H.P. StrikeMaster Corporation Always check the operation of the throttle system to ensure the carburetor control is The manufacturer recommends that all augers, Lazer Mag Xpress, Strike-Lite, Lazer , Mag and Electra Lazer DP be used for ice cutting only. Assembly.

Strikemaster Ice Auger Parts Diagram Recipes 2018-08-09 · 08.09.2018 08.09.2018 4 Comments on Strikemaster Mag 2000 Parts Diagram. STRIKEMASTER Lasermag Xpress Operating & Parts Manual H.P. 2 Horsepower Lazer Lightweight 2 Horsepower ATTENTION: FOR BEST. StrikeMaster Ice Auger Repair, Ice Auger Service, full line of ice auger parts, new and demo augers for sale at DROCK Ice Center. … Strikemaster Mag 2000 Carburetor Diagram - Wiring Diagrams 2 Horsepower OPERATING & PARTS MANUAL H.P. StrikeMaster Corporation Always check the operation of the throttle system to ensure the carburetor control is The manufacturer recommends that all augers, Lazer Mag Xpress, Strike-Lite, Lazer , Mag and Electra Lazer DP be used for ice cutting only. Assembly. Strikemaster Ice Auger Parts Lookup 40V Lithium Lazer. 2016. 50V Lithium Lazer. HOW TO ORDER PARTS; Check the Dealer List below and contact the nearest dealer. If no dealer is close by please call Bay Distributors at 1-800-461-9500 or contact us by clicking here. USA owners, please call D-Rock Ice at 651-639-0446 or email sales@drockcenter.com. 2014 to 2015. StrikeMaster Parts - Rapala StrikeMaster Parts. We do not sell StrikeMaster auger parts on Rapala.com. To find and purchase auger parts, please visit the website or call one of our Master Service Centers: H2 Outfitters (763-262-2628) D-Rock (651-639-0446) Please be advised, servicing your StrikeMaster product at an unauthorized service center will void your StrikeMaster ...

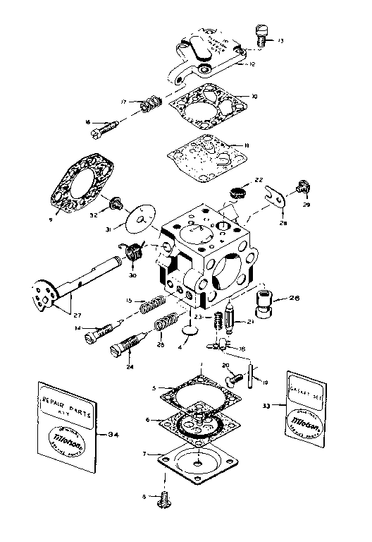
Strikemaster Mag 2000 Carb Diagram - schematron.org Strikemaster Mag 2000 Carb Diagram 24.09.2018 24.09.2018 2 Comments on Strikemaster Mag 2000 Carb Diagram I've got an early s model Mag auger and it's been running kind of So I figured I would order a carb rebuild kit from Strikemaster. StrikeMaster Mag 2000 Ice Auger TC300: Tecumseh 2 HP 3194H ... Strikemaster Mag 2000 with a 2 HP Tecumseh 2 stroke engine, TC300-3194H. All the parts are in Excellent barely used condition. The gas tank has a little normal scratching on the side from being leaned up against the wall or wherever. Strikemaster Mag 2000 Parts Diagram - Wiring Diagrams Strikemaster Mag 2000 Parts Diagram. StrikeMaster Ice Auger Repair, Ice Auger Service, full line of ice auger parts, new and demo augers for sale at DROCK Ice Center. OPERATING & PARTS MANUAL. H.P.. StrikeMaster Corporation . The manufacturer recommends that all augers, Lazer Mag Xpress, Strike-Lite. Tecumseh TC 2 Cycle Engine Parts Breakdown ... Tecumseh TC 300 Parts Lookup by Model - Jacks Small Engines Tecumseh TC 300 Exploded View parts lookup by model. Complete exploded views of all the major manufacturers. It is EASY and FREE

Strikemaster lazer mag 2000 tecumseh 2 hp repair - Ice ...

Strikemaster lazer mag 2000 tecumseh 2 hp repair - Ice ...

PDF Operating & Parts Manual 2.0 H.p. 2 Horsepower 2000 OPERATING & PARTS MANUAL 2.0 H.P. StrikeMaster Corporation P.O. Box 567 • 17217 198th Avenue • Big Lake, Minnesota 55309 Phone (763) 263-8999 • Fax (763) 263-8986 2 Horsepower Lazer Lightweight ATTENTION: FOR BEST PERFORMANCE IDLE ENGINE FOR 1-2 MINUTES BEFORE YOU START DRILLING.

Order Cannon Mag 10 STX TS Downrigger Parts online from ...

Order Cannon Mag 10 STX TS Downrigger Parts online from ...

Amazon.com: strikemaster carburetor FREE Shipping on orders over $25 shipped by Amazon. HUZTL 640347 640347A Carburetor for TM049XA TC200 TC300 Strikemaster Jiffy Ice Auger 50667 2-Cycle Engine with Fuel Line Filter. 5.0 out of 5 stars. 6. $16.99. $16. . 99. Get it as soon as Mon, Feb 14.

RADIO RECEIVER & AMPLIFIER & CONDENSER | ELECTRICAL GROUP ...

RADIO RECEIVER & AMPLIFIER & CONDENSER | ELECTRICAL GROUP ...

PDF TC300-3106F Page 1 of 3 Engine Parts List #1 Engine Parts List #1 Ref # Part Number Qty Description 1 250303 Cylinder (Incl. 119, 184, 187 & 187A)1 3 650888 Screw, Torx T-30, 1/4-20 x 43/64"4 13A 270298 Crankcase Cover1 13 270288A Crankcase Ass'y. (Incl. 20, 44 & 69)1 16B 490324 Air Vane1 16C 650986 Screw, Torx T-8, 3-48 x 7/32"1 19 570717 Governor Spring1 20 510328 Oil Seal1 30 290664 ...

StrikeMaster Mag 2000 Won't Stop Spinning - Ice Fishing Forum ...

StrikeMaster Mag 2000 Won't Stop Spinning - Ice Fishing Forum ...

Strikemaster Mag 2000 part - Ice Fishing - Fishing Reports ... 44. Location: Como. Share. Posted January 4, 2014. I have the newer style strikemaster mag 2000 with the black placstic handles. After I rebuilted the carburetor, as I was trying to tune the carburetor I lost the high jet speed screw. I looked everywhere and seems that the part is either not in stock or been discontinued.

YUMBO | spare parts catalog for снегохода YAMAHA VMAX 600 ...

YUMBO | spare parts catalog for снегохода YAMAHA VMAX 600 ...

PDF Tecumseh TC300-3136 2 Cycle Engine Parts Breakdown REPLACEMENT PARTS. IF IT IS MANUFACTURED BY TILLOSTSON, IT WILL BE MARKED TILLOTSON. IF IT IS MANUFACTURED BY TECUMSEH, IT WILL NOT BE MARKED. 1 1 1 1 1 1 2 1 2 1 1 1 1 1 1 1 1 1 1 1 4 1 1 1 1 1 1 Applicable Replacement Parts Diagram Carburetor Manufactured by Tecumseh (no markings) for use with Tecumseh TC300-3136 Engine on General 210 Hole Digger

Toptech Parts CO.,LTD.

Toptech Parts CO.,LTD.

Strikemaster Mag 2000 Parts Diagram - schematron.org 08.09.2018 08.09.2018 4 Comments on Strikemaster Mag 2000 Parts Diagram STRIKEMASTER Lasermag Xpress Operating & Parts Manual H.P. 2 Horsepower Lazer Lightweight 2 Horsepower ATTENTION: FOR BEST. StrikeMaster Ice Auger Repair, Ice Auger Service, full line of ice auger parts, new and demo augers for sale at DROCK Ice Center.

Shop Parts & Accessories at Pinnacle Motorsports | Bessemer, AL

Shop Parts & Accessories at Pinnacle Motorsports | Bessemer, AL

StrikeMaster Mag 2000 Carburetor Carb Ice Auger 2 HP for ... item 4 Strikemaster Mag 2000 49cc on off switch ice auger part bin 299 4 - Strikemaster Mag 2000 49cc on off switch ice auger part bin 299 . $14.99. Free shipping. item 5 Strikemaster Mag 2000 muffler ice auger part bin 3009 #1 5 - Strikemaster Mag 2000 muffler ice auger part bin 3009 #1. $17.99 ...

Strikemaster LM (Lazer Mag) Solo 142 Series 2014 - Current ...

Strikemaster LM (Lazer Mag) Solo 142 Series 2014 - Current ...

Strikemaster Lazer Mag help! - Ice Fishing Forum | In ... February 29, 2012 at 3:04 am #1044351. A carb kit at Strikemaster is $20. To replace the diaphram you need to remove the gas tank first which has 2 screws and a nut on top. Behind the cover the 2 screws were holding on there are 2 nuts to remove. You will see a chrome plate on the carb with 4 allen screws in it.

Elu EPT1161 Type 2 Planer Thicknesser Spare Parts - Part Shop ...

Elu EPT1161 Type 2 Planer Thicknesser Spare Parts - Part Shop ...

Ice Auger Parts - Jiffy, Strikemaster, Eskimo,ION Ice Auger Parts - Jiffy, Strikemaster, Eskimo, ION Ice Tents - Clam, HT, Eskimo

Help with Auger: Am I missing a spring?

Help with Auger: Am I missing a spring?

Replacement carb for a older strikemaster lazer mag - Ice ... Replacement carb for a older strikemaster lazer mag GUESTS. If ... They do a lot of service work on SM and their parts are cheaper then most places. I had to get a new gas cap for my old Mag III and Fleet wanted $19.95 and D-Rock had them for around $10. ... just had a carb kit installed on my mag 2000 at d rock center a few weeks ago. runs ...

Toro 56145 (8-32) - 8-32 Rear Engine Rider, 1987 (7000001 ...

Toro 56145 (8-32) - 8-32 Rear Engine Rider, 1987 (7000001 ...

Tecumseh TC300-3194G Parts Diagrams - Jacks Small Engines Parts Lookup - Enter a part number or partial description to search for parts within this model. There are (84) parts used by this model. Found on Diagram: Engine Parts List #1

Little Wonder SV-6/2 - Little Wonder Engine (SN: 36001001 ...

Little Wonder SV-6/2 - Little Wonder Engine (SN: 36001001 ...

mag 2000 strikemaster | Strikemaster Mag 2000 Parts ... Aug 09, 2018 · 08.09.2018 08.09.2018 4 Comments on Strikemaster Mag 2000 Parts Diagram STRIKEMASTER Lasermag Xpress Operating & Parts Manual H.P. 2 Horsepower Lazer Lightweight 2 Horsepower ATTENTION: FOR BEST. StrikeMaster Ice Auger Repair, Ice Auger Service, full line of ice auger parts, new and demo augers for sale at DROCK Ice Center. ...

Strikemaster MAG 2000 Manuals | ManualsLib

Strikemaster MAG 2000 Manuals | ManualsLib

Parts diagram for Strikemaster Auger? - Lake-Link Parts diagram for Strikemaster Auger? SUBSCRIBE SUBSCRIBE ADD TO FAV ORTIES. 3/31/15 @ 12:32 PM. ORIGINAL POST. CazTrait. USER SINCE 6/15/01 PROFILE BLOCK USER. Find the Tecumseh model number and google it. It's most likely a TC300 powerhead. Like 0. REPORT ABUSE. POST YOUR COMMENT ...

CARBURETOR for Kawasaki ELIMINATOR 125 2000 # KAWASAKI ...

CARBURETOR for Kawasaki ELIMINATOR 125 2000 # KAWASAKI ...

STRIKEMASTER MAG 2000 Manuals and User Guides, Fishing ... STRIKEMASTER MAG 2000 Manuals & User Guides. User Manuals, Guides and Specifications for your STRIKEMASTER MAG 2000 Fishing Equipment. Database contains 1 STRIKEMASTER MAG 2000 Manuals (available for free online viewing or downloading in PDF): Operating & parts manual .

Buy Dolmar MS-3200 Replacement Tool Parts | Dolmar MS-3200 ...

Buy Dolmar MS-3200 Replacement Tool Parts | Dolmar MS-3200 ...

battery protection cover Audi A3/S3/Sportb./Lim./qu (A3) 2012 ...

battery protection cover Audi A3/S3/Sportb./Lim./qu (A3) 2012 ...

Tecumseh Model TC300-3003 Parts Breakdown

Tecumseh Model TC300-3003 Parts Breakdown

Craftsman 358352330 chainsaw parts | Sears PartsDirect

Craftsman 358352330 chainsaw parts | Sears PartsDirect

Tecumseh Power Company TC300-3214G 3214G-TC300 Engine Parts ...

Tecumseh Power Company TC300-3214G 3214G-TC300 Engine Parts ...

The ROP Shop | Carburetor Carb for Strike Master & Jiffy Ice Augers Models  TM049XA

The ROP Shop | Carburetor Carb for Strike Master & Jiffy Ice Augers Models TM049XA

Minn Kota Edge 45 Parts - 2010 from FISH307.com

Minn Kota Edge 45 Parts - 2010 from FISH307.com

Kawasaki & Suzuki Motorcycle Parts Texas | ATV, Jet Ski ...

Kawasaki & Suzuki Motorcycle Parts Texas | ATV, Jet Ski ...

I need a diagram for the carbureter throttle spring setup for ...

I need a diagram for the carbureter throttle spring setup for ...

Tecumseh TM049XA-3610C Parts Diagram for Engine Parts List

Tecumseh TM049XA-3610C Parts Diagram for Engine Parts List

Buy Honda GXV160H2 Type-SFE1 (VIN# GJAAH-1000001-9999999 ...

Buy Honda GXV160H2 Type-SFE1 (VIN# GJAAH-1000001-9999999 ...

OPERATING & PARTS MANUAL 2.0 H.P.

OPERATING & PARTS MANUAL 2.0 H.P.

StrikeMaster Ice Augers Electra Lazer 12000 DP Operating ...

StrikeMaster Ice Augers Electra Lazer 12000 DP Operating ...

TECUMSEH 390304 MUFFLER for TC300 - £6.50 | PicClick UK

TECUMSEH 390304 MUFFLER for TC300 - £6.50 | PicClick UK

Kawasaki Motorcycle 1982 OEM Parts Diagram for Carburetor ...

Kawasaki Motorcycle 1982 OEM Parts Diagram for Carburetor ...

Ajax Motorsports of OKC > Shopping > Parts Finder

Ajax Motorsports of OKC > Shopping > Parts Finder

Leaf Blower Short Block 753-06367 parts | Sears PartsDirect

Leaf Blower Short Block 753-06367 parts | Sears PartsDirect

Volkswagen Phaeton (2009 - 2010) - for vehicle with cruise ...

Volkswagen Phaeton (2009 - 2010) - for vehicle with cruise ...

Strikemaster LM (Lazer Mag) Solo 142 Series 2011-2013 Ice ...

Strikemaster LM (Lazer Mag) Solo 142 Series 2011-2013 Ice ...

3 H.P. Manual | Manualzz

3 H.P. Manual | Manualzz

StrikeMaster Mag 2000 Won't Stop Spinning - Ice Fishing Forum ...

StrikeMaster Mag 2000 Won't Stop Spinning - Ice Fishing Forum ...

0 Response to "35 strikemaster mag 2000 parts diagram"

Post a Comment

Iklan Atas Artikel

Iklan Tengah Artikel 1

Iklan Tengah Artikel 2

Iklan Bawah Artikel