Iklan 300x250

38 exmark lazer z wiring diagram

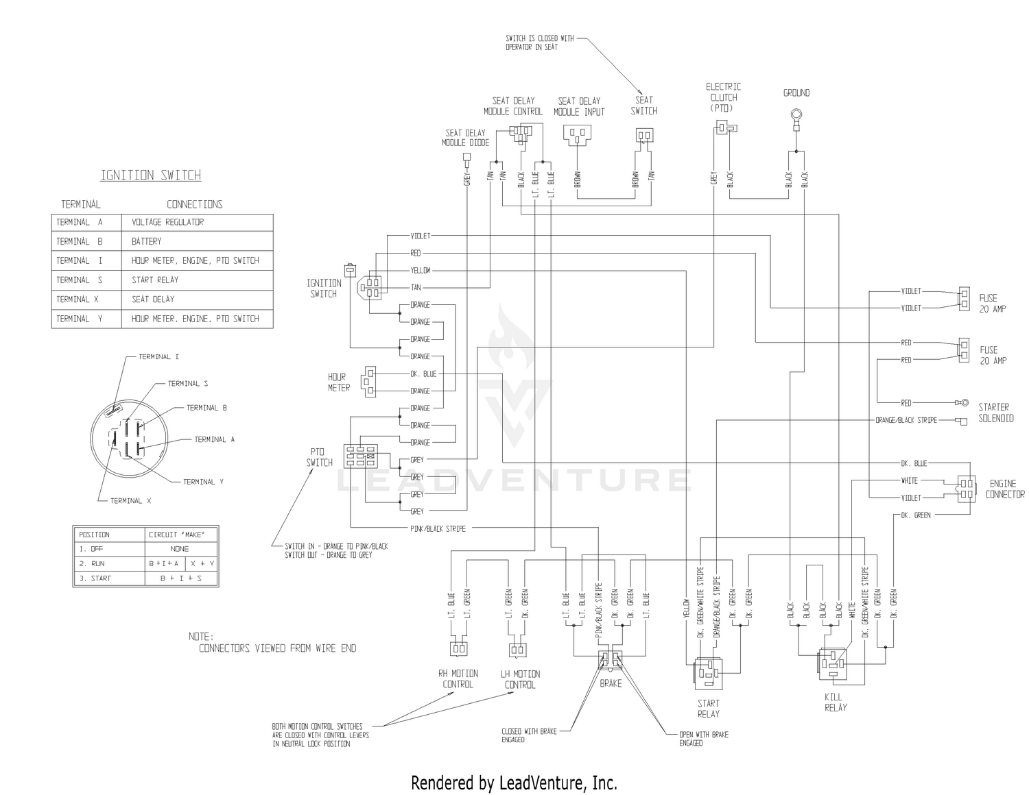
Exmark Wiring Diagram Exmark Lazer Z key switch would turn engine over. Pull up the parts manual and look at the wiring diagrams, the yellow wire goes to the start. Find product manuals for Exmark mowers and lawn care equipment from and before.It is easy for all of us to over complicate even the most straight-forward service and maintenance tasks. 2018 Exmark Lazer Z Manual 2018 Exmark Laser Z Manual Download. Airfoil 5 8 7 x 8. Strategies to one of the most asked questions will also be revealed using exmark lazer z ct wiring diagram. Exmark lazer mower parts - shank' lawn, Find parts with our diagrams. to begin, select the link below. exmark lazer z Exmark Lazer Z Mower Wiring Diagram.

Exmark LZ27KC604 - Exmark 60" Lazer Z Zero-Turn Mower ... Exmark repair parts and parts diagrams for Exmark LZ27KC604 - Exmark 60" Lazer Z Zero-Turn Mower, 27HP Kohler (SN: 370000 - 439999) (2003)

Exmark lazer z wiring diagram

Exmark lazer z wiring diagram

Exmark Lazer Z 26 Hp Wiring Diagram - schematron.org If you have any questions or concerns, contact the Exmark Customer Service department at or visit your local schematron.orgon: Ashland Avenue, Beatrice, NE, Exmark Lazer Z Electrical Schematic Displaying sections and components for the eXmark Lazer Z AC - Exmark Lazer Z Air Cooled Schematic 23,27,30 HP. Several of wiring diagram for exmark zero ... Exmark Lazer Z Wiring Diagram - Electrical Wiring Diagram ... Exmark lazer z exmark lazer z mower wiring diagram. 67 mustang starter wiring diagram. This machine sat for a couple of months without running then it went through hurricane harvey and was flooded in 4 feet of water. Exmark lazer z ignition switch wiring diagram exmark lazer z key switch would turn engine over. Exmark Lazer Z Wiring Diagram - schematron.org Exmark Lazer Z Wiring Diagram. Find product manuals for Exmark mowers and lawn care equipment from and before. Lazer Z Liquid-Cooled. Serial Number Range, Operator Manual. Exmark Lazer Z HP User Manual • Schematics, Electrical diagram — kohler, Ignition switch • Exmark Gardening equipment. Discover best Exmark Lazer Z images and ideas on ...

Exmark lazer z wiring diagram. Exmark Lazer Z Parts Diagram - Automotive Parts Diagram Images Description: Exmark Lazer Z - Maintenance Tips, Part 4 - Youtube in Exmark Lazer Z Parts Diagram, image size 480 X 360 px, and to view image details please click the image.. Actually, we have been remarked that exmark lazer z parts diagram is being one of the most popular field at this moment. So that we attempted to get some great exmark lazer z parts diagram image for you. Exmark Lazer Z Drive Belt Diagram - Diagram Niche Ideas Schematicsschematics schematics electrical diagram 52. Page 54 exmark commercial turf equipment 2 year limited. Exmark lazer z pulley diagram. Its exmark hydro drive system offers an easy to change belt and is simplified with no hoses to leak. The exmark lazer z design eliminates the need for drive belts, improving the efficiency of the powertrain. Solenoid wiring help on older Exmark Lazer HP | LawnSite ... Big wires are right. For the small wires make sure the ground is on one side, and the signal wire on the other side. I dont know the machine so I dont know what wires are what. Just follow where they go to find out, or find the wiring diagram from the exmark site. The manual should be there. Exmark LHP4819KA (SN 190,000-219,999) [1999] Parts Diagram ... Exmark LHP4819KA (SN 190,000-219,999) [1999] Electrical Group Exploded View parts lookup by model. Complete exploded views of all the major manufacturers. It is EASY and FREE

Exmark Parts Diagram | Wiring Diagram And Fuse Box Diagram ... exmark lazer z parts diagram is one of the pictures we found on the web from reliable sources. We choose to explore this exmark lazer z parts diagram image in this post just because according to data coming from Google search engine, It really is one of many best searches keyword on google. Exmark Lazer Z Ignition Switch Wiring Diagram Exmark Lazer Z Ignition Switch Wiring Diagram Exmark Lazer Z key switch would turn engine over. Pull up the parts manual and look at the wiring diagrams, the yellow wire goes to the start. Displaying Electrical Group parts for the eXmark Lazer Z - Exmark Lazer Z Zero- Turn Mower (SN: ). Browse all parts by section for this model. Exmark Manuals - 2005 and Older | Exmark Equipped with the UltraCut Rear Discharge cutting system, the Lazer Z S-Series strikes the perfect balance of value, performance and versatility. Deck widths from 60" to 72" As low as $14,499 / $267 mo USD Exmark LAS25KC604 (SN 670,000-719,999) [2007] Parts Diagrams Exmark LAS25KC604 (SN 670,000-719,999) [2007] Exploded View parts lookup by model. Complete exploded views of all the major manufacturers. It is EASY and FREE

Exmark Lazer Z Ignition Switch Wiring Diagram - Database ... Exmark Lazer Z Ignition Switch Wiring Diagram Source: usermanual.wiki. Read cabling diagrams from unfavorable to positive and redraw the circuit being a straight collection. All circuits are usually the same ~ voltage, ground, solitary component, and buttons. Exmark Lazer Z Ignition Switch Wiring Diagram Source: . PDF LAZER Z E-SERIES - Weingartz LAZER Z ® E-SERIES For Serial Nos. 315,000,000 & Higher Lazer Z (LZE) Units PartNo. 4502-375Rev. A L Exmark Lazer Z 60 Wiring Diagram - Wiring Diagram Exmark Lazer Z 60 Wiring Diagram. By Admin | August 3, 2018. 0 Comment. Exmark lazer z as s n 850 000 919 999 electrical diagram lz31bv604 60 zero turn mower 31hp briggs stratton sn 540000 599999 2005 parts lookup with diagrams partstree schematics kohler efi series user manual page 53 lzas25kc604 25hp 850000 919999 2010 air cooled logic ... Exmark Wiring Diagram - Diagram Niche Ideas Exmark wiring diagram. These values were measured with all. Wiring diagrams can be helpful in many ways, including illustrated wire colors, showing where different elements of your project go using electrical symbols, and showing what wire goes where. Related manuals for exmark self propelled mower.

ExMark Lazer Z HP blowing fuse | LawnSite™ is the largest and ...

ExMark Lazer Z HP blowing fuse | LawnSite™ is the largest and ...

Exmark Lazer Z Wiring Schematic - Free Wiring Diagram Assortment of exmark lazer z wiring schematic. A wiring diagram is a streamlined conventional photographic representation of an electric circuit. It shows the elements of the circuit as simplified shapes, as well as the power and signal links between the devices.

Lazer Z E-Series LZE651CKA484A2

Lazer Z E-Series LZE651CKA484A2

Exmark Lazer Z Wiring Diagram Exmark Lazer Z HP User Manual • Schematics, Electrical diagram — kohler, Ignition switch • Exmark Gardening equipment. wiringall.com - Select eXmark LZ27KC - Exmark 60 Lazer Z Zero-Turn Mower, 27HP Kohler (SN: ) () Diagrams and order Genuine .Details about exmark lazer z hp wiring diagram has been uploaded by Ella Brouillard and tagged in ...

kohler 26 and 28 efi problems | Page 2 | LawnSite™ is the ...

kohler 26 and 28 efi problems | Page 2 | LawnSite™ is the ...

montilucretili.it Model: Lazer Z. - Lawn Mower Craftsman ZTS 7500How to Lift Up the Seat on an Exmark Mower. Details about exmark lazer z hp wiring diagram has been uploaded by Ella Brouillard and tagged in This item, Exmark 61" Turf Tracer Mower, is part of the auction: Surplus Liquidation-NY #26705.

How to Bypass Safety Switches on Exmark & Sidestep Unwanted Stops

How to Bypass Safety Switches on Exmark & Sidestep Unwanted Stops

Exmark Lazer Z Ct Wiring Diagram - Wiring Diagram Exmark Lazer Z Ct Wiring Diagram. By Admin | August 3, 2018. 0 Comment. Exmark lazer z ct 7 briggs stratton electrical diagram as s n 850 000 919 999 lct4418bv 44 zero turn mower 18hp sn 510000 539999 2005 parts lookup with diagrams partstree lz31bv604 60 31hp 540000 599999 schematics kohler efi series user manual page 53 lct18bv483 48 670000 ...

Exmark Lazer Z AS S/N 790,000-849,999 LZAS20BV484 S/N 790,000 ...

Exmark Lazer Z AS S/N 790,000-849,999 LZAS20BV484 S/N 790,000 ...

Exmark Troubleshooting Manual kohler engine justanswer, exmark lazer z 103 0656 parts manual pdf download, kohler small engine parts at jack s, kohler cv15 41562 john deere 15 hp 11 2 kw parts diagrams, wiring diagrams kohler Kohler engine runs then dies Apologies for going so far into teaching mode. Cold starts great. Download Free Kohler Lawn Mower Engine

Exmark Lazer Z AS S/N 850,000-919,999 Electrical Diagram

Exmark Lazer Z AS S/N 850,000-919,999 Electrical Diagram

Exmark Lawn Mower Service & Support | Exmark Click below for more service videos including installing a collegiate seat on an Exmark Lazer Z mower. If you have any questions or concerns, contact the Exmark Customer Service department at 402-223-6375 or visit your local dealer. Use the features below to find Exmark operator and parts manuals.

eXmark Lazer Z AS S/N 600,000-669,999, LAS25KC604 S/N 600,000 ...

eXmark Lazer Z AS S/N 600,000-669,999, LAS25KC604 S/N 600,000 ...

PDF Exmark Engine Wiring Exmark Lazer Z 26 Hp Wiring Diagram - schematron.org Variety of kohler engine wiring schematic. A wiring diagram is a simplified standard pictorial representation of an electrical circuit. It reveals the parts of the circuit as streamlined forms, and the power and also signal links between the devices.

Exmark LZAS29KA724 - Exmark 72

Exmark LZAS29KA724 - Exmark 72" Lazer Z AS Zero-Turn Mower ...

PDF Exmark Engine Wiring - copa2019.saesp.org.br Exmark Lazer Z 26 Hp Wiring Diagram - schematron.org Variety of kohler engine wiring schematic. A wiring diagram is a simplified standard pictorial representation of an electrical circuit. It reveals the parts of the circuit as streamlined forms, and the power and also signal links between the devices.

Exmark Lazer Z XS Diesel S/N 670,000 & Up LXS25KD605 S/N ...

Exmark Lazer Z XS Diesel S/N 670,000 & Up LXS25KD605 S/N ...

Exmark Zero-Turn Mowers Lazer Z Parts with Diagrams ... Exmark Zero-Turn Mowers: Lazer Z Parts Lookup & Diagrams Exmark Zero-Turn Mowers: Lazer Z ( 749 Models ) LAS23KC524 - Exmark 52" Lazer Z AS Zero-Turn Mower, 23HP Kohler (SN: 600000 - 669999) (2006)

Exmark Lazer Z Air Cooled 604 S/N 720,000 & Up LZ27KC604 S/N ...

Exmark Lazer Z Air Cooled 604 S/N 720,000 & Up LZ27KC604 S/N ...

Exmark Wiring Diagram - Wiring Sample Exmark Lazer Z Ignition Switch Wiring Diagram. A wiring diagram is a streamlined conventional photographic representation of an electric circuit. 720000 - 789999. If you do not see the Exmark Electrical Parts you need please complete the Lawn Mower Parts Request Form and we will be happy to assist you.

Exmark LZ27LKA604 S/N 260,000-319,999 (2001) Parts Diagram ...

Exmark LZ27LKA604 S/N 260,000-319,999 (2001) Parts Diagram ...

Exmark Lazer Z Wiring Diagram - schematron.org Exmark Lazer Z Wiring Diagram. Find product manuals for Exmark mowers and lawn care equipment from and before. Lazer Z Liquid-Cooled. Serial Number Range, Operator Manual. Exmark Lazer Z HP User Manual • Schematics, Electrical diagram — kohler, Ignition switch • Exmark Gardening equipment. Discover best Exmark Lazer Z images and ideas on ...

Exmark Lawn Mower Advantage Series User Guide | ManualsOnline.com

Exmark Lawn Mower Advantage Series User Guide | ManualsOnline.com

Exmark Lazer Z Wiring Diagram - Electrical Wiring Diagram ... Exmark lazer z exmark lazer z mower wiring diagram. 67 mustang starter wiring diagram. This machine sat for a couple of months without running then it went through hurricane harvey and was flooded in 4 feet of water. Exmark lazer z ignition switch wiring diagram exmark lazer z key switch would turn engine over.

Exmark Lazer Z User Manual

Exmark Lazer Z User Manual

Exmark Lazer Z 26 Hp Wiring Diagram - schematron.org If you have any questions or concerns, contact the Exmark Customer Service department at or visit your local schematron.orgon: Ashland Avenue, Beatrice, NE, Exmark Lazer Z Electrical Schematic Displaying sections and components for the eXmark Lazer Z AC - Exmark Lazer Z Air Cooled Schematic 23,27,30 HP. Several of wiring diagram for exmark zero ...

Exmark LZ27LKA724 S/N 320,000-369,999 (2002) Parts Diagram ...

Exmark LZ27LKA724 S/N 320,000-369,999 (2002) Parts Diagram ...

eXmark Lazer Z XP S/N 260,000-319,999, LZ27DD724 S/N 260,000 ...

eXmark Lazer Z XP S/N 260,000-319,999, LZ27DD724 S/N 260,000 ...

HD Switch Replacement Starter Ignition Wire Harness for Toro Exmark Lazer Z  & Many More - Made in The USA

HD Switch Replacement Starter Ignition Wire Harness for Toro Exmark Lazer Z & Many More - Made in The USA

Exmark Lazer Z AS S/N 790,000-849,999 LZAS20BV484 S/N 790,000 ...

Exmark Lazer Z AS S/N 790,000-849,999 LZAS20BV484 S/N 790,000 ...

Exmark LAS28KA604 - Exmark 60

Exmark LAS28KA604 - Exmark 60" Lazer Z AS Zero-Turn Mower ...

Untitled

Untitled

Exmark Lazer Z User Manual

Exmark Lazer Z User Manual

Exmark LZ25KC724 S/N 220,000-251,999 (2000) Parts Diagram for ...

Exmark LZ25KC724 S/N 220,000-251,999 (2000) Parts Diagram for ...

Toro Z500 Series Indak Ignition Switch Stens Replacement Part

Toro Z500 Series Indak Ignition Switch Stens Replacement Part

Exmark LZ23KC604 - Exmark 60

Exmark LZ23KC604 - Exmark 60" Lazer Z Zero-Turn Mower, 23HP ...

Exmark LHP4419KA - Exmark 44

Exmark LHP4419KA - Exmark 44" Lazer Z HP Zero-Turn Mower ...

Exmark LHP5223KA (SN 370,000-439,999) [2003] Parts Diagram ...

Exmark LHP5223KA (SN 370,000-439,999) [2003] Parts Diagram ...

EXMARK LAZER Z S-SERIES OPERATOR'S MANUAL Pdf Download ...

EXMARK LAZER Z S-SERIES OPERATOR'S MANUAL Pdf Download ...

Powered Dandy Lifts

Powered Dandy Lifts

Exmark LZ28KC604 (SN 540,000-599,999) [2005 LATE] Parts ...

Exmark LZ28KC604 (SN 540,000-599,999) [2005 LATE] Parts ...

Exmark Lazer Z Engine Replacement Kits for Kohler ECV740

Exmark Lazer Z Engine Replacement Kits for Kohler ECV740

EXMARK LAZER Z OWNERS MANUAL OLDER MODEL SER#440,000 WIRING DIAGRAM DECK  PARTS | eBay

EXMARK LAZER Z OWNERS MANUAL OLDER MODEL SER#440,000 WIRING DIAGRAM DECK PARTS | eBay

eXmark Lazer Z XS S/N 540,000-599,999, LZ31BV604 S/N 540,000 ...

eXmark Lazer Z XS S/N 540,000-599,999, LZ31BV604 S/N 540,000 ...

Exmark 117-1197 Solenoid Lazer Z AS CT Quest Vantage Turf ...

Exmark 117-1197 Solenoid Lazer Z AS CT Quest Vantage Turf ...

Exmark Lazer Z HP S/N 320,000-369,999 LHP4417KA S/N 320,000 ...

Exmark Lazer Z HP S/N 320,000-369,999 LHP4417KA S/N 320,000 ...

Charging System Problem on a Scag Tiger Cat ZeroTurn Mower with Kohler  Command Pro 27 Engine

Charging System Problem on a Scag Tiger Cat ZeroTurn Mower with Kohler Command Pro 27 Engine

Exmark Lazer Z AS S/N 600,000-669,999 LAS23KC524 S/N 600,000 ...

Exmark Lazer Z AS S/N 600,000-669,999 LAS23KC524 S/N 600,000 ...

Schematics of the circulation cooling water system for Unit-3 ...

Schematics of the circulation cooling water system for Unit-3 ...

exmark lazar z electrical problem | Lawn Mower Forum

exmark lazar z electrical problem | Lawn Mower Forum

Exmark Lazer Z HP S/N 160,000-169,999 LHP4417KA S/N 150,000 ...

Exmark Lazer Z HP S/N 160,000-169,999 LHP4417KA S/N 150,000 ...

0 Response to "38 exmark lazer z wiring diagram"

Post a Comment

Iklan Atas Artikel

Iklan Tengah Artikel 1

Iklan Tengah Artikel 2

Iklan Bawah Artikel