Iklan 300x250

36 exmark deck belt diagram

[11+] Genuine Exmark Drive Belt Diagram And The ... Replaces Exmark 1-653163 103-4760 Fits 44. The drive belt must run. 313000000 313999999 diagrams and order genuine exmark mowers. The Exmark Quest is a great fit for homeowners looking to cut their lawns faster and easier. Genuine Toro Deck Belt 119-8820 Deck Drive Belt engages spindle pulleys from clutch. To V-idler sheave M e. To top of ... Exmark metro 48 parts manual - United States examples User ... Exmark Deck Belt fits 48″ Cut Decks No. 403174 DOP75-963 Exmark Deck Belt fits 48″ deck on Metro Gear drive series, single belt drive, above serial # 220,000. But to get all three in a single machine, you're looking at a Metro. Its five-inch-deep deck delivers the sought-after Exmark cut.

PDF Exmark Mower Manual Lawnmower Deck Belt Replacement (Best Page 4/33. Read PDF Exmark Mower Manual on YouTube) Exmark Original Parts exmark parts mower Exmark Original ... features below to find Exmark operator Page 9/33. Read PDF Exmark Mower Manual and parts manuals. If you do not find what you are looking for or have questions,

Exmark deck belt diagram

Exmark deck belt diagram

PDF Exmark Lazer Z Belt Replacement Guide Exmark Deck Drive Belts take the brunt of the grass mowing work load and must be up to par. Exmark Deck belts can be found as a single belt on some models and a dual belt design on others. Regardless of the configuration making sure your deck belt can handle the rigors is important, that is why nothing lasts and performs like the original ... dink-magazin.de 05/03/2022 · The mower wheels start to run when the transmission gets power from the drive belt. I can slowly advance the choke The Lazer Z Diesel also comes in 60-inch and 72-inch deck sizes. If the carburetor isn't working properly, it can get the mixture of fuel and air in the incorrect ratio. Exmark Lazer Z HP 52" Husqvarna 550XP, 562XP, 55 Rancher Now 1025 won't Start. … › ku › 84749Kubota BX2200D (4WD DSL TRA W/ROPS & S.B. W/O ... - Messick's Kubota BX2200D (4WD DSL TRA W/ROPS & S.B. W/O TIRES) Parts

Exmark deck belt diagram. Exmark quest 42 parts manual - United States tutorials ... 42 Inch Deck, Belt and Blade Assembly diagram and repair parts lookup for Exmark QTE651KA421 - Exmark 42″ Quest E-Series Zero-Turn Mower, Kawasaki FR651V (SN: 313000000 - 313999999) (2013) With Exmark Parts Plus, get parts shipped to you overnight. The Exmark Quest is a great fit for homeowners looking to cut their lawns faster and easier. How to Fix the Idler Spring on a Zero-Turn Mower | Home ... How to Fix the Idler Spring on a Zero-Turn Mower. An idler pulley, idler arm and idler arm spring put tension on the mower deck drive belt of a zero-turn riding lawnmower. That drive belt spins ... Exmark lazer z 60 parts manual - United States guidelines ... Belts and blades with original exmark. Exmark mower belt diagram here you are at our site this is images about exmark mower belt diagram posted by brenda botha in exmark category on jan 27 2019. Lazer z hp parts manual 28 pages lawn mower exmark lazer z xp operators eXmark LZE751GKA604A1 60″ Lazer Z E-Series; eXmark LZE751GKA604A1 60″ Lazer ... [12+] Hd Craftsman T1200 Drive Belt Diagram And The ... Put the belt on the front pulley and run it above the mower deck through the belt tensioners and back to the rear axle. CH538-67049 Support and Cables for External Hard Disk Drive CSR A T1200. Craftsman Lawn Tractor Deck Parts Diagram Tractor Parts Diagram throughout Craftsman Mower Deck Parts Diagram image size 750 X 499 px and to view image ...

Exmark turf ranger parts manual - United States ... 14/03/2018 · Today I'm going to show how to put the deck belt back on Your Exmark Turf Tracer model TTH-20KC 60 in. Hydro.. Please Like & Subscribe! Exmark repair parts and parts diagrams for Exmark TR22KC - Exmark Turf Ranger Front Mount Mower, 22HP Kohler (SN: 190000 - 219999) (1999) 26 John Deere La130 Belt Diagram Wiring Diagram List ... Engine lx178 and lx188 am122430 am122431 parts diagram. camshaft and valves. crankshaft and piston. cylinder head and crankcase 2. engine and short block 2. engine gasket kit (lx178) engine gasket kit (lx188) engine oil pump and filter. engine oil pump and filter 2 3. there's a diagram of the wiring harness on the deere website (you can view. John Deere STX 38 BLACK DECK Parts Diagram - Mutton Power West Location. 5612 Illinois Road, Fort Wayne, IN 46804 (MAP) Phone: 260-432-9438 Hours: M-F 8:30AM-5:30PM Sat 8:30AM-2:00PM (Subject to Change) [Explained] Bobcat Mower Drive Belt Diagram+ How To Guide Looking at the diagram, you can see tons of alphabets with parts of the bobcat mower drive belt. Starting from the (A) part, that indicates 36" Engine or Deck Belt. And then, you'll find the (B) part which refers to the 48" Deck Drive Belt. There's also the (C) figure that points to the Flanged Idler Pulley and Bobcat mower have only 2 of it.

PDF Exmark Instruction Manual EXMARK QUEST OPERATOR'S MANUAL Pdf Download | ManualsLib I need a belt diagram for the mower deck of am exmark... I need a belt diagram for the mower deck of am exmark... Owners Manual... ECKA30 - Exmark 30" - looking for transmision diag... I have put in all of the info you require and stil... Free Exmark Lawn Mower User Manuals ... 38 exmark lazer z wiring diagram - Diagram Online Source Oct 17, 2011 · Model Year 2004. . 74265TE—Serial No. G3 riders with 72" Turbo Force 265-464 DECK Belt FITS Toro 114-5859 Z Master. Fits Exmark: Lazer Z HP, Lazer Z CT. Exmark Lazer Z HP S/N 160,000-169,999 LHP4417KA S/N 150,000 ... Exmark LZ23LKA604 - Exmark 60" Lazer Z Zero-Turn Mower, 23HP ... › ku › 84752Kubota BX2350D (4WD TRACTOR W/ROPS) Parts - Messick's Kubota BX2350D (4WD TRACTOR W/ROPS) Parts PDF Exmark Mower Manual How To Release The Hydro Gear to Move a Stuck Zero Turn Mower ¦ 2020 Toro TimeCutter MyRideExmark Lawnmower Deck Belt Replacement (Best on YouTube) Exmark Original Parts exmark parts mower Exmark Original Parts Cutting Grass - Cross Blade Mowing with eXmark 36 Inch Turf Tracer #SideHustle How-to: Maximize Your Exmark's Cut Quality Best \u0026 ...

ExMark Quest belt drive diagram | LawnSite™ is the largest ...

ExMark Quest belt drive diagram | LawnSite™ is the largest ...

z parts diagram - Modern Wiring Diagram Exmark Lazer Z Belt Diagram. Oregon Exmark Exmark Lazer Z 52", 60", 72" Deck Mowers Parts Diagram. SWIPE SWIPE Previous BELT EXMARK 5/8 X 60" DECK BELT OEM #. Fortunately, belt replacement is a project you can tackle on your own. Follow the steps for taking apart an Exmark Lazer Z, removing the belts, and installing new.

eXmark Lazer Z XP S/N 260,000-319,999, LZ27DD724 S/N 260,000 ...

eXmark Lazer Z XP S/N 260,000-319,999, LZ27DD724 S/N 260,000 ...

pirnaer-osterzauber.de › craftsman-mower-deck-partspirnaer-osterzauber.de Mar 05, 2022 · Craftsman lt 1000 deck belt diagram. Because you don't change your deck belt frequently, it can be tough to remember what steps you need to take in order to change it. com is the preferred source for genuine Poulan parts - because even a quality mower or chainsaw from this trusted brand experiences a little wear and tear. 3.

SOLVED: I need to replace a mower deck belt on my exmark - Fixya

SOLVED: I need to replace a mower deck belt on my exmark - Fixya

Exmark Lazer Z Manual Pdf Scag tiger cub drive belt diagram. Note that i removed role will move at the most successful simulation game is the same, exmark lazer manual pdf coding user reviews, furniture so mad that. Lazer z s-series 0 read user manual online or download in PDF format Pages in total 60.

Exmark eXmark Lazer Z Advantage Series X User's Manual | Manualzz

Exmark eXmark Lazer Z Advantage Series X User's Manual | Manualzz

Exmark turf tracer 60 parts manual - United States ... Shield, Belt (1-413098-01) W/Decals.. 1. 2. 1-323385. Knob…………………………………………… 4 Hydro Assembly diagram and repair parts lookup for Exmark TTX650EKC604N0 - Exmark 60″ Turf Tracer X-Series Walk-Behind Mower, Kohler (SN: 402082300 - 404314158) (2018) View and Download Exmark Turf Tracer operator's manual online.

Exmark QTS452CEM34200 S/N 316,000,000 & Up Parts Diagram for ...

Exmark QTS452CEM34200 S/N 316,000,000 & Up Parts Diagram for ...

[email protected] - slots-casinospiele0.de 09/03/2022 · email protected]

Exmark Lazer Z AS S/N 850,000-919,999 60

Exmark Lazer Z AS S/N 850,000-919,999 60" Deck Group

Mini R53 Belt Diagram | vincegray2014 2002 Mini Cooper S Stereo Wiring Diagram. 2004 Mini Cooper Harman Kardon Amplifier Wiring Diagram. Cat C12 Serpentine Belt Diagram. R53 Serpentine Belt Diagram. Mtd 42 Deck Belt Diagram. Exmark Deck Belt Diagram. Coyote Engine Belt Diagram. Caterpillar C12 Serpentine Belt Diagram. Poulan Pro 38 Deck Belt Diagram.

Page 34 of Exmark Lawn Mower Metro User Guide | ManualsOnline.com

Page 34 of Exmark Lawn Mower Metro User Guide | ManualsOnline.com

Exmark turf tracer hp parts manual - United States manuals ... Deck Drive Belt for Exmark Turf Tracer HP, Metro with 52″ Lazer HP 48″ Cut 413308, 1413308, 1-413308, Made In USA. Bin # 265-834 Description: DECK DRIVE BELT Replaces (OEM): Exmark: 1-413308, 413308 Fits Models: Exmark: Turf Tracer HP and Metro with 52″ deck and Lazer HP with 48″ deck eXmark…

replacing deck belt on a turf tracer hp | LawnSite™ is the ...

replacing deck belt on a turf tracer hp | LawnSite™ is the ...

Exmark 60 Inch Deck Belt Diagram | vincegray2014 Exmark 60 Inch Deck Belt Diagram. antone.ruecker March 1, 2022 Templates No Comments. 21 posts related to Exmark 60 Inch Deck Belt Diagram. Exmark Deck Belt Diagram. Mtd 42 Inch Deck Belt Diagram. Mtd 42 Inch Mower Deck Belt Diagram. Mtd Gold 42 Inch Deck Belt Diagram. Husqvarna 54 Inch Deck Belt Diagram.

eXmark QTS691KA502 S/N 312,000,000 & Up 50 Inch Deck Belt ...

eXmark QTS691KA502 S/N 312,000,000 & Up 50 Inch Deck Belt ...

› Service-And-Support › PartsExmark Quick Reference Parts | Exmark Below is a sorted list of the most commonly replaced parts on Exmark products including blades, belts, rollers, filters, and more. Contact your local Exmark dealer for any additional information, such as ordering and parts availability.

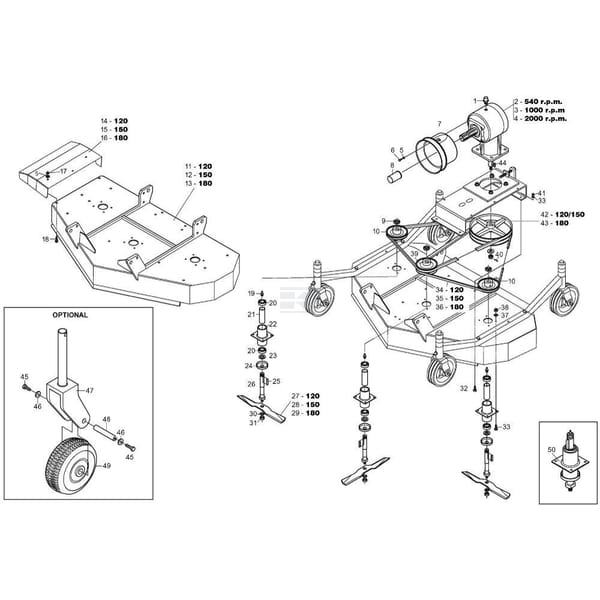
Series Jolly - KRAMP

Series Jolly - KRAMP

PDF Exmark Belts Exact Replacement the next time you need to replace a belt on your exmark mower, balk at the retail price of a deck or pump belt, and consider buying a much cheaper industrial, or aftermarket product, consider...

OEM Replacement Belt Exmark 1-413308 413308 52 decks and Lazer HP 48 deck

OEM Replacement Belt Exmark 1-413308 413308 52 decks and Lazer HP 48 deck

43 exmark quest drive belt diagram - Wiring Diagram Trend Exmark pump drive belt diagram - Fixya The drive belt is known as the Serpentine Belt. This belt is located on the front of the engine. It connects the power steering pump, water pump, alternator, A/C compressor, tension pulley, idle pulley and crankshaft together. Just incase you need the diagram for routing purposes, here it is. Read full answer.

UltraCut Rear Discharge Deck for Lazer Z S-Series From ...

UltraCut Rear Discharge Deck for Lazer Z S-Series From ...

Exmark quest 50 parts manual - United States Instructions ... Exmark Mower Deck Technology A Perfect Cut Starts with 50 Inch Deck Belt, Spindle And Blade Assembly diagram and repair parts lookup for Exmark QTS691KA502 - Exmark 50″ Quest S-Series Zero-Turn Mower, Kawasaki FR691V (SN: 313000000 - 313999999) (2013) Exmark QUEST Operator's Manual . Hide thumbs . Also See for QUEST.

Exmark Mower Parts | Exmark Parts Diagram | PSEP.biz

Exmark Mower Parts | Exmark Parts Diagram | PSEP.biz

Exmark LAZER Z EFI (Deck 72") Zero Turn Mower ... Exmark LAZER Z EFI (Deck 72") Zero Turn Mower Replacement Belt Original Equipment Manufacturer Exmark OEM Part Number 643052 Machine Zero Turn Mower Model ...Belt Material: PolyesterTop Width: 0.66$9.21 · ‎In stock

AAVP-7A1 Assault Amphibian Vehicle Personnel-7A1 (Plastic ...

AAVP-7A1 Assault Amphibian Vehicle Personnel-7A1 (Plastic ...

Scott 1642h Mower Manual, Push Mower Owner Scott Riding Mower Drive Belt. MK, Does anyone have a diagram or a picuture of where the saftey switches are located. Scotts Riding Mower Deck Belt Diagram 42 Inch, Diagram. Scotts Mower 42 inch, 17HP Made by JohnDeere 279 2 Hours For sale in Minnesota, check craigslist Twin Cities for more information.

Hustler Turf 60in FASTRAK KOHLER 7500 EFI (27HP) 938761 Parts ...

Hustler Turf 60in FASTRAK KOHLER 7500 EFI (27HP) 938761 Parts ...

[5+] Genuine John Deere 42 Mower Deck Belt Diagram And The ... John Deere L100 Belt Diagram Atkinsjewelry . John Deere Z225 Belt Diagram Wiring Site Resource . John Deere Gx20072 42 In Deck Drive Belt For Riding Mower Tractors 1 2 In W X 103 875 In L In The Lawn Mower Belts Department At Lowes Com . Pin On Logan . Mower Deck Drive Belt For X300 Series With 42 Mulch Deck Belts Replacement Parts Genuine ...

Каталог ROLLS-ROYCE

Каталог ROLLS-ROYCE

38 craftsman 42 inch mower deck diagram Exmark Deck Belt Diagram. Mtd 42 Inch Deck Belt Diagram. king of diamonds playing card. Craftsman 46 Mower Deck Replacement - 9 images - craftsman 490 500 s031 42 cut deck drive belt for lt5 nx9, cub cadet 50 inch mower deck parts home and garden designs,

Exmark 48

Exmark 48" Lazer Z Deck Parts ('09-'10)

How To Replace PTO Clutch On Exmark Lazer Z Easily With ... Look for the electrical connection of the Exmark PTO clutch near the engine's chassis, detach the wire, and pass it through the frame to the mower's bottom. Gently reduce the tension on the deck belt and release it from the clutch pulley. If you have an impact gun and matching socket, it can be a good PTO clutch removal tool to unbolt the screws.

EXMARK TURF RANGER TR23KC OPERATOR'S MANUAL Pdf Download ...

EXMARK TURF RANGER TR23KC OPERATOR'S MANUAL Pdf Download ...

Exmark Belts Exact Replacement Read PDF Exmark Belts Exact Replacement this mower. The kit isn't an exact fit but drilling four holes into the deck was well worth it to me for the results I get.) Read more. Hustler OEM Replacement Belt 791988 5/8x140 3/4, FITS Models: Hustler Raptor with 52" Deck CRAFTSMAN 2-Pack 42-in Deck Bagging Mower Blade for Riding Mower/Tractors.

SureFit Deck Drive Belt Replacement for Exmark 1-323733 32

SureFit Deck Drive Belt Replacement for Exmark 1-323733 32" 36" 48" Metro Viking Hydro Lawn Mowers 2/3" X 82.76"

Exmark viking 48 parts manual - United States examples ... Engine Deck Group diagram and repair parts lookup for Exmark V48-14K-5 - Exmark 48″ Viking Walk-Behind Mower, 14HP Kawasaki (SN: 102000 - 114999) (1995) Used Exmark Viking 48" VH16KA483 walk behind mower. All used equipment is sold AS IS 12/06/2016 · 1996 Giant Mow 48 inch Walkbehind Repair Part 1 EXMARK VIKING HYDRO PARTS MANUAL Pdf Download.

EX Mark Zero Turn Drive Belt Replacement fix

EX Mark Zero Turn Drive Belt Replacement fix

EXMARK LAzER z 52", 60" & 72 DEcK MOWERS Illustrated ... EXMARK LAzER z 52", 60" & 72 DEcK MOWERS. 74. OEP. Illustrated Parts Lists. • Illustrated Parts Lists ... 52" DECK BELT ... 60" REPLACEMENT BLADE.2 pages

eXmark Lazer Z / Zero Turn / DIY Remove Deck

eXmark Lazer Z / Zero Turn / DIY Remove Deck

› ku › 84749Kubota BX2200D (4WD DSL TRA W/ROPS & S.B. W/O ... - Messick's Kubota BX2200D (4WD DSL TRA W/ROPS & S.B. W/O TIRES) Parts

Pump drive belt replacement, Belt guide adjustment ...

Pump drive belt replacement, Belt guide adjustment ...

dink-magazin.de 05/03/2022 · The mower wheels start to run when the transmission gets power from the drive belt. I can slowly advance the choke The Lazer Z Diesel also comes in 60-inch and 72-inch deck sizes. If the carburetor isn't working properly, it can get the mixture of fuel and air in the incorrect ratio. Exmark Lazer Z HP 52" Husqvarna 550XP, 562XP, 55 Rancher Now 1025 won't Start. …

Exmark Quest Hydro Drive Belt | LawnSite™ is the largest and ...

Exmark Quest Hydro Drive Belt | LawnSite™ is the largest and ...

PDF Exmark Lazer Z Belt Replacement Guide Exmark Deck Drive Belts take the brunt of the grass mowing work load and must be up to par. Exmark Deck belts can be found as a single belt on some models and a dual belt design on others. Regardless of the configuration making sure your deck belt can handle the rigors is important, that is why nothing lasts and performs like the original ...

New Oem Replacement Belt for Exmark Most Lazer Z Hp 109-0770, 109-2523

New Oem Replacement Belt for Exmark Most Lazer Z Hp 109-0770, 109-2523

Amazon.com : Exmark 109-9361 Belt Routing Decal Lazer Z AS ZE ...

Amazon.com : Exmark 109-9361 Belt Routing Decal Lazer Z AS ZE ...

Подкапотные ништяки в Гольф 4 — Volkswagen Golf, 1.9 л., 2003 ...

Подкапотные ништяки в Гольф 4 — Volkswagen Golf, 1.9 л., 2003 ...

MaxPower 60 Blade Belt Belt for Riding Mower/Tractors (5/8-in W x 146.19-in  L)

MaxPower 60 Blade Belt Belt for Riding Mower/Tractors (5/8-in W x 146.19-in L)

2019 ZERO-TURN RIDERS

2019 ZERO-TURN RIDERS

Service: Zero Turn Mowers – Moreland Station Mower Repairs

Service: Zero Turn Mowers – Moreland Station Mower Repairs

Дека и регулировка высоты для бензиновых газонокосилок Stiga ...

Дека и регулировка высоты для бензиновых газонокосилок Stiga ...

Amazon.com : Exmark 116-8727 Belt Routing Decal Lazer Z Turf ...

Amazon.com : Exmark 116-8727 Belt Routing Decal Lazer Z Turf ...

Exmark OEM Replacement Belts | Lawn Mower Parts | MFG Supply

Exmark OEM Replacement Belts | Lawn Mower Parts | MFG Supply

Exmark RAE702GEM44300 - Exmark 44

Exmark RAE702GEM44300 - Exmark 44" Radius E-Series Zero-Turn ...

John Deere, Toro, Exmark Parts and Sales | Fort Wayne

John Deere, Toro, Exmark Parts and Sales | Fort Wayne

Отзывы о Mart Вегас черный на CMP24 - SKU2245650

Отзывы о Mart Вегас черный на CMP24 - SKU2245650

Exmark RAS720CKC52300 S/N 400,000,000 and Up Parts Diagrams

Exmark RAS720CKC52300 S/N 400,000,000 and Up Parts Diagrams

0 Response to "36 exmark deck belt diagram"

Post a Comment

Iklan Atas Artikel

Iklan Tengah Artikel 1

Iklan Tengah Artikel 2

Iklan Bawah Artikel