Iklan 300x250

37 john deere 314 parts diagram

314G - LOADER, SKID-STEER John Deere :: AVS.Parts 314G - LOADER, SKID-STEER EPC John Deere catalog online 312GR (PIN:1T0312G_ _ _J288093- ), 314G (PIN:1T0314G_ _ _J288093- ), 316GR (PIN:1T0316G_ _ _J288093- 314G Skid Steer Loader (PIN: 1T0314G_ _ _J288093- ) parts diagram My Account; Sign in or Create an account Shopping cart; AVS.PARTS. Search. AVS Parts. Case CNH AutoData ... ARIMain - John Deere Parts and John Deere Lawn Mower Parts Buy Genuine OEM John Deere parts for your John Deere 48-IN Mid-Mount Replacement Mower Deck (For 120, 140, 300, 312, 314, 316, 317, 318, 322, 330 & 332 Lawn & Garden Tractors) -PC2358 and ship today! Huge in-stock inventory of OEM John Deere parts.

John Deere 314 garden tractor: review and specs - Tractor ... The John Deere 314 is a 2WD lawn and garden tractor from the 300 series. This tractor was manufactured by John Deere in Horicon, Wisconsin, USA from 1979 to 1983. The JD 314 is equipped with a 0.5 L single-cylinder gasoline engine and hydrostatic transmission with infinite forward and reverse gears.

John deere 314 parts diagram

John deere 314 parts diagram

John Deere Models 300 312 314 316 317 318 322 330 332 ... John Deere 318 Headlight Lens Fits 318, 330, 332. (2) $56.95. Out of Stock. Quick View. John Deere Instrument Panel Lens Fits 316 318 420 Lawn and Garden Tractors. (0) $24.70. ARIMain - Weingartz Find parts for your john deere fuel pump: 312 & 314 hydrostatic tractors with our free parts lookup tool! Search easy-to-use diagrams and enjoy same-day shipping on standard John Deere parts orders. John Deere 314 Wiring Diagram John Deere Wiring Harness ~ welcome to our site, this is images about john deere wiring harness posted by Maria Rodriquez in John category on Nov 07, You can also find other images like wiring diagram, parts diagram, replacement parts, electrical diagram, repair manuals, engine diagram, engine scheme, wiring harness, fuse box, vacuum diagram ...

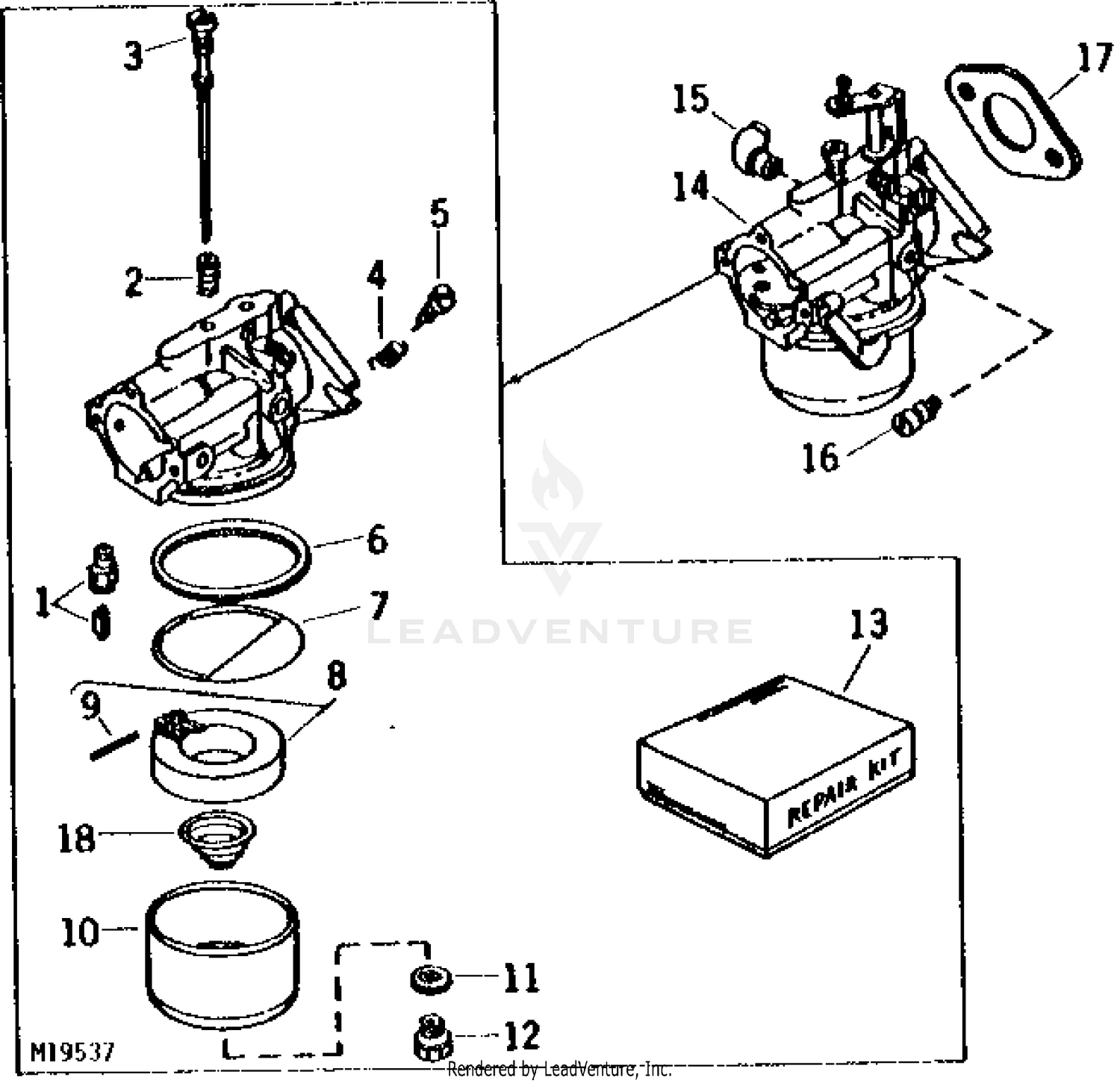
John deere 314 parts diagram. John Deere Model 314 Lawn and Garden Tractor Parts Quick View. John Deere Carburetor Repair Kit - AM100019. (8) $14.67. Usually available. Add to Cart. Quick View. John Deere Complete Replacement Seat Assembly - AM102953. ARIMain - John Deere Parts and John Deere Lawn Mower Parts John Deere PARTS LOOKUP John Deere Parts Diagrams, John Deere 41 ROTARY MOWER (120,140,300,312,314 & 317 L&G TRACTORS) (316 LGT S/N -95000) -PC1069 ANTI-WRAP SPINDLE KNIFE OPTIONAL: 41 & 48 ROTARY MOWERS John Deere 314 Garden Tractor Parts - Mutton Power John Deere 314 Parts. The John Deere 314 Garden Tractor was produced from 1979-1983 as part of the 300 Series. Standard features included an 14HP Kohler engine, hydrostatic transmission, 4.5 gal fuel capacity, 2WD, and a 38" or 46" mid mount mower deck. Regular Maintenance should be performed on the 314 every 50 hours and should include Spark ... ARIMain - Weingartz John Deere Parts Lookup -John Deere-314 HYDROSTATIC TRACTOR 14 HP. K321 AQS KOHLER ENGINE -PC1618

PDF John Deere 300 | 312 | 314 | 316 Service Manual JOHN DEERE 300, 312, 314, AND 316 HYDROSTATIC TRACTOR Service Manual SM-2104 (May-82) I TABLE OF CONTENTS SECTION 10 - GENERAL Group 5 - Tractor Identification Group 10 - Specifications Group 15 - Fuel and Lubricants Group 20 - Tune-up and Adjustments SECTION 20 - KOHLER ENGINE ... John Deere Parts Diagram & Parts Search • John Deere Parts ... John Deere AG, Lawn & Garden and CWP Equipment Parts Search. John Deere parts lookup tool and diagram is an incredible online source. It is a complete catalog that shows you detailed parts diagrams of every part of your machine. This online parts catalog is robust and easy to use. Searching for your John Deere parts online has never been easier. Shop our selection of John-Deere 314 Parts and Manuals 314. Some of the parts available for your John Deere 314 include Electrical & Gauges, Grain Handling Area, Headers | Platforms | Feeder House, Lawn and Garden and Specialty Belts, Manuals and DVDs, Sunbelt - Bearings and Bushings, Sunbelt - Fuel, Sunbelt - Oil Filters, Sunbelt - Rider and Walk-behind. John Deere 314 Wiring Diagram | Lawn Mower Forum Jun 28, 2018. Threads. 2. Messages. 3. Nov 3, 2018. #1. I am looking for a wiring diagram for a John Deere 314 Hydrostatic tractor. I have the parts manual and the service manual.

John Deere 314 Wiring Diagram - schematron.org Wiring Diagram For and Tractor Buy Genuine OEM John Deere parts for your John Deere HYDROSTATIC TRACTOR 14 HP. K AQS KOHLER ENGINE -PC electrical wiring.Most John Deere dealers will print this off for you for free, at least they do in Ohio. Try this, I hope they will work with schematron.org so you know,if your having problems with the wiring the. PDF John Deere 314 Manual - westwood.m.wickedlocal.com John Deere Model 314 Lawn and Garden Tractor Parts, Page 2 This John Deere 314 Service Manuals PDF Kindle is delivered in simple words. This makes it easy for the reader to know the meaning of the contents John Deere 314 Service Manuals ePub . ... Find parts & diagrams for your John Deere equipment. Search our parts catalog, order parts online ... John Deere 314 Parts Diagrams - Jacks Small Engines John Deere 314 Parts Diagrams Electrical Components JavaScript Disabled - Unable to show Cart Parts Lookup - Enter a part number or partial description to search for parts within this model. There are (3) parts used by this model. Found on Diagram: Electrical Components 14000140 STARTER 12v, 10 tooth, PMGR starter, CCW rotation. $103.34 Add to Cart John Deere Models 300 312 314 316 317 318 322 330 332 Parts John Deere Driveshaft Isolator Fits F915, F925, F935 322, 330 and 332. (1) $216.72. Add To Cart. Quick View. John Deere Key Switch 200 210 212 214 300 316 312 314 400. (0) $14.97.

John Deere Lanz 310 Anbauplatte für Wasserpumpe

John Deere Lanz 310 Anbauplatte für Wasserpumpe

TractorData.com John Deere 314 tractor information Built in Horicon, Wisconsin, USA. Original price was $3,929 in 1983. John Deere 314 Engine. 14HP Kohler 512cc 1-cyl gasoline. Fuel tank. 4.5 gal. 17.0 L. Engine details ... John Deere 314 Transmission.

JD 314 ignition, wiring, -- help | Garden Tractor Forums

JD 314 ignition, wiring, -- help | Garden Tractor Forums

John Deere 314 Parts Manual and Similar Products and ... John Deere 314 Lawn & Garden Tractor Parts Manual top . Parts Manual for John Deere 314 Lawn & Garden Tractor. This Parts Manual contains 96 pages of helpful information. The manual is a digitally enhanced reproduction of the OEM manual and is bound for a lifetime of use. A must have for any John Deere 314 owner. Notes ...

314 Snow Blade | Weekend Freedom Machines

314 Snow Blade | Weekend Freedom Machines

John Deere 140 300 312 314 316 Adapter - Performance 670 PRODUCT DESCRIPTION. This machined billet adapter bolts the back of the Predator 670 v-twin engine and allows the factory John Deere part M-81291 (Not included) to bolt to it. This is used when repowering the John Deere 140, 300, 312, 314 and the early serial number 316 garden tractors that came with an OEM Kohler K-series engine.

John Deere 314 HYDROSTATIC TRACTOR 14 HP. K321 AQS KOHLER ...

John Deere 314 HYDROSTATIC TRACTOR 14 HP. K321 AQS KOHLER ...

John Deere 314 (Belt, PTO) Riding Lawn Mower Replacement ... John Deere 314 (Belt, PTO) Riding Lawn Mower Replacement Belt Original Equipment Manufacturer John Deere OEM Part Number A39K Machine Riding Lawn Mower Model 314 (Belt, PTO) Belt Type 4LK/AK Aramid VBG Replacement Id APPL675209 Technical Specifications: (Inches) (mm) Outside Circumference 41.00 1041.40 Top Width 0.50 12.70 Belt Depth 0.3125

John Deere 312 314 Lawn & Garden Tractor Parts Manual (JD-P ...

John Deere 312 314 Lawn & Garden Tractor Parts Manual (JD-P ...

48 mower deck parts for 314 - John Deere Parts and More Predator2 Mower Blade for 46-inch John Deere Deck - B1PD5023. (4) $17.66. Usually available. Add to Cart. Quick View. Sunbelt XHT Mower Blade for 46-inch John Deere Deck - B1JD5000. (0) $12.89.

John Deere 314 | Garden Tractor Forums

John Deere 314 | Garden Tractor Forums

John Deere 314 Wiring Diagram John Deere Wiring Harness ~ welcome to our site, this is images about john deere wiring harness posted by Maria Rodriquez in John category on Nov 07, You can also find other images like wiring diagram, parts diagram, replacement parts, electrical diagram, repair manuals, engine diagram, engine scheme, wiring harness, fuse box, vacuum diagram ...

John Deere Model 41 Mower 38

John Deere Model 41 Mower 38" Width Belt Adjustment | Garden ...

ARIMain - Weingartz Find parts for your john deere fuel pump: 312 & 314 hydrostatic tractors with our free parts lookup tool! Search easy-to-use diagrams and enjoy same-day shipping on standard John Deere parts orders.

AM125172 - WHEEL KIT, KIT, BLACK H.D. GAGE WHE fits John ...

AM125172 - WHEEL KIT, KIT, BLACK H.D. GAGE WHE fits John ...

John Deere Models 300 312 314 316 317 318 322 330 332 ... John Deere 318 Headlight Lens Fits 318, 330, 332. (2) $56.95. Out of Stock. Quick View. John Deere Instrument Panel Lens Fits 316 318 420 Lawn and Garden Tractors. (0) $24.70.

New (to me) 314 for Restoration | Green Tractor Talk

New (to me) 314 for Restoration | Green Tractor Talk

John Deere 314 HYDROSTATIC TRACTOR 14 HP. K321 AQS KOHLER ...

John Deere 314 HYDROSTATIC TRACTOR 14 HP. K321 AQS KOHLER ...

John Deere 314 Hydrostatic Tractor Service Manual Download ...

John Deere 314 Hydrostatic Tractor Service Manual Download ...

Fendt 311, 312, 313, 314 Vario Gen4 Tractors Workshop Repair Manual

Fendt 311, 312, 313, 314 Vario Gen4 Tractors Workshop Repair Manual

John Deere 755 Manual

John Deere 755 Manual

Reinheimer Ersatzteile - Ersatzteile für FAIP ...

Reinheimer Ersatzteile - Ersatzteile für FAIP ...

Service Manuals – AgNLawn.com

Service Manuals – AgNLawn.com

33 tiller drive belt tension question | Weekend Freedom Machines

33 tiller drive belt tension question | Weekend Freedom Machines

JOHN DEERE 314 Farm Equipment Auction Results - 23 Listings ...

JOHN DEERE 314 Farm Equipment Auction Results - 23 Listings ...

HYDRAULIC CIRCUIT - REEL DRIVE [H05] - COMBINE, PLATFORM ...

HYDRAULIC CIRCUIT - REEL DRIVE [H05] - COMBINE, PLATFORM ...

John Deere 314 HYDROSTATIC TRACTOR 14 HP. K321 AQS KOHLER ...

John Deere 314 HYDROSTATIC TRACTOR 14 HP. K321 AQS KOHLER ...

John Deere 314 Hydro Garden Tractor Owners Operator ...

John Deere 314 Hydro Garden Tractor Owners Operator ...

Front axle, Front axle removal & installation, Repair | John ...

Front axle, Front axle removal & installation, Repair | John ...

John Deere decks by crigby

John Deere decks by crigby

SIDE COVERS [F23] - COMBINE, PLATFORM (CUTTING) John Deere ...

SIDE COVERS [F23] - COMBINE, PLATFORM (CUTTING) John Deere ...

John Deere 314 HYDROSTATIC TRACTOR 14 HP. K321 AQS KOHLER ...

John Deere 314 HYDROSTATIC TRACTOR 14 HP. K321 AQS KOHLER ...

John Deere 48-IN Mid-Mount Replacement Mower Deck (For 120 ...

John Deere 48-IN Mid-Mount Replacement Mower Deck (For 120 ...

John Deere 48-IN Mid-Mount Replacement Mower Deck (For 120 ...

John Deere 48-IN Mid-Mount Replacement Mower Deck (For 120 ...

John Deere Lawn Tractor Winter Enclosure Cab 314 316 317 318 ...

John Deere Lawn Tractor Winter Enclosure Cab 314 316 317 318 ...

COVERS - DRIVE SHAFT - RH - 25' [E18] - COMBINE, PLATFORM ...

COVERS - DRIVE SHAFT - RH - 25' [E18] - COMBINE, PLATFORM ...

30

30" Hydro tiller on a 316, will it fot a 314? | My Tractor Forum

Gebraucht JOHN DEERE 216 Auktionsergebnisse - 18 Anzeigen ...

Gebraucht JOHN DEERE 216 Auktionsergebnisse - 18 Anzeigen ...

John Deere Parts Search for all John Deere Models

John Deere Parts Search for all John Deere Models

John Deere Plow » JOHN DEERE 54 HYDRAULIC MANUAL ANGLE PLOW ...

John Deere Plow » JOHN DEERE 54 HYDRAULIC MANUAL ANGLE PLOW ...

More trouble with 314 hydro linkage | Garden Tractor Forums

More trouble with 314 hydro linkage | Garden Tractor Forums

JOHN DEERE 312 314 TRACTOR PARTS CATALOG MANUAL | eBay

JOHN DEERE 312 314 TRACTOR PARTS CATALOG MANUAL | eBay

Lawn Tractor Parts - Lawn mower parts - Small Engine Parts ...

Lawn Tractor Parts - Lawn mower parts - Small Engine Parts ...

REEL HYDRAULIC MOTOR - EATON [I16] - COMBINE, PLATFORM ...

REEL HYDRAULIC MOTOR - EATON [I16] - COMBINE, PLATFORM ...

NEW COMPLETE MOWER DECK MULE DRIVE JD 140 300 312 314 316 317 ...

NEW COMPLETE MOWER DECK MULE DRIVE JD 140 300 312 314 316 317 ...

0 Response to "37 john deere 314 parts diagram"

Post a Comment

Iklan Atas Artikel

Iklan Tengah Artikel 1

Iklan Tengah Artikel 2

Iklan Bawah Artikel