Iklan 300x250

37 stihl br600 backpack blower parts diagram

BR600 Backpack Blower Parts | Stihl Petrol Backpack Blower ... Genuine Stihl BR600 / A - Engine Genuine Stihl BR600 / B - Muffler, Ignition system Genuine Stihl BR600 / C - Air filter, Manifold Genuine Stihl BR600 / D - Rewind starter Amazon.com: stihl br600 parts GardenPal Primer Bulb for Stihl TS700, TS800, BR500, BR550, BR600 Replace OEM 0000 350 6202, Chainsaw Cut-Off Saw, Leaf Blowers, Sweeper Replacement Parts, Purge Bulb, 00003506202, 000-350-6202. 4.0 out of 5 stars. 12. $10.30.

PDF Stihl Br 600 Parts Diagram - curly-coatedretrievers.com Stihl BR 600 Backpack Blower (BR 600) Parts Diagram Stihl BR 200 Leaf Blower . Our pick for the "Best Value" Stihl Backpack Blower is the incredibly popular BR 200 model. This Stihl leaf blower is the perfect size for the homeowner with a small, medium, or even larger property, and at only 12.6 lbs it is one of the lightest weight Stihl ...

Stihl br600 backpack blower parts diagram

Stihl br600 backpack blower parts diagram

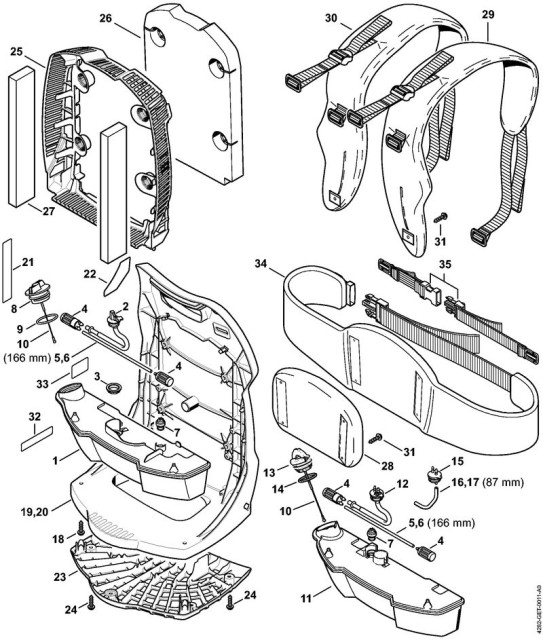
Stihl BR 600 Backpack Blower (BR 600) Parts Diagram Select a page from the Stihl BR 600 Backpack Blower (BR 600) exploaded view parts diagram to find and buy spares for this machine. +44 (0)1747 823039 Categories Stihl Backpack Blower Parts Diagram | Automotive Parts ... Description: Stihl Br 420 Backpack Blower (Br 420) Parts Diagram, Backplate within Stihl Backpack Blower Parts Diagram, image size 673 X 741 px, and to view image details please click the image.. Actually, we have been noticed that stihl backpack blower parts diagram is being one of the most popular issue right now. So we tried to locate some good stihl backpack blower parts diagram image for you. Stihl br 600 service manual parts - Canada instructions ... … in addition stihl br parts list and parts, electrical diagram, repair manuals, engine diagram. #stihl br 600 parts manual. #bg55 stihl blower 2012-10-08 · STIHL BR600 Operators Manual STIHL BR600 Operators Manual - English & Spanish Soprador STIHL BR 600,

Stihl br600 backpack blower parts diagram. PDF Stihl Leaf Blower Parts Manual - cms.nationnews.com Look at the diagram and find parts that fit a Stihl BR Backpack Blower. Stihl BR & BR Blower Air Filter & Manifold Parts. 28 products. From £ See options · Stihl BR & BR Blower Bike Handle Parts. 14 products. Stihl Br 600 Parts Diagram Stihl SH 86 Blow-Vac (SH86C-E) Parts Diagram Select a page from the Stihl SH 86 Blow-Vac diagram to view the ... Stihl BR 600 Backpack Blower (BR 600) Parts Diagram, Air ... Look at the diagram and find parts that fit a Stihl BR 600 Backpack Blower, or refer to the list below. All parts that fit a BR 600 Backpack Blower. Select Page. Air Filter. STIHL Genuine STIHL Parts | STIHL Products | STIHL USA STIHL recommends using only STIHL replacement parts for the repair and maintenance of your STIHL equipment. We want every STIHL owner to have the best product performance possible, so if you are in need of STIHL repair or equipment maintenance, contact your local authorized full-line STIHL servicing Dealer.For more information on routine maintenance and a list of main parts for your STIHL ... PDF Stihl Leaf Blower Parts Manual - sageskye.homeserver.com the diagram and find parts that fit a Stihl BR Backpack Blower. Stihl BR & BR Blower Air Filter & Manifold Parts. 28 products. From £ See options · Stihl BR & BR Blower Bike Handle Parts. 14 products. Stihl Br 600 Parts Diagram Stihl SH 86 Blow-Vac (SH86C-E) Parts Diagram Select a page from the Stihl SH 86 Blow-Vac diagram to view the parts ...

PDF Br 600 Manual - new.filmtools.com PDF Br 600 ManualCODE. BLUE: BROWN: As the colours of the wires in the mains lead of this apparatus may not correspond with the coloured markings identifying Owner's Manual - Roland Corporation View and Download Stihl BR 600 instruction manual online. BR 600 blower pdf manual download. Also for: Br 350, Br 430. Page 6/26 PDF Stihl Br 550 Parts Manual Fuel Lines Stihl BR 500, BR 550 and BR 600 are models found in the Backpack Blowers and other tools for Stihl garden equipment. Download the full parts list, including exploded diagram view and parts identification Stihl Br600 Blower Parts Diagram, Stihl Leaf Blower Magic Parts Mower Magic Ltd , Magic House, Station Road, North Hykeham, Lincoln. STIHL Magnum Backpack Blower BR600 with 3.8 bhp engine combines high air speeds, air volume, and power to deliver a rugged, low-emission machine. Every leaf blower is powered by a small engine, so all are subject to the same problems when starting or running ... Stihl BR 500, BR 550, BR 600 Parts List - CWM Stihl BR 500, BR 550 and BR 600 are models found in the Backpack Blowers and other tools for Stihl garden equipment. Download the full parts list, including exploded diagram view and parts identification as well as the service manual, operators manual, and carburetor manuals for Stihl BR500, BR550, and BR600 equipment.. Parts list in English and multi-language edition.

Stihl backpack leaf blower parts diagram online review and ... Stihl backpack blower parts diagram. The STIHL Magnum Backpack Blower BR600 is a powerful, low-emission machine that takes heavy debris out of the job site. The anti-vibration system reduces back and shoulder strain and the adjustable harness makes this blower ideal for urban jobs. PDF Stihl Br 550 Parts Manual Fuel Lines Stihl BR 500, BR 550 and BR 600 are models found in the Backpack Blowers and other tools for Stihl garden equipment. Download the full parts list, including exploded diagram view and parts identification as well as the service manual, operators manual, and carburetor manuals for Stihl BR500, BR550, and BR600 equipment. PDF Stihl Br 400 Parts Manual - dailydeals.pjstar.com Stihl BR 400 Backpack Blower (BR 400) Parts Diagram Look at the diagram and find parts that fit a Stihl BR 400 Backpack Blower, or refer to the list below. All parts that fit a BR 400 Backpack Blower . Select Page A-Crankcase. B_-Rewind starter. B-Rewind starter. C_-Air filter. C-Air filter. D_-Carburetor HD 4A. D-Carburetor HD 4A. Stihl Br 600 Backpack Blower (Br 600) Parts Diagram, Fuel ... This specific graphic (Stihl Br 600 Backpack Blower (Br 600) Parts Diagram, Fuel Tank pertaining to Stihl Br 600 Parts Diagram) above can be classed using: stihl br 600 magnum parts diagram, stihl br 600 magnum parts list, stihl br 600 parts diagram, . put up simply by CARPNY TEAM at January, 1 2017.

Stihl Backpack Blower Parts Diagram | SEMA Data Co-op

Stihl Backpack Blower Parts Diagram | SEMA Data Co-op

PDF Stihl Sr 420 Parts Blower Backpack Manual Stihl Sr 420 Parts Blower Backpack Manual.pdf stihl sr 420 57 cc backpack blower tear down and rebuild and run Stihl br350 backpack blower cylinder and piston rebuild part 1 - 砀€ 刀 刀㨀 42:46 Scott Eshelman Redeemed Motors 179 € €. Stihl Sr 420 Parts Blower Backpack Manual SR 420 - Powerful Mistblower.

DIY Stihl BR600 Blower Carburetor Replacement

DIY Stihl BR600 Blower Carburetor Replacement

Stihl Br 600 Backpack Blower (Br 600) Parts Diagram, Air ... This kind of picture (Stihl Br 600 Backpack Blower (Br 600) Parts Diagram, Air Filter for Stihl Br 600 Parts Diagram) over is labelled along with: stihl br 600 magnum parts diagram, stihl br 600 magnum parts list, stihl br 600 parts diagram, . put up through CARPNY TEAM with January, 1 2017.

Stihl BR 500, BR 550, BR 600 Parts List - CWM

Stihl BR 500, BR 550, BR 600 Parts List - CWM

Stihl Br 600 Parts Diagram Stihl Br 600 Parts Diagram. Get Stihl BR MAGNUM PDF manuals and user guides, View all Stihl BR MAGNUM manuals. Add to My Manuals Save this manual to your list of. Look at the diagram and find parts that fit a Stihl BR Backpack Blower. Stihl BR & BR Blower Air Filter & Manifold Parts. 28 products.

Stihl Backpack Blower Parts Diagram | SEMA Data Co-op

Stihl Backpack Blower Parts Diagram | SEMA Data Co-op

Stihl br 600 service manual parts - Canada instructions ... … in addition stihl br parts list and parts, electrical diagram, repair manuals, engine diagram. #stihl br 600 parts manual. #bg55 stihl blower 2012-10-08 · STIHL BR600 Operators Manual STIHL BR600 Operators Manual - English & Spanish Soprador STIHL BR 600,

STIHL BR600 BLOWER

STIHL BR600 BLOWER

Stihl Backpack Blower Parts Diagram | Automotive Parts ... Description: Stihl Br 420 Backpack Blower (Br 420) Parts Diagram, Backplate within Stihl Backpack Blower Parts Diagram, image size 673 X 741 px, and to view image details please click the image.. Actually, we have been noticed that stihl backpack blower parts diagram is being one of the most popular issue right now. So we tried to locate some good stihl backpack blower parts diagram image for you.

Stihl Backpack Blower Parts Diagram | SEMA Data Co-op

Stihl Backpack Blower Parts Diagram | SEMA Data Co-op

Stihl BR 600 Backpack Blower (BR 600) Parts Diagram Select a page from the Stihl BR 600 Backpack Blower (BR 600) exploaded view parts diagram to find and buy spares for this machine. +44 (0)1747 823039 Categories

STIHL BR600 Magnum Backpack Leaf-Blower

STIHL BR600 Magnum Backpack Leaf-Blower

Commercial Backpack Blower | STIHL USA

Commercial Backpack Blower | STIHL USA

Buy Husqvarna 360BT Backpack Blower, Orange Online in Vietnam ...

Buy Husqvarna 360BT Backpack Blower, Orange Online in Vietnam ...

Shindaiwa EB 802 RT - Shindaiwa Backpack Blower (SN ...

Shindaiwa EB 802 RT - Shindaiwa Backpack Blower (SN ...

BR 200 Backpack Blower | Occasional Use Backpack Blower ...

BR 200 Backpack Blower | Occasional Use Backpack Blower ...

Stihl Backpack Blower Parts Diagram | SEMA Data Co-op

Stihl Backpack Blower Parts Diagram | SEMA Data Co-op

SOLVED: How do I install the Stihl bg72 trigger switch - Fixya

SOLVED: How do I install the Stihl bg72 trigger switch - Fixya

Stihl Br600 Backpack Blower Parts Diagram | SEMA Data Co-op

Stihl Br600 Backpack Blower Parts Diagram | SEMA Data Co-op

Stihl Backpack Blower BR 430

Stihl Backpack Blower BR 430

FENDER, FRONT for TY50M 1978 1G8 EUROPE 271F4-300E1 - order ...

FENDER, FRONT for TY50M 1978 1G8 EUROPE 271F4-300E1 - order ...

Help-Stihl BR600 blower in Chainsaws

Help-Stihl BR600 blower in Chainsaws

Stihl BR 500, BR 550, BR 600 Parts List - CWM

Stihl BR 500, BR 550, BR 600 Parts List - CWM

STIHL Replacement Carburetor for BR600 (4282-120-0611) for ...

STIHL Replacement Carburetor for BR600 (4282-120-0611) for ...

Stihl BR 600 MAGNUM | Parts List

Stihl BR 600 MAGNUM | Parts List

Stihl Backpack Blower Parts Diagram | SEMA Data Co-op

Stihl Backpack Blower Parts Diagram | SEMA Data Co-op

Yamaha PW80 1995 4BC5 EUROPE 254BC-300E2 parts lists and ...

Yamaha PW80 1995 4BC5 EUROPE 254BC-300E2 parts lists and ...

Carburetor Kit For Stihl BR600 BR550 62%以上節約 Fit BR500 ...

Carburetor Kit For Stihl BR600 BR550 62%以上節約 Fit BR500 ...

New Carburetor Carb Service Kit For STIHL BR500 BR550 BR600 ...

New Carburetor Carb Service Kit For STIHL BR500 BR550 BR600 ...

Stihl BR 600 Manuals | ManualsLib

Stihl BR 600 Manuals | ManualsLib

Stihl BR600 Fuel Line Maintenance + Dual Fuel Filter Setup

Stihl BR600 Fuel Line Maintenance + Dual Fuel Filter Setup

New Carburetor Carb Service Kit For STIHL BR500 BR550 BR600 ...

New Carburetor Carb Service Kit For STIHL BR500 BR550 BR600 ...

Stihl BR 600 MAGNUM | Parts List

Stihl BR 600 MAGNUM | Parts List

STIHL BLOWER REPAIR / BR420 MAGNUM / DIAGNOSIS / TEARDOWN AND COMPLETE  ENGINE RESEAL / IN 1080HD

STIHL BLOWER REPAIR / BR420 MAGNUM / DIAGNOSIS / TEARDOWN AND COMPLETE ENGINE RESEAL / IN 1080HD

Amazon.com: Stihl Backpack Blower Parts

Amazon.com: Stihl Backpack Blower Parts

Stihl BR 600 in Marion, North Carolina

Stihl BR 600 in Marion, North Carolina

Stihl Br600 Backpack Blower Parts | The Art of Mike Mignola

Stihl Br600 Backpack Blower Parts | The Art of Mike Mignola

Amazon.com: Dalom BR 600 Carburetor Air Filter Fuel Carb ...

Amazon.com: Dalom BR 600 Carburetor Air Filter Fuel Carb ...

Stihl Backpack Blower BR 600

Stihl Backpack Blower BR 600

Stihl BR 600 Backpack Blower (BR 600) Parts Diagram ...

Stihl BR 600 Backpack Blower (BR 600) Parts Diagram ...

Echo PB-4500 S/N: 0034076-999999 Parts Diagram for Engine ...

Echo PB-4500 S/N: 0034076-999999 Parts Diagram for Engine ...

Stihl BR 500, BR 550, BR 600 Parts List - CWM

Stihl BR 500, BR 550, BR 600 Parts List - CWM

0 Response to "37 stihl br600 backpack blower parts diagram"

Post a Comment

Iklan Atas Artikel

Iklan Tengah Artikel 1

Iklan Tengah Artikel 2

Iklan Bawah Artikel