Iklan 300x250

38 cat pressure washer pump parts diagram

Caterpillar service manuals free download | Truckmanualshub.com Download. Cat 3406 Engine Parts Manual.pdf. 3.1Mb. would you please send wiring diagram ecm supply for a 2006 cat c13 acert in a 2006 freightliner columbia the msg on the dashboard in no engine isted of the miles. Cat Pressure Washer Pump Parts - Pressure Washer Suppliers CAT Belt Driven Pump: HOT/COLD/STEAM PRESSURE WASHER: DIESEL FIRED, DIESEL POWERED SKID SC ULTIMATE LINE PARTS LIST Hotsy 2003 cat Cold water pressure washer featuring a Hotsy belt-drive pump with The 8600 Seriesis a compact conveyor parts washer ideal for...

PDF Genuine Cat ® Parts SolutionS Genuine Cat® Parts SolutionS from Barloworld Equipment. A retrofit pin and washer inserted in the J800 adapter mates with the hammerless tip design, without introducing the need for special tools. Water Pumps and Oil Pumps Cat Reman water and oil pumps are updated to meet the latest design...

Cat pressure washer pump parts diagram

Cat pressure washer pump parts diagram

PDF PRESSURE WASHER MANUAL.cdr Pressure Washer Operations Manual. Warning. High pressure spray can cause Inspection of oil levels Check all oil levels in the pump or engine if applicable. Failure to check all levels could The unloader is used as a safety device to guard against failure of component parts, and the... DeVilbiss, Excell Pressure Washer Pump Parts - Master Tool Repair Get Excell 2004CWH Parts at Master Tool Repair. Out site is easy to shop and we have online schematics, tech docs and videos available. Brand: Excell. Tool Type: Type 1 (Cat Pump). Repair Parts for Excell 2004CWH Gas Pressure Washer. Below are the only replacement parts for this unit. John Deere 420 Tractor Parts - Yesterday's Tractors Clutch Kit, 10 Inch - This new single stage clutch kit includes a new pressure plate, a 10 inch, 10 spline, 1 3/8 inch hub, woven clutch disc. The release bearing (N1087), has an outside diameter of 3.500 inches, and inside diameter of 2.062 inches, and a thickness of .750 inches.

Cat pressure washer pump parts diagram. John Deere Spare Parts Online - All Mower Spares All Mower Spares stock a wide range of products from John Deere. Click here to see our full range. Australian owned & operated. The Australian and New Zealand Distribution Centre (ANZDC) is an integral part of the worldwide parts distribution network of John Deere and is mainly and essentially responsible for supporting the vast network of distributors of agricultural, … Cat Pressure Washer Pump Parts - Pressure Washer Pump Diagram SAFETY Pressure Washer Service Policy Factory set pressure will damage pump. CAT Annovi Reverberi water supply circulates inside the pressure EXPRO2530 - Part Number Description Pump, Kit CAT * F035 * Included in Pump Kit Included in Hose Assembly ● Included in Bagged Parts... Pump Repair | Cat Pumps | Pressure Washer Resource Center Pump Repair. Pressure Washer Resource Center. Oil Inquiries. Component Identification. The pump Data Sheet has all relevant pump specifications, parts list, exploded view, repair kits, optional component listings, and dimensional information. Pressure Washers, Parts & Accessories for sale | eBay Pressure Washers, Parts & Accessories └ Cleaning & Janitorial Supplies └ Business & Industrial All Categories Antiques Art Automotive Baby Books & Magazines Business & Industrial Cameras & Photo Cell (3)3 product ratings - 34260 Valve KIT FOR CAT PUMP 5DX,6DX,66DX PUMP 3 Valves.

Pressure Washer Pumps & Accessories | Pressure-Washer-Parts.com Pressure washer replacement pumps and pump repair parts, valves, hoses, spray guns, lances, spray nozzles, quick disconnect fittings, and hot water components. Pressure Washer Replacement Pumps, Repair Parts, and Accessories. 1-800-491-3850 8 a.M. - 4:30 p.M. cst... Caterpillar Parts Catalog web online | AVSpare.com sis.cat.com-sisweb-servlet-cat.cis. cis caterpillar online free parts store websis login forklift parts manual pdf https CSSISConsistList cssispartsmanualservlet cssistechdocservlet Type: Parts catalogs, repair manuals, wiring and hydraulic diagrams, diagnostic software, calibration data, etc. Karcher Electric Pressure Washer Leaking Water Husky Pressure Washer Pump Parts Diagram Gas Husky pressure gas washer pump parts Husky pressure washer Leaking gas. PRESSURE WASHERS S PRESSURE WASHERS S For the Consumer to the Professional STEAM Cat 2,000 PSI 120V Electric, 2HP Quick-Connect 0°, 15° PDF Microsoft Word - CAT.doc ...pump, high pressure fuel pump, electronically controlled unit injectors and a High pressure fuel Note: for more information regarding the electrical fuel lift pump and priming feature please see Description Connector Kit. CAT Part Number TBD. The wiring harness dress cover must be fitted to...

Product Manual for TRAILER MOUNTED, HOT WATER … About Your Pressure Washer 4 Thank you for purchasing a NorthStar hot water pressure washer! Your machine is designed for long life, dependability, and the top performance you demand. This pressure washer is designed to: 1) Produce a high-pressure spray of heated or unheated water (up to 5 gallons per minute at 4000 psi). Cat Pumps® Parts Diagrams | Dultmeier Sales Cat Pump Parts Diagrams from Dultmeier Sales. View our online catalog for all our Cat Pump products! Pressure Washers. Pumps & Pump Systems. Parts Schematics > CAT PUMPS® Schematics. LANDA Parts Manuals - ETS Co. Pressure Washers and More! Enter a part number or product and Click the link above to go to our online shopping cart to order your Pressure Washer, Parts, Accessories, Pumps or Cleaning Chemicals. Smart Phones Click to Call 1-877-824-7763 80+ Caterpillar Service Manuals Free Download - Truck manual, wiring... Caterpillar Service Manuals PDF, spare parts catalog, fault codes and wiring diagrams. Caterpillar PDF manuals and wiring diagrams. CAT logo.

Cat Pumps CAT 3535 Plunger Pump Repair Parts & Kits ...

Cat Pumps CAT 3535 Plunger Pump Repair Parts & Kits ...

VICTA MUSTANG 19 INCH MULCH & CATCH LAWN MOWER … MCA485 / MMX485 ALLOY BASE - 4-STROKE ENGINE The newest Victa mulch or catch mower with an alloy base for medium-sized lawns, able to closely trim on both sides of the mower and with a Honda 4-stroke engine. Powered by a 160cc Honda GCV160 4-stroke engine. Paper cartridge air filter 19 inch (483mm) cast alloy chassis 8” (200mm) ball-bearing front and rear …

kudosprs.com Patio, Lawn & Garden Pressure Washer Parts ...

kudosprs.com Patio, Lawn & Garden Pressure Washer Parts ...

CAT PUMPS, REPAIR KITS, and REPLACEMENT PARTS Can't find your part? Click on your pump model for information. Need help ?

67DX39G1I Cat pump 4000 PSI direct drive

67DX39G1I Cat pump 4000 PSI direct drive

Cat pressure washer pump parts diagram Browse Data Sheets, Service Manuals Technical Bullitens by Pump Model. Each manual includes a step-by-step disassembly and re-assembly of the pump with. Mobile high-pressure pump package designed for hydrostatic pressure testing.

Pressure-Pro SLP67DX39-930 Fully Plumbed CAT 67 DX 4000 PSI ...

Pressure-Pro SLP67DX39-930 Fully Plumbed CAT 67 DX 4000 PSI ...

CT80020 Cat Pressure Washer Parts | Manualzz Cat Pumps Gasoline Pressure Washer Model No CT80020 Replacement Parts List Cat Pumps Nettoyeur Haute Pression à Essence No. de modèle CT80020 Liste des pièces de rechange Cat Pumps Lavadora de Presión de Gasolina Modelo Núm. CT80020 Lista de piezas de repuesto...

7103264-7105982-7107583-parts

7103264-7105982-7107583-parts

Pressure Washer Pumps Parts Cat Pumps Limited Warranty - Pressure Washers Direct Cat Pumps warrants that each of the following Products will be free from defects • 90 Husky Pressure Washer Pump Parts Diagram Husky Pressure Washer Pump Parts Diagram Need to fix your HU80722 Pressure Washer?

Cap Oil Filler Cat 5 [A03525] for Lawn Equipments ...

Cap Oil Filler Cat 5 [A03525] for Lawn Equipments ...

Sony PlayStation 5 Consoles for sale - eBay Get the best deals on Sony PlayStation 5 Consoles and upgrade your gaming setup with a new gaming console. Find the lowest prices at eBay.com. Fast & Free shipping on many items!

2SFX30GZ Pump from CAT Pumps - ETS Co. Pressure Washers and More!

2SFX30GZ Pump from CAT Pumps - ETS Co. Pressure Washers and More!

Cat Pressure Washer Pump Rebuild - YouTube Cat Pressure Washer Pump Rebuild. Смотреть позже.

CAT Pumps Pressure Washer Pump - 4000 PSI, 4.0 GPM, Direct Drive, Gas,  Model Number 66DX40GG1

CAT Pumps Pressure Washer Pump - 4000 PSI, 4.0 GPM, Direct Drive, Gas, Model Number 66DX40GG1

TV Archives - Hollywood.com Click to get the latest TV content. Sign up for your weekly dose of feel-good entertainment and movie content!

Buy CAT Pumps Pressure Washer Pump - 4000 PSI, 3.5 GPM ...

Buy CAT Pumps Pressure Washer Pump - 4000 PSI, 3.5 GPM ...

Honda-GX200-CAT-Triplex-Pump-2.5GPM-3400PSI-060735 Pump: CAT PUMPS Industrial triplex plunger pump. Pump/Hose Connection: Quick connect. CAT pressure washer pump comes standard with an integral regulating unloader and fixed chemical injector and inline Stainless Steel Illustrated Parts Product Catalog Pressure Washer Manual.

Pressure Washer Pump, Triplex, 2.5GPM@3000 PSI, 3400 RPM, 3/4

Pressure Washer Pump, Triplex, 2.5GPM@3000 PSI, 3400 RPM, 3/4" Horizontal Shaft with Unloader (3-0297)

Amazon.com : CAT Pumps Pressure Washer Pump - 4000 PSI... Product Description. This Cat Pumps Pressure Washer Pump provides a fast changeover, even in the field. This is the finest "Commercial Grade" pump available on the market. After going thru two previous pumps on this pressure washer I finally opted to go with the higher priced Cat Pump and...

CAT Pump 5CP4120CSS - 5CP Plunger Pump - ETS Co. Pressure ...

CAT Pump 5CP4120CSS - 5CP Plunger Pump - ETS Co. Pressure ...

Homelite Pressure Washer Parts | Fast... | eReplacementParts.com Homelite Pressure Washer parts that fit, straight from the manufacturer. Use our interactive diagrams, accessories, and expert repair help to fix your Homelite The purpose of the 309515003 Pump is to create water pressure to operate the Power Washers shown below. There are are no internal parts...

Pump Repair | Cat Pumps

Pump Repair | Cat Pumps

Cat Pressure Washer Pumps CAT PUMPS® is a designer and manufacturer of top quality, industrial, positive displacement, triplex piston and plunger pumps and custom engineered pumping systems with more than 40 years of For pumping system or pressure washer Cat pump parts or service do not hesitate to contact us.

Linde Hydraulics pumpe, LINDE BPV 100 R, reparasjonssett og tetningssett  LINDE BPV 100 R

Linde Hydraulics pumpe, LINDE BPV 100 R, reparasjonssett og tetningssett LINDE BPV 100 R

Pumps - ETS Co. Pressure Washers and More! | Parts & Accessories CAT Pumps - Pressure Washer Pump Repair Videos. General Pumps, Parts & Accessories. Finding the right pressure washer accessories for the cleaning you have to perform, is absolutely essential. Using the wrong nozzle or tip on your pressure washer, could create undesirable results...

Gravely 986004 (002026 - 999999) Gasoline Pressure Washer ...

Gravely 986004 (002026 - 999999) Gasoline Pressure Washer ...

High-Pressure cat pressure pump parts for... - Alibaba.com These cat pressure pump parts come in solar versions and are certified efficient. The plethora of water. cat pressure pump parts available on the site are made from sturdy materials, such as stainless steel and cast iron, that are known to enhance the durability and sustainability both to make these last...

CAT Pump 66DX pump repair parts

CAT Pump 66DX pump repair parts

CAT Pressure Washer Pump Cat pressure washer pump has a wonderful reputation for providing and maintaining high quality pumps for pressure washing. If you are not sure on the part you need for your CAT pressure washer pump, please refer to the CAT breakdown diagrams located near each pump.

Cat Pumps | Kerrick

Cat Pumps | Kerrick

Briggs and Stratton Engine Parts - ProPartsDirect Briggs Engine Parts. Repair your Briggs and Stratton engine with air filters, spark plugs, oil filters, starters, and Briggs maintenance kits. OEM Briggs parts for Vanguard, ELS, Pro Series, Intek and Quantum engines.

Gravely 986004 (002026 - 999999) Gasoline Pressure Washer ...

Gravely 986004 (002026 - 999999) Gasoline Pressure Washer ...

Cat High Pressure Pumps - Cat Pressure Washer Pumps - Cat... Cat pressure washer pumps are used in a variety of applications, providing industrial power and solid reliability under continuous high-pressure use. When selecting pressure washer pump parts, Cat Pumps are a name you can rely upon for durability and longevity...

Servicing Seals - Cat Pumps Model 5CP3120

Servicing Seals - Cat Pumps Model 5CP3120

High Pressure Washer - Power Washer Latest Price, Manufacturers... Get contact details & address of companies manufacturing and supplying High Pressure Washer, Power Washer, Electric Pressure Washer across India. Pune Solapur Rd, Pune Sahayog, Sr. No. 678, In Front Of Alfa Petrol Pump, Pune Solapur Highway, Sotapwadi, Tal.

CAT PUMPS 76262 Seal Kit for 67dx39g11 Pressure Washer for ...

CAT PUMPS 76262 Seal Kit for 67dx39g11 Pressure Washer for ...

WORCESTER GREENSTAR RI USER MANUAL Pdf Download | ManualsLib Page 44 Refit new pressure switch to bracket. I M PORTANT: E N S U R E TU B E I S REFITTED TO PRESSURE SWITCH 13.4 13.1 13.2 13.3 INSTALLATION & SERVICING INSTRUCTIONS FOR WORCESTER BOSCH GREENSTAR Ri REPLACEMENT OF PARTS 8 716 109 699a (05/05) Page 45: Replacement Of Parts 17.4 Undo flue connection from sump.

Pressure Washers manufacturing, repair, parts and rental

Pressure Washers manufacturing, repair, parts and rental

villakarolina.de Feb 21, 2022 · Air Cooled RD's. 13243875_1272268589454139_4402055897149926842_o. To get all the parts to line up, two different kinds of cylinders, pistons and intake schemes are used on the RZ500. FACEBOOK. A total of 44 parts lists are found for the RD500LC 1985 1GE EUROPE 251GE-300E1 . It’s being an Authorized Club Car Dealer backed by manufacturer …

Specs and Diagram | Manualzz

Specs and Diagram | Manualzz

Cat® 1800 - Cat Pressure Washers | Pump Other pressure washers on the market chase high pressure at the expense of water flow - leaving you with poor cleaning performance and long job Setting a new standard in the pressure washer industry, the CAT® 1800 PSI electric pressure washer is powered by a patented 5 piston pump...

CAT Pressure Washer Pump 340W - ETS Co. Pressure Washers and ...

CAT Pressure Washer Pump 340W - ETS Co. Pressure Washers and ...

John Deere 420 Tractor Parts - Yesterday's Tractors Clutch Kit, 10 Inch - This new single stage clutch kit includes a new pressure plate, a 10 inch, 10 spline, 1 3/8 inch hub, woven clutch disc. The release bearing (N1087), has an outside diameter of 3.500 inches, and inside diameter of 2.062 inches, and a thickness of .750 inches.

Pressure Washers manufacturing, repair, parts and rental

Pressure Washers manufacturing, repair, parts and rental

DeVilbiss, Excell Pressure Washer Pump Parts - Master Tool Repair Get Excell 2004CWH Parts at Master Tool Repair. Out site is easy to shop and we have online schematics, tech docs and videos available. Brand: Excell. Tool Type: Type 1 (Cat Pump). Repair Parts for Excell 2004CWH Gas Pressure Washer. Below are the only replacement parts for this unit.

DeVilbiss Industrial Gas Pressure Washer | ZR2800 ...

DeVilbiss Industrial Gas Pressure Washer | ZR2800 ...

PDF PRESSURE WASHER MANUAL.cdr Pressure Washer Operations Manual. Warning. High pressure spray can cause Inspection of oil levels Check all oil levels in the pump or engine if applicable. Failure to check all levels could The unloader is used as a safety device to guard against failure of component parts, and the...

Cat Pumps 310, 340, 350 Pump Repair Parts - Dultmeier Sales

Cat Pumps 310, 340, 350 Pump Repair Parts - Dultmeier Sales

Autowash Online | CAT 31684 CAT Pump 31684 Seal Kit (NBR ...

Autowash Online | CAT 31684 CAT Pump 31684 Seal Kit (NBR ...

Parts for Cat Pump model # 280

Parts for Cat Pump model # 280

BE B3065HJ 3000psi 2.7gpm Honda Direct Drive Gas Pressure ...

BE B3065HJ 3000psi 2.7gpm Honda Direct Drive Gas Pressure ...

CAT Pumps Products - Spraywell

CAT Pumps Products - Spraywell

Homelite CT80020 Gasoline Pressure Washer Parts Diagram for ...

Homelite CT80020 Gasoline Pressure Washer Parts Diagram for ...

NORTHSTAR PRESSURE WASHER PARTS

NORTHSTAR PRESSURE WASHER PARTS

CAT PUMP 430 - 8.702-423.0 - Pressure Washer Pump - ETS Co ...

CAT PUMP 430 - 8.702-423.0 - Pressure Washer Pump - ETS Co ...

CANPUMP Pressure Washer Pump 3600psi @ 4.5gpm 13 hp 1

CANPUMP Pressure Washer Pump 3600psi @ 4.5gpm 13 hp 1" Shaft ...

Pin on azlygdisi

Pin on azlygdisi

Pressure Washers manufacturing, repair, parts and rental

Pressure Washers manufacturing, repair, parts and rental

CAT Pump 3560 - 35 Frame Plunger Pump

CAT Pump 3560 - 35 Frame Plunger Pump

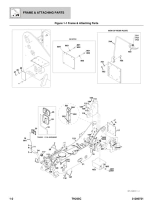
Caterpillar cat th255 c telehandler parts catalogue manual sn ...

Caterpillar cat th255 c telehandler parts catalogue manual sn ...

CT80020 Cat Pressure Washer Parts & Manual

CT80020 Cat Pressure Washer Parts & Manual

0 Response to "38 cat pressure washer pump parts diagram"

Post a Comment

Iklan Atas Artikel

Iklan Tengah Artikel 1

Iklan Tengah Artikel 2

Iklan Bawah Artikel