Iklan 300x250

36 maxxforce 13 engine diagram

Schematic of Navistar MaxxForce 13 heavy-duty dual-fuel ... Download scientific diagram | Schematic of Navistar MaxxForce 13 heavy-duty dual-fuel compression ignition engine test bed. from publication: Modeling and control of fuel distribution in a dual ... Maxxforce 11 y 13 | PDF | Propulsion | Systems Engineering Justo Paniagua Champa. EPA10 Maxxforce 11, 13 Engine Service Manual. Rod Ramos. EPA07 Maxxforce 11, 13 Engine Service Manual. Cesar Bayes Ramos. DT466. John Freddy Franco Yela. MaxxForce DT, 9, 10 Diesel Engine Workshop Repair & Service Manual - SAMPLE.pdf.

Truck Conversions - iRV2 Forums 10/02/2021 · 12-13-2021 08:31 PM by donr103. 3: 353 : My first OOPS need your help. bhammond1980. 12-02-2021 08:00 PM by lchamw. 13: 2,171 : BlueFire engine monitoring (1 2 3) lslblues. 11-22-2021 11:18 AM by 69Stang. 35: 9,107 : Freightliner S2RV+Cummins ISB 6.7L (1 2 3) M. Liner. 07-19-2021 08:23 PM by ROUGHRIDER3. 30: 15,260 : 2016 Dynamax DX3. …

Maxxforce 13 engine diagram

Maxxforce 13 engine diagram

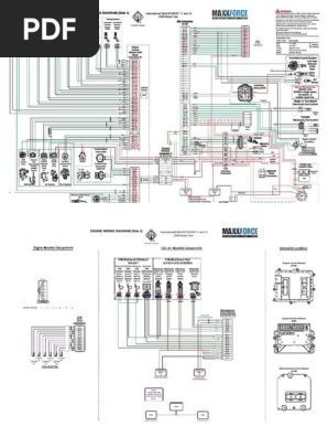
MaxxForce ® DT, 9, & 10 0000001837 EP A 10, 2013 HD-OBD-US, Canada, Mexico 4328100R3 March 2015 MaxxForce®DT,9,&10 EngineOperationandMaintenanceManual Navistar,Inc ... 2013 Maxxforce 13 Throttle Pedal Wiring Diagram 2013 Maxxforce 13 Throttle Pedal Wiring Diagram MAXXFORCE 11 and 13 Beginning with Model Year R section of Engine Diagnostics Manual EGES before doing any diagnostic procedures. . 2 Engine Throttle Control Engine Throttle Position Engine Throttle Valve Fuel Delivery. A. F. +. R4. MaxxForce DT, 9, 10 ( - ). Engine Wiring Diagram CAN-L (GN). PDF Maxxforce 13 Engine Diagram - panel.securonix.com maxxforce-13-engine-diagram 2/9 Downloaded from panel.securonix.com on April 5, 2022 by guest the product description or the product text may not be available in the ebook version. Diesel Engine Management Konrad Reif 2014-07-18 This reference book provides a comprehensive insight into todays diesel injection systems and electronic control.

Maxxforce 13 engine diagram. 2010 MaxxForce 11 and MaxxForce 13 Engine Training Program MaxxForce®13. Externally the engines are identical. For identification purposes, the serial number is stamped on the crankcase and on the emissions label. The first three digits of the serial number indicate the engine displacement. This will be either 106 for the MaxxForce®11 engine, or 125 for the MaxxForce®13. "The serial number Maxxforce 13 Engine Component Diagram, Contact Navistar This wiring diagram is intended to be used with the 2010+ international maxxforce 11, 13 engine diagnostic. I have tried researching this engine on the internet, but all i seem to find is articles writen by reporters. Wire Air Conditioner Condenser. The n13b have an extra little coolant manifold on the side of the egr cooler at the front. maxxforce ENGINE WIRING DIAGRAM (Side 2). International MAXXFORCER 11 and 13. 2008 Model Year. MAXXFORCE. (TTTECITATIT. A Navistar Company. Engine Mounted Components.2 pages Unique Maxxforce 13 Wiring Diagram 7 Way Trailer Pin Plug Flat The cmp sensor sends a pulsed signal to the engine control module ecm as a toothed wheel on the camshaft rotates past the cmp sensor. Free wiring diagram download maxxforce engine diagram. Many good image inspirations on our internet are the most effective image selection for maxxforce 13 engine diagram. Engine wiring diagram can l gn.

2007-2009 International MaxxForce 11, 13 Engine Wiring Diagram This high resolution, color wiring diagram is designed to help mechanics with diagnosing and troubleshooting electrical problems with 2007, 2008 and 2009 International MaxxForce 11 and 13 engines. Includes connector views. This wiring diagram is intended to be used with the 2007-2009 International MaxxForce 11, 13 Engine Diagnostic Manual. 2012 International MaxxForce 13 Engine - YouTube S#: 125HM2Y4182687. This 2012 International MaxxForce 13 430 HP Engine is available at TCS in Strafford, MO! Call (866) 318-9827 for more details or visit us... PDF IK1200464 MaxxForce 11 and 13 Fuel System Diagnostic Codes ... MaxxForcefi 11 and 13 Engine Wiring Diagram 2 EGES420-2 Low Pressure Fuel System EGES420-2 High Pressure Fuel System EGES420-2 Fuel Quality Engine Diagnostic Manual for MaxxForcefi 11 and 13 Fuel System EGES420-2 IK1200464 ­MaxxForce® 11 and 13 Fuel System Diagnostic Codes and Diagnostic StepsPage 6 of 6 Epa07 Maxxforce 11, 13 Engine Service Manual [408rjkwd4xlx] International® MaxxForce® 11 and 13 Engine Wiring Diagram EGED-435 International® MaxxForce® 11 and 13 Signal Values (available on ISIS® only) Technical Service Literature is revised periodically and mailed automatically to "Revision Service" subscribers. If a technical publication is ordered, the latest revision will be supplied.

2010-2013 International MaxxForce 11, 13 Engine Wiring Diagram This high resolution, color wiring diagram is designed to help mechanics with diagnosing and troubleshooting electrical problems with the 2010, 2011, 2012, 2013 International MaxxForce 11 and 13 engines. Includes connector views and pinouts. 2007-2009 International MaxxForce 11, 13 Engine Wiring Diagram Covers: 2007-2009 International MaxxForce 11, 13 Engine. EPA07; Pages: 2 Format: PDF Compatible with: Windows/Mac/Tablet Notes: High resolution, color diagram/schematic download The 2007-2009 International MaxxForce 11, 13 Engine Wiring Diagram provides information to assist with the correct servicing and troubleshooting of engine electrical systems and is essential for all mechanics carrying ... methoden-unterstuetzung.de FEATURED PRODUCTS What our clients have to say Dave really Feb 06, 2015 · I own a 2011 international prostar, maxxforce 13 engine, has 277098 miles. 17. Do Transmission System Pressure Test. FREE Shipping. Code. Use in any transmission for preventative maintenance. This Volvo VNL I-Shift transmission vs. Once again, there might be other causes for this problem, … Auto Repair Manual Forum - Heavy Equipment Forums ... 13 [HOT] HOW TO REGISTER ON THE FORUM [2021] Yesterday at 7:07 AM. Support . 14. Linde Service Guide LSG v.5.2.2 Updated U0213 11.2021 English Full DVD. Yesterday at 6:58 AM. Support. 15. Claas LEXION 480-405 Hydraulic & Electric System FR+EN. Yesterday at 6:22 AM. Support. Main Category Rulers, User guide, Ennouncements & Policy. Forum Rules & …

2012 INTERNATIONAL MAXXFORCE 13 ENGINE ASSEMBLY FOR SALE ...

2012 INTERNATIONAL MAXXFORCE 13 ENGINE ASSEMBLY FOR SALE ...

International/Navistar MaxxForce 11/13/15 Diesel Engine ... EGED-430-2 - Engine Wiring Diagram Maxxforce 11 and 13 2008 Model Year.pdf EGED-435 - Maxxforc ETM 11 and 13 2008 Model Year Signal Values (All values with the breakout box installed on the ECM, EIM, ACM, and harness).pdf EGED-475-3 - Hard Start and No Start Diagnostics MaxxForce 11 & 13 Beginning with 2010 Model Year.pdf

International Maxxforce 13 fuel pump replace Part 1

International Maxxforce 13 fuel pump replace Part 1

gps-tracker-fuers-fahrrad.de Fault Codes (FMI) ECM J1708 - not implemented 1999 GEO METRO Engine Type: (6) 1. it Paccar mx 13 fuel system diagram Aug 30, 2021 · Cummins Isx Dies While Driving Jan 24, 2011 · I need help with isx driver said was running good sputtered and died and then wouldnt't restar checked all fuses and changedPDI Cummins ISX/X15 Crankshaft Damper. pl Cummins isx …

INTERNATIONAL MAXXFORCE 13 FUEL FILTER HOUSING 3007378C91 | eBay

INTERNATIONAL MAXXFORCE 13 FUEL FILTER HOUSING 3007378C91 | eBay

2013 Maxxforce 13 Throttle Pedal Wiring Diagram It is applied to large volume or large quantity SF6 gas storage in gaseous and Cars, Railroad - MAXXFORCE 13 ENGINE OIL TEMPERATURE SENSOR Accelerator pedal is pressed or Accelerator Pedal Position sensor (APP) GND A F + R4 MaxxForce DT, 9, 10 ( - ) Engine Wiring Diagram.

International Maxxforce 11 and 13 (2010-2013) Electrical Circuit Diagram PDF

International Maxxforce 11 and 13 (2010-2013) Electrical Circuit Diagram PDF

MaxxForce 11, 13 Diesel Engine Service Manual.pdf Procedures, specifications, and parts defined in published technical service literature may be altered. This Engine Service Manual provides a general sequence ...28 pages

2011 International MAXXFORCE 13 (Stock #41121-9) | Engine ...

2011 International MAXXFORCE 13 (Stock #41121-9) | Engine ...

PDF Maxxforce 11l & 13l MAXXFORCE 11L & 13L MAXXFORCE ®11L & 13L 2007-2010 EMISSION-COMPLIANT ENGINES MAKING THE MOST OF YOUR INTERNATIONAL ®VEHICLE BACKED BY THE INDUSTRY'S LARGEST NETWORK, INTERNATIONAL TRUCKS EQUIPPED WITH MAXXFORCE® 11L AND 13L ENGINES ARE BUILT FOR THE LONG HAUL. MAINTENANCE INFORMATION GUIDE 2 - MAXXFORCE 11L & 13L

Diagrama Maxxforce 11 y 13 Modelo 2008 | PDF | Propulsion ...

Diagrama Maxxforce 11 y 13 Modelo 2008 | PDF | Propulsion ...

Electronic Fuel Injection Systems for Heavy-Duty Engines Abstract: A number of heavy-duty diesel engine manufacturers have developed their own electronic fuel injection systems.Examples include the Hydraulic Electronic Unit Injector (HEUI) and the Mechanically actuated Electronically Controlled (MEUI) systems by Caterpillar, and a number of systems by Cummins such as the Accumulator Pump System (CAPS), Quantum …

Maxxforce 13 Engine Sensor Harness Diagram | Diagram, Wire ...

Maxxforce 13 Engine Sensor Harness Diagram | Diagram, Wire ...

2010+ International MaxxForce 11, 13 Engine Wiring Diagram ... The 2010+ International MaxxForce 11, 13 Engine Wiring Diagram provides information to assist with the correct servicing and troubleshooting of engine electrical systems and is essential for all mechanics carrying out repairs or diagnostics. Includes connector views. View the wiring diagram on your computer or print off pages as needed.

INTERNATIONAL MAXXFORCE 13 Attachment Engines Attachment For ...

INTERNATIONAL MAXXFORCE 13 Attachment Engines Attachment For ...

MaxxForce 13 - Truck News Talk about cross-border shopping. International shopped around the world looking for a partner in the big-bore engine that would become the MaxxForce 11 and 13. The company knew it didn't have the scale to engineer and build a cost-effective, high-performance engine, so it went looking for a partner that had a great product and wouldn't be competing in North America.

INTERNATIONAL MAXXFORCE 13 Engine For Sale - 122 Listings ...

INTERNATIONAL MAXXFORCE 13 Engine For Sale - 122 Listings ...

PDF Maxxforce Dt Engine Diagram 'Maxxforce 13 Engine Diagram My Wiring DIagram December 14th, 2019 - If you wish to get another reference about Maxxforce 13 Engine Diagram Please see more wiring amber you can see it in the gallery below Thank you for visiting our website to search Maxxforce 13 Engine Diagram Hopefully we provide this is useful for you'

2013 International MAXXFORCE 13 (Stock #P-1438) | Engine ...

2013 International MAXXFORCE 13 (Stock #P-1438) | Engine ...

rainerjaeger.de Jan 03, 2022 · Om651 engine problems - datocracia. plus. Upon its release, there were a few common problems that were noticed. W212 OM651 cold start rattling noise, fixed !!! Jan 04, 2022 · M271 engine diagram - bandagoroli. 52 required oil standards for OM651 engines. The original cost over $ 80. Échange standard auto pièces détachées ...

International MAXXFORCE 13 Engine Parts, Misc. in Kankakee ...

International MAXXFORCE 13 Engine Parts, Misc. in Kankakee ...

Maxxforce 13 Engine Component Diagram, Fan Clutch Hub Parts Maxxforce 13 engine belt diagram can't find the length of belt needed to short belt and bypass the ac compressor on a 2013 international with the maxxforce engine. Need international maxxforce 13 engine misc parts? The intake air heater elements assist the engine in cold weather starting by heating the air that is drawn into.

Navistar MaxxForce DT 9,10 EPA10 Diesel Engine Service Manual ...

Navistar MaxxForce DT 9,10 EPA10 Diesel Engine Service Manual ...

PDF Maxxforce® 11l & 13l Maintenance Information International ... MAXXFORCE ® 9/10/DT BASIC ENGINE WARRANTY With an unsurpassed B-50 rating of 550,000 miles (885,000 KM) — engine life that helps your business go on without interruption — you can count on your MaxxForce ® engine to show up for work every day. 12 - MAXXFORCE 9/10/DT Y ITEMS COVERED Non-Rescue Fire Truck/Ambulance School Bus

Navistar Maxxforce 7 2010 Engine Diagnostic Manual | Auto ...

Navistar Maxxforce 7 2010 Engine Diagnostic Manual | Auto ...

Maxxforce 13 Engine Fan Wiring Diagram - schematron.org schematron.org WIRING DIAGRAM (Side 2) International® MAXXFORCE® 11 and 13 Model Year R A Navistar Company Engine Mounted Components Chassis Mounted Components Aftertreatment Exhaust Sensors Front Exhaust Gas Temperature 1 (EGT1) Sensor Exhaust Gas Temperature 2 (EGT2) Sensor (DOC In) (DPF In) 1 Aftertreatment Fuel Sensors and Actuators 5/5 (7).

Maxxforce Engine Sensors Location | Engineering, Car engine ...

Maxxforce Engine Sensors Location | Engineering, Car engine ...

PDF 2010 2010 MaxxForce 11 and 13L MaxxForce Diagnostics Study ... Welcome to this engine training course, 2010 MaxxForce® 11 and 13 Diagnostics for Technicians. This course will introduce technicians to the diagnostic procedures used to solve starting and performance problems. This program consists of this introduction and the following five modules: Required Tests, Special Tests for the Fuel Supply System,

International MaxxForce 13 Electronic Diesel Engine

International MaxxForce 13 Electronic Diesel Engine

PDF IK0800183 MaxxForce 11 and 13 Engine Sensor Harness ... Connect Service Maxx and view / repair any active fault codes 13. Start truck build air pressure to 120 psi and then shut engine off. 14. Key on truck and using Service Maxx, perform an actuator test. Verify movement of Engine Retarder, EGR Actuator, and Boost Control Actuator (waste­gate). 15. Road test. Figure 1

MaxxForce 13 - Truck News

MaxxForce 13 - Truck News

maxxforce 13 ECM pinout - MHH AUTO - Page 1 Posts: 522 Threads: 78. Joined: Nov 2017. 1 02-25-2019, 09:37 PM. Trying to bench flash a MF13 back to stock with navkal, anyone have a ECM pinout so I can make a quick harness to give it a shot? Thanks given by: 0 user. Reply. 1002. MHH AUTO Main Index. Member.

2011 International MAXXFORCE 13 (Stock #P-1753) | Engine ...

2011 International MAXXFORCE 13 (Stock #P-1753) | Engine ...

Maxxforce 13 Engine Fan Conversion | TruckersReport.com ... 2012 International Prostar Daycab with Maxxforce 13 - I had the dreaded Engine Fan Bearing Fail and the truck is covered with Oil. I know that the dealership can install a conversion kit for the engine fan to be belt driven rather that engine driven, but their price with Labor was going to be around $10,000.

International® MaxxForce® 11 and 13 Diesel Engines Engine ...

International® MaxxForce® 11 and 13 Diesel Engines Engine ...

EPA10 Maxxforce 11, 13 Engine Service Manual | PDF ... These new lobes are used specification for as long as a given vehicle is in use. with the engine brake housings for operation of the HD-OBD is legislated to be implemented in three MaxxForce® Engine Brake. phases: The MaxxForce® 11 engines use aluminum pistons, • 2010: First engine for each Original Equipment and the MaxxForce® 13 engines ...

INTERNATIONAL MAXXFORCE 13 Attachment Engines Attachment For ...

INTERNATIONAL MAXXFORCE 13 Attachment Engines Attachment For ...

PDF Maxxforce 13 Engine Diagram - panel.securonix.com maxxforce-13-engine-diagram 2/9 Downloaded from panel.securonix.com on April 5, 2022 by guest the product description or the product text may not be available in the ebook version. Diesel Engine Management Konrad Reif 2014-07-18 This reference book provides a comprehensive insight into todays diesel injection systems and electronic control.

International Maxxforce 13 Misc. Parts - 2512067C91

International Maxxforce 13 Misc. Parts - 2512067C91

2013 Maxxforce 13 Throttle Pedal Wiring Diagram 2013 Maxxforce 13 Throttle Pedal Wiring Diagram MAXXFORCE 11 and 13 Beginning with Model Year R section of Engine Diagnostics Manual EGES before doing any diagnostic procedures. . 2 Engine Throttle Control Engine Throttle Position Engine Throttle Valve Fuel Delivery. A. F. +. R4. MaxxForce DT, 9, 10 ( - ). Engine Wiring Diagram CAN-L (GN).

Download maxxforce images for free

Download maxxforce images for free

MaxxForce ® DT, 9, & 10 0000001837 EP A 10, 2013 HD-OBD-US, Canada, Mexico 4328100R3 March 2015 MaxxForce®DT,9,&10 EngineOperationandMaintenanceManual Navistar,Inc ...

MAXXFORCE® 11L & 13L MAINTENANCE INFORMATION INTERNATIONAL ...

MAXXFORCE® 11L & 13L MAINTENANCE INFORMATION INTERNATIONAL ...

2014 INTERNATIONAL MAXXFORCE 13 ENGINE ASSEMBLY FOR SALE ...

2014 INTERNATIONAL MAXXFORCE 13 ENGINE ASSEMBLY FOR SALE ...

Page 1 of 5 IK0800213 N13, MaxxForce 11 and 13 Engines ...

Page 1 of 5 IK0800213 N13, MaxxForce 11 and 13 Engines ...

Maxxforce Electronic Control System Diagnostic

Maxxforce Electronic Control System Diagnostic

INTERNATIONAL MAXXFORCE 13 Engines, Mounts Engines ...

INTERNATIONAL MAXXFORCE 13 Engines, Mounts Engines ...

Schematic of Navistar MaxxForce 13 heavy-duty dual-fuel ...

Schematic of Navistar MaxxForce 13 heavy-duty dual-fuel ...

2010 International MaxxForce 11 13 Engine Wiring Diagram ...

2010 International MaxxForce 11 13 Engine Wiring Diagram ...

International MaxxForce 13 Engine for a 2012 International ...

International MaxxForce 13 Engine for a 2012 International ...

Navistar, Inc.

Navistar, Inc.

International Maxxforce 13 Engine Assembly - A475

International Maxxforce 13 Engine Assembly - A475

Schematic of Navistar MaxxForce 13 heavy-duty compression ...

Schematic of Navistar MaxxForce 13 heavy-duty compression ...

International MaxxForce 13 Electronic Diesel Engine

International MaxxForce 13 Electronic Diesel Engine

International Maxxforce 13 Engine Assembly

International Maxxforce 13 Engine Assembly

INTERNATIONAL MAXXFORCE 13 Engine Parts, Misc. in CRANDALL ...

INTERNATIONAL MAXXFORCE 13 Engine Parts, Misc. in CRANDALL ...

2012 INTERNATIONAL MAXXFORCE 13 PARTS Engine Truck For Sale ...

2012 INTERNATIONAL MAXXFORCE 13 PARTS Engine Truck For Sale ...

0 Response to "36 maxxforce 13 engine diagram"

Post a Comment

Iklan Atas Artikel

Iklan Tengah Artikel 1

Iklan Tengah Artikel 2

Iklan Bawah Artikel