Iklan 300x250

38 murray 42 inch riding mower drive belt diagram

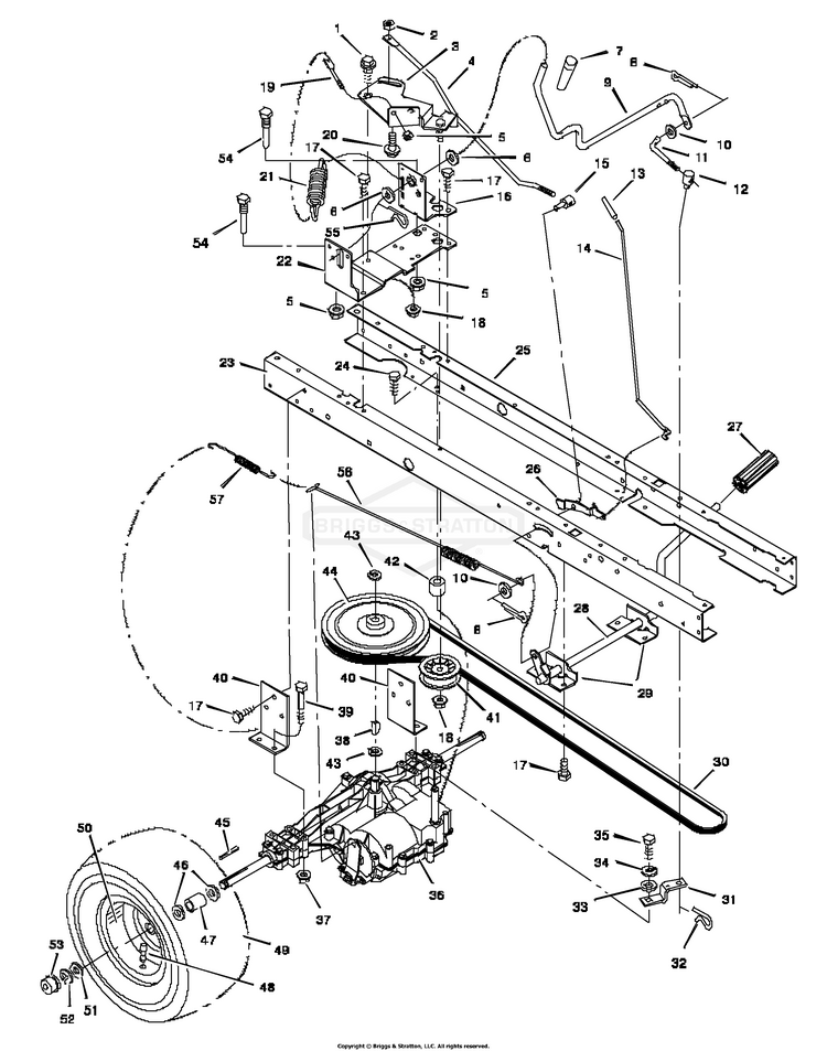
Murray 42 Inch Cut Lawn tractor | 42910x92A ... Murray 42910x92A (1996) 42 Inch Cut Lawn tractor Parts We Sell Only Genuine Murray Parts Hex Head Washer Screw $4.42 Add to Cart Jackshaft Housing $48.83 Add to Cart Blade Nut $3.34 Add to Cart Flange LockNut $6.21 Add to Cart Gage Wheel $14.71 Add to Cart Backside Idler Pulley $18.42 Add to Cart Nut $5.14 Add to Cart Washer $12.44 Add to Cart Murray Riding Mower Parts Diagram | Automotive Parts ... Description: Murray 405002X8A Parts List And Diagram - (2002 intended for Murray Riding Mower Parts Diagram, image size 562 X 740 px, and to view image details please click the image.. Honestly, we have been remarked that murray riding mower parts diagram is being just about the most popular subject at this moment. So that we tried to get some great murray riding mower parts diagram image to ...

PDF Murray 42 inch riding mower deck belt diagram 2012:I have a 20004 Murray Select model#46530X31A and need a diagram for the deck drive beltcasey on September 22, 2012:I need a diagram for installing a drive belt on a Murray riding lawn mower model 9-38211 14 hp 42 inch cut. looks like a 2008 modelEvfd38@hotmail.comMark St. John on August 20, 2012:I have a Murray model 465600x8a.

Murray 42 inch riding mower drive belt diagram

Murray 42 inch riding mower drive belt diagram

Murray Lawn Mower Belts Diagram Murray Lawn Mower 46" deck remove and belt replace. YouTube. need a drive belt diagram for a murray lawn mower model x8 Please find attached a "amateur" drawing of the belt routing for the 37x89MA primary deck. Murray lawn tractors use two types of rubber belts: a transmission belt and a or mower blades accidentally start while you are working ... 42 Riding Mower - Murray The high performance air induction 42" cutting deck allows for optimal air flow and excellent cut quality. Hardworking Engine Powered by a Briggs & Stratton 17.50 Gross HP* Power Built™ OHV Engine that is powerful, durable and simple to maintain and use. Comfortable Ride The cushioned 11" mid-back seat makes for a comfortable ride while mowing. Huskee 42 Inch Riding Mower Belt Diagram | vincegray2014 Huskee 42 Inch Riding Mower Belt Diagram Free Download 2022 by vivian.flatley. Find The BestTemplates at vincegray2014.

Murray 42 inch riding mower drive belt diagram. Instructions to Install Murray Lawn Tractor Belts | Home ... Fit the transmission drive belt around the top engine stack pulley. Push the free end of the transmission drive belt up through the transmission shifter hole in the lawn tractor floorboard. Slip... MTD 13AO785S058 (2013) M195-42 (2013) Mower Deck 42-Inch ... Label Map 13AO785S058 Mower Deck 42-Inch Seat & Fender Transmission Transmission Drive Assembly Wiring Schematic 13AO785S058 (2013) M195-42 (2013) Mower Deck 42-Inch JavaScript Disabled - Unable to show Cart 1 91804822B Spindle Assembly 2 6830254B0637 Deck Lh Bracket Assembly $39.34 Add to Cart 3 98304511 Deck Brake Assembly $49.72 Add to Cart 4 How to Put a Drive Belt on a 42 Inch Murray Riding Mower If you happen to own a Murray riding mower with a 42-inch cutting deck, you enjoy two blades of grass-cutting power stuffed under that moderate-sized deck. If you look at the top of the cutting deck, you will see multiple pulleys and a drive belt that wraps around the pulleys and extends to the front of the mower. Murray 465306x8 Drive Belt Diagram - schematron.org Murray 465306x8 Drive Belt Diagram 14.08.2018 5 Comments Looking for support of your Murray mower or garden tools? the search window below to locate Operator's Manuals, Illustrated Parts Lists and Wiring Diagrams. James Reed, the belt part number is X61MA, it is a 37X61 V-belt. Diagram attached, hope this helps, good luck. Block Image.

How to Put a Drive Belt on a 42 Inch Murray Riding Mower ... How to Put a Drive Belt on a 42 Inch Murray Riding Mower. If you happen to own a Murray riding mower with a 42-inch cutting deck, you enjoy two blades of gra... Murray 42 inch drive belt diagram - Ask Me Help Desk New Member. Jul 25, 2009, 05:20 PM. Murray 42 inch drive belt diagram. I tried to replace the drive belt and can't get it right can someone please send me a diagram to see how the belt goes. rodney heat. View Public Profile. Murray Lawn Tractor Manual Model 42910x92a, Around Track ... Drive belt diagram murray lawn mower image and murray 40508x92g lawn tractor 2003 transmission diagram lawn mower forum murray 42515x92b lawn tractor 2002 parts diagrams murray lawn mower drive belt diagram 40 inch image murray 42 inch riding mower drive belt. We have manuals, guides and of course parts for common 42910X92A problems. Support | Manuals | Murray If you know the model number of your Murray product, enter it in the search window below to locate Operator's Manuals, Illustrated Parts Lists and Wiring Diagrams. Find Your Murray Model Number Model Numbers on Murray riding lawn mowers are found on the back of the mower or under the seat.

Belt diagram for 42 inch Murray riding mower? - Answers Where is the spring for tightening a blade belt on a Murray 42910x92a riding mower and what size belt does it use? The idler pulley is located just in front of and to the left of the right-side... Murray Riding Lawn Mower Drive Belt Diagram | vincegray2014 Murray Riding Lawn Mower Drive Belt Diagram Free Download 2022 by antone.ruecker. Find The BestTemplates at vincegray2014. Murray Riding mower 425303x92 Motion belt diagram | Lawn ... Messages. 7,000. Jun 18, 2018. #2. LeeHulcher said: I have a Murray Riding mower 425303x92 that I need to install a new motion belt size 37x112 on. The husband didn't notice the belt layout when he removed it and now we need a diagram. This model has a dual tension pulley on the right hand side. Any help would be so gratefully appreciated, I am ... Belt diagram murray 17 hp 42 inch belt - Ask Me Help Desk Need a Murray Automatic Drive 17 HP 42" Belt Diagram [ 8 Answers ] I need help bad! I have a 2002 Murray Riding Lawnmower 17 HP 42". I broke a belt and do not know how to put the new one back on. I need a belt diagram for the two belts at the top of the mower, not the deck with the one long belt.

Replacing Belts On 1993 Murray Rider Mower PART 1

Replacing Belts On 1993 Murray Rider Mower PART 1

How to put a belt on a Murray riding lawn mower diagram? Now the next part is to drop the action drive belt through to the shift lever hole also into the frame. You need to raise the belt edge out over the shift lever. After that, turn back via the framework whole. Therefore, wrap the motion control belt's end from around the drive pull. Now, to secure the settings, you should tighten the belt guides.

38514x95A Murray - Lawn Tractor (1997) - PartsWarehouse

38514x95A Murray - Lawn Tractor (1997) - PartsWarehouse

Murray 42" 15.5 HP Riding Mower - Walmart.com Murray 42" 15.5 HP Riding Mower: Powered by a Briggs and Stratton 15.5 HP PowerBuilt Engine with OHV Technology, offering better fuel economy and longer engine life. Best for medium-to-large-sized yards greater than 1 acre with flat, hilly or uneven terrain. Convenient 7-speed shift-on-the-go transmission lets you mow at your own pace without ...

Murray 46901x92B - Lawn Tractor (1996) Parts Diagrams

Murray 46901x92B - Lawn Tractor (1996) Parts Diagrams

Correct Belt Path for Murray Riding Lawn Mower Cutting ... I show you the Correct Belt Path for Murray Riding Lawn Mower Cutting Deck Model 405014x92.Use my Affiliate links to support my channel at no cost to you: Ge...

I need a diagram of the drive belt on a murray 42590x92

I need a diagram of the drive belt on a murray 42590x92

Murray 42" Lawn Mower | 42515x92A | eReplacementParts.com Need to fix your 42515x92A (2000) 42" Lawn Mower? Use our part lists, interactive diagrams, accessories and expert repair advice to make your repairs easy. ... Murray 42515x92A (2000) 42" Lawn Tractor Parts. We Sell Only Genuine Murray Parts Popular Parts. ... Motion Drive Belt. $28.12. Add to Cart 37X87MA. Splined Spindle Shaft. $20.46. Add to ...

Replacement motion belt for Murray Widebody LT 17.5 hp 46 ...

Replacement motion belt for Murray Widebody LT 17.5 hp 46 ...

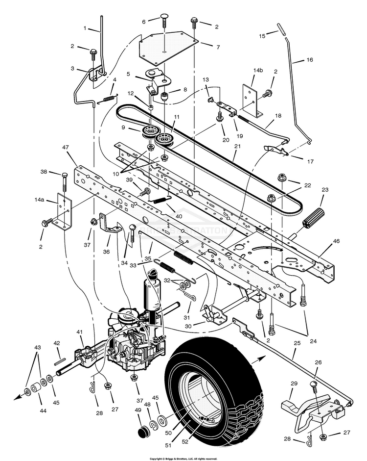
need diagram to install belt on Murray riding mower - iFixit tw1276, you did not tell us if you are looking for the drive belt or the mower belt. Both images are attached. Hope this helps, good luck Mower diagram Drive Diagram - Murray Riding Mower

I have a Murray 42

I have a Murray 42" riding mower. Model #425303X92A with a ...

PDF Murray 42 inch deck belt diagram - telozigigozato.weebly.com 2012:I need a diagram for installing a drive belt on a Murray riding lawn mower model 9-38211 14 hp 42 inch cut. looks like a 2008 modelEvfd38@hotmail.comMark St. John on August 20, 2012:I have a Murray model 465600x8a. Would you be able to send diagram of how the drive belt and mower belts are routed? Also, I have read my manual on how

7800566 Murray - RT155420, 15.5HP 42

7800566 Murray - RT155420, 15.5HP 42" Hydro Drive Manual PTO ...

Murray 425000x8A - Murray 42" Lawn Tractor (2003) Mower ... 42" Lawn Tractor Mower Housing Parts Diagram 1 Murray Part# 494199MA Pulley, Jackshaft In Stock, only 1 left! $ 26.49 Add to Cart 0 2 Murray Part# 15X140MA Nut, Hex In Stock, Qty 11 $ 8.37 Add to Cart 0 3 Murray Part# 037X88MA Belt, Mower Drive In Stock, Qty 20+ $ 30.73 Add to Cart 0 4 Murray Part# 690387MA Pulley, Idler In Stock, Qty 6 $ 20.78

1696797-00 Murray - 42

1696797-00 Murray - 42" Mower Deck (2017) - PartsWarehouse

Murray Lawn Mower Drive Belt Diagram 42 Inch - Diagram ... Please help i need a drive belt diagram for a murray lawn mower the belt size is 37x61. By lori10082011 [1 post, 1 comment]. Looks like a 2008 model. Wiring diagram machine new yard machine 42 inch riding mower bel. And look for the belt that fits the murray, yardman, lowes, toro, 42 deck. Harley Davidson Gas Golf Cart Wiring Diagram

Murray 42560x92A - Lawn Tractor (1997) Parts Diagrams

Murray 42560x92A - Lawn Tractor (1997) Parts Diagrams

M 175-42 - Murray 42" Riding Mower (2013) Parts & Diagrams ... Repair parts and diagrams for M 175-42 - Murray 42" Riding Mower (2013)

Murray Lawnmower Belts – FG Adamson

Murray Lawnmower Belts – FG Adamson

I need to find a diagram on how to install the drive belt ... I need to find a diagram on how to install the drive belt on a 42 inch murray 17.5 hp riding mower. - Answered by a verified Technician. We use cookies to give you the best possible experience on our website.

Murray Widebody Drive Belt Size Best Sale, UP TO 64% OFF ...

Murray Widebody Drive Belt Size Best Sale, UP TO 64% OFF ...

SOLVED: Need a diagram of the drive belt ... - iFixit I have a Murray Riding Lawn Mower 2004 Model 42572x8A, 2004, 42" 20 hp auto drive select twin. need a belt diagram. thanks. Answered! View the answer I have this problem too Subscribed to new answers

SOLVED: I need a actual picture of the installed drive belt ...

SOLVED: I need a actual picture of the installed drive belt ...

Huskee 42 Inch Riding Mower Belt Diagram | vincegray2014 Huskee 42 Inch Riding Mower Belt Diagram Free Download 2022 by vivian.flatley. Find The BestTemplates at vincegray2014.

Page 24 of Murray Lawn Mower 425620x92B User Guide ...

Page 24 of Murray Lawn Mower 425620x92B User Guide ...

42 Riding Mower - Murray The high performance air induction 42" cutting deck allows for optimal air flow and excellent cut quality. Hardworking Engine Powered by a Briggs & Stratton 17.50 Gross HP* Power Built™ OHV Engine that is powerful, durable and simple to maintain and use. Comfortable Ride The cushioned 11" mid-back seat makes for a comfortable ride while mowing.

Support | Manuals | Murray

Support | Manuals | Murray

Murray Lawn Mower Belts Diagram Murray Lawn Mower 46" deck remove and belt replace. YouTube. need a drive belt diagram for a murray lawn mower model x8 Please find attached a "amateur" drawing of the belt routing for the 37x89MA primary deck. Murray lawn tractors use two types of rubber belts: a transmission belt and a or mower blades accidentally start while you are working ...

Murray 7800562 - MT175420, 17.5HP 42

Murray 7800562 - MT175420, 17.5HP 42" Hydro Drive Manual PTO ...

Murray 42

Murray 42" Lawn Tractor | 425620X92A | eReplacementParts.com

Repair Tip

Repair Tip "Mower belt diagrams 4" - Fixya

13a0785t058 | Shop tercesa.com

13a0785t058 | Shop tercesa.com

Trying to verify Model number of Murray Widebody Select 40 ...

Trying to verify Model number of Murray Widebody Select 40 ...

murray 42 Questions & Answers (with Pictures) - Fixya

murray 42 Questions & Answers (with Pictures) - Fixya

Murray 425008x8A - Murray 42

Murray 425008x8A - Murray 42" Lawn Tractor (2002) Mower ...

Murray 46

Murray 46" Deck 1999 - 2009 | Small Engine Equipment Parts

42 Inch Murray Deck

42 Inch Murray Deck

13AM775S058 - Murray Lawn Tractor (2014) Parts Lookup with ...

13AM775S058 - Murray Lawn Tractor (2014) Parts Lookup with ...

I have a Murray Pro, 42 inch lawn tractor. I need a drive ...

I have a Murray Pro, 42 inch lawn tractor. I need a drive ...

Scotts or Murray Drive Belt Instalation

Scotts or Murray Drive Belt Instalation

Murray Riding Mower Deck Repair Online Sales, UP TO 53% OFF ...

Murray Riding Mower Deck Repair Online Sales, UP TO 53% OFF ...

42571x8C Murray - Lawn Tractor (2001) - PartsWarehouse

42571x8C Murray - Lawn Tractor (2001) - PartsWarehouse

Murray Rear Discharge Lawn Tractor, MRD100, MRD200 | Manualzz

Murray Rear Discharge Lawn Tractor, MRD100, MRD200 | Manualzz

Murray 42

Murray 42" Lawn Tractor | 42516x92B | eReplacementParts.com

Murray 425015x92A - Lawn Tractor (2004) Parts Diagram for ...

Murray 425015x92A - Lawn Tractor (2004) Parts Diagram for ...

I need the diagram of how to put on the belt for the blades ...

I need the diagram of how to put on the belt for the blades ...

I need a diagram to replace the belt on a murray riding lawn ...

I need a diagram to replace the belt on a murray riding lawn ...

Murray 3 Belt Set Deck & Drive (B5) 37 X 88MA,37 X 112MA,37 X 113MA | eBay

Murray 3 Belt Set Deck & Drive (B5) 37 X 88MA,37 X 112MA,37 X 113MA | eBay

How do you replace the drive belt on a murray riding mower ...

How do you replace the drive belt on a murray riding mower ...

How to replace the deck belt on an MTD riding mower - YouTube

How to replace the deck belt on an MTD riding mower - YouTube

MURRAY LAWN TRACTOR 125/96 BLADE DRIVE BELT | eBay

MURRAY LAWN TRACTOR 125/96 BLADE DRIVE BELT | eBay

OEM Murray 42

OEM Murray 42" Lawn Mower Blade Belt '97 & and 17 similar items

0 Response to "38 murray 42 inch riding mower drive belt diagram"

Post a Comment

Iklan Atas Artikel

Iklan Tengah Artikel 1

Iklan Tengah Artikel 2

Iklan Bawah Artikel