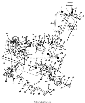
38 lawn chief parts diagram
Replacement Parts Admiral 12INCH MITER SAW ADMIRAL Select parts only for your specific Item Number – parts are not interchaneable Item# 57839 Part# Description Diagram Ref# Price 21414 KERF BOARD 42 $1.51 21416 DUST COLLECTION BAG 141 $2.00 25373 RIGHT FENCE EXTENSION 25 $5.36 25374 LEFT FENCE EXTENSION 24 $5.36 25381 M6X32 WING SCREW 19 $1.98 Lawn Chief Parts available online and ready to ship direct to your door. By ordering Lawn Chief parts online at our website, you can rest assured knowing that you get 100% genuine Lawn Chief accessories and Lawn Chief parts that are professionally designed and engineered.
Lawn Chief riding lawn mower [ 10 Answers ]. Does anyone know if there is some kind of online manual or diagram showing how to put together different areas of a lawn chief riding mower?

Lawn chief parts diagram
Helpful information and resources on lawn and garden tractors from SSB Tractor, a leading provider of tractor parts, manuals, implements and toys. Lawn Chief Parts. Scotts Parts List. 1642 scotts lawn tractor wiring diagram also scotts 1642h oil filter wiring diagrams furthermore looking drive belt diagram model scott 1642h date 2001 a 736635 Scotts Lawn Mower User Manual Scotts 2000 20 20 inch classic push reel lawn mower, John deere... Lawn Mower Parts · Lawn Mower Parts Spindle Assemblies. a Message. 877-277-4512. Support will respond within 24 hours. Lawn Chief Riding Mower Parts Manual | Home Improvement If you bought your lawn mower a long time ago, it may be tough to find your mower manual.
Lawn chief parts diagram. Quality Lawn Chief replacement parts - cheap and quality - available online. PartsTree.com - Select MTD 13AM678G022 - Lawn Chief Lawn Tractor (1999) (Cotter. Diagrams and order Genuine MTD Mowers: lawn & garden tractor Parts. Mower deck swap. I'm pretty sure the twin Onan uses the same length main drive mower belt as the Tecumsehs. org, 608-222-1201 ext 110 Payment must be made PRIOR to pick-up by visiting SWAP at 1061 Thousand Oaks Trail, Verona, WI 53593 Monday through Friday 8:00am - 4:00pm or by calling 608-497-4440 (leave a message and your call will be returned). Lawn Chief 440 Riding Mower Parts. Mtd 13bg698h022 1999 Parts Diagram For Engine. If you want to to explore Lawn Chief Mower Parts Diagram how a web based maintenance manual Answer can profit your automotive Corporation, be sure to Stick to the connection down below. Lawn Chief Tiller Manuals. Tires amp Wheels Lawn Mower Grave Yard Equipment Used. Madison Tractor Agricultural Equipment Parts. The Gilson SNOW BLOWER Shop Tiller Parts. Parts Lookup Directory Owners Manuals Parts Diagrams.
Lawn Chief Tiller Manuals. Chattel Auctions Tom Rawn. The Gilson SNOW BLOWER Shop Tiller Parts. Stallion amp Chief Rotary Cutters Ag Meier. Ford Jacobsen com. Parts Lookup Directory Owners Manuals Parts Diagrams. Terror from the Right Southern Poverty Law Center. Oregon® Aftermarket Lawn Mower Parts including lawn mower OEM replacement blades, Gator Mulcher® Blades, Gator Mulcher® 3-in-1 blades, and Gator Mulcher® G6™ mower blades. Illustrated Parts List. Parts Diagrams of popular equipment. The JACOBSEN LAWN & GARDEN TRACTOR Operations and Parts Manuals plus MOWER Manual CD Compilation. Need to know EXACTLY how operate the Hydrostatic Transmission on your Jacobsen "Super Chief" ? Need a Detailed Diagram WITH PART NUMBERS of the Suspension and... wiring diagram fuse box. lawn mower steering lawnmower parts. discount online parts. lawn chief riding mower parts for sale espotted com. mtd progreen plus. lawn chief tractor youtube. lawn chief mower parts diagram car repair manuals and. lawn tractors amp riding mowers by mtd products...
Nov 07, 2021 · MTD Yard Machines 38 inch mower deck installation and removal. Mtd 38 Mower Deck Belt Diagram. Aftermarket OEM Quality Deck Rebuild Kit for 46" MTD, Lawn Chief, Ranch King, White, Troy-Bilt, Yardman, and Yard Machine riding lawn mowers. 7-inch diameter chute. Riding mower identification, (MTD) Mastercut 38 inch deck 12hp. Snapper Illustrated Parts Lists available online from LawnMowerPros and ready for your use. We are an Authorized Snapper Dealer with many Snapper Parts Lookup Diagrams. If you do not see the Snapper Parts Diagram you need, please complete the Lawn Mower Parts Request Form and we will be happy to assist you.: Snapper Illustrated Parts Diagrams My damaged mind had to deal with almost dying in flight several times. One of the problems on a bird was at someone did not install any of the fasteners on all the flight controls on the left side flight control rod closet in the UH60. Now they have redundancies, I know that. But someone who fails to do their job, followed by some QA/QC type somehow fails to miss all the flight control rods. Pretty effing important. This incident is discussed in [this link to another Vultures nest story.](https:... Lawn Chief Tiller Manuals Office Manuals and free pdf instructions. Find the office and computer equipment manual you need at ManualsOnline. Snapper Illustrated Parts Diagrams Online | Lawnmower Pros Ag-Meier manufactures Continental Belton and Mohawk equipment and implements...
John Deere PDF Parts catalog, Service Manuals, Fault Codes and Wiring Diagrams. See also: John Deere Lawn Mowers Operator's Manual PDF. JOHN DEERE LT133, LT155 & LT166 LAWN GARDEN TRACTOR Service Repair Manual.pdf. 1Mb. Download.
Nov 07, 2021 · High-speed gearbox. 97-129 of 129 results for "scotts spreader parts" Scotts MossEx - Kills Moss but Not Lawns, Contains Nutrients to Green The Lawn, Moss Control for Lawns, Helps Develop Thick Grass, Treats up to 5,000 sq. Squeeze trigger against handle and tie it up. 2 out of 5 stars 3,856 Scotts Turf Builder EdgeGuard Mini Broadcast Spreader ...
Lawn Chief Tillers Parts with Diagrams - PartsTree Craftsman 2-N-1 - 5.50 Torque Rating 22 in. Deck Mulch-Side Discharge Push Lawn Mower 38512 Owner's Manual (40 pages) Rotary lawn mower 550 series b&s engine 22" side discharge Manual is suitable for 1 more product: 917.385120.
Massey Ferguson 231 Parts - Specs. Narrow your search for Massey Ferguson 231 Parts by selecting categories on the left.. The Massey Ferguson 231 Tractor was manufactured from 1989 to 1999. The Massey Ferguson 231 was designed as an all purpose utility tractor.The Massey Ferguson 231 was powered by a 38 hp Perkins 2.5L 3-cyl diesel engine.. The serial number for the Massey Ferguson …
The parts diagram will open as a pdf file in a new window. Finding your mtd parts is simple with our online parts diagrams. Searching for shop by machine type mtd parts. We have the oem mtd parts that youre looking for. Lawn Chief Mower Parts Diagram Mtd 116 072a022 Lawn Chief Walk.
Lawn Chief 136l673f022 Lawn Chief Lawn Tractor 1996 Cotter Company Parts Lookup With Diagrams Partstree
Nov 09, 2021 · Lawn mower parts for sale include blades, belts, pulleys and wheels for your MTD, Murray, Sears, Snapper, Toro, Lawnboy, MTD or Murray lawn mowers. We offer parts ordering on-line through our MATOEMPARTS. This item is Metal an is Sold Individually. Shop tool parts by brand or tool at Tool Parts Direct. 0. Add to Cart. {manytext_bing}.
Parts, owners' manuals and parts diagrams for Garden Way, Generac, General Pumps, Giant Vac, Grasshopper, Gravely, Grazer, Great Dane, Green Parts LookUp Directory. Find online illustrated parts lists (IPL's), users' manuals, owner's, and parts manuals and diagrams, repair manuals, for...
I just aquired an old Lawn Chief 300-H rear engine rider and looking for a lead for parts/diagrams/etc, not finding much. I know it was manufactured by General •GENERAL POWER EQUIPMENT Co. (maker of Lawn Chief and Snow Chief lawn and garden machinery exclusively for True Value stores.
Lawn Chief Lawn Tractor 13BG698H022 / 1999 Repair Parts. Start New Search. Lawn Chief Model 13BG698H022 parts in stock and ready to ship! Click the diagram where you think your part is located.
Lawn Chief 13an678g022 Lawn Chief Lawn Tractor 2001 Cotter Company Parts Lookup With Diagrams Partstree
You are here: Home > All Brands > Lawn Chief > Lawn Chief by MTD Tillers. Find any part in 3 Clicks! 2: Model.
Lawn Chief 13an678g022 Lawn Chief Lawn Tractor 2001 Cotter Company Parts Lookup With Diagrams Partstree
For power equipment parts and accessories think jacks. Model f4316 070 noma lawn tractor. Amazon Com Lawn Chief Noma Amf 12...
John Deere tractors, combines & lawn mowers service repair manuals, wiring diagrams, fault codes list; john deere parts catalog download. John Deere Parts Catalog Download. Title. File Size.
The original part numbers: 113076, 096438 and 097972. As well as the Left hand belt guard, part # 113209. If someone might have these, please let me know and what you would want for them.
I think that MTD made Lawn Chiefs. Here is a youtube video for installing a blade on an MTD. Hope it helps. Also there is a Lawn Chief Specific Forum, they might be able to help you. http This is a Parts diagram website. Find your model then work through it until you find what you need http...
Riding Mowers > Lawn Chief (56 Models).
*Note: I have decided to split Part Three into two posts. This post covers chapters 17-20. The next one (which I will post in a few days) will cover chapters 21-23. If anyone would like direct quotes from Thomas' book regarding any of this information, please let me know.* **Chapter 17** Chapter 17 focuses on negotiations between the DA's office and the Ramseys' attorneys to arrange the first formal BPD interviews with John and Patsy. Originally, the conditions of the interview, agreed upo...
Lawn Chief 13am678g022 Lawn Chief Lawn Tractor 1999 Cotter Company Parts Lookup With Diagrams Partstree
26 hp kohler engine parts diagram in addition old briggs and mtd push mower engine diagram wiring library. Mtd parts and mtd parts diagrams...
I need a deck belt diagram for my Lawn Chief 18 hp 7 speed riding mower. I do not know the model #, because it is wore off. I have a lawn chief 440 12.5/39 I need the mower deck belt and a the left front wheel steering bushing. i need part numbers and where can I order these?… read more.
Fair Lawn is a borough in Bergen County, New Jersey, United States, and a suburb located 10 miles (16 km) from New York City.As of the 2010 United States Census, the borough's population was 32,457, reflecting an increase of 820 (+2.6%) from the 31,637 counted in the 2000 Census, which had in turn increased by 1,089 (+3.6%) from the 30,548 counted in the 1990 Census.
Lawn Chief 13bg698h022 Lawn Chief Lawn Tractor 1999 Cotter Company Parts Lookup With Diagrams Partstree
Lawn Chief Riding Mowers Parts with Diagrams - PartsTree. Lawn Mower Replacement Parts Fast Shipping at Repair Clinic. How to Access Old Mower Noma Riding Lawn Mower Parts Diagram - Diagram Resource Gallery. Lawn Mower Bagger Attachments; Mulching Kits; Riding Lawn Mower...
Previous part [here](https://www.reddit.com/r/nosleep/comments/i4t6rk/saltwater_part_8/) - -------------------- - They were instructions. Well, no, they were the disjointed ramblings and ravings of a madman drunk on his own hype, and steeped in hyperbole and immense leaps of logic, but once you stripped all that away, what they were, at their core, was a set of instructions. There seemed to be no particular order to the pages. They weren't numbered, and they didn't seem to ever have been atta...
Lawn Chief Riding Mowers Parts with Diagrams - PartsTree If you bought your lawn mower a long time ago, it may be tough to find your mower manual. lawn chief 12 36 parts list and manual? | Yahoo Answers Manuals and free owners instruction pdf guides. Find the user manual and the help...
Here are parts diagrams for the Ford 2000 Tractor Parts Diagram 61-64 and Ford 2000 Tractor Parts Diagram 65-74.. Older antique tractors such as the Ford 2000 Tractor, need repair parts from time to time.That’s where Madison Tractor can help. We stock many high quality repair parts for the Ford 2000 Tractor such as sheet metal parts, hydraulic pumps, steering pumps, ring gears, battery boxes ...
1-16 of 150 results for "Lawn Chief Riding Mower Parts". HD Switch Replaces 725-0267 MTD Gold, Lawn Chief, Statesman, Wizard Starter Ignition Key Switch - Ultimate Dual Protection Upgrade - 3 Keys & Free Carabiner.
Husqvarna lc221fh parts. hiwayservicepolaris. Fits On: Husqvarna: HU675F HU700F HU700H HU725AWSH HU800AWDH LC356V XT722FE 532406713 is an OEM Husqvarna part. 2021 LC221FH (961 45 00-36) 9. No buttons or levers needed. 95 2021 LC221FH (961 45 00-36 OEM Parts Finder New Husqvarna Walk Lawn Mowers Models For Sale in Summerville, SC.
Lawn Mower Parts · Lawn Mower Parts Spindle Assemblies. a Message. 877-277-4512. Support will respond within 24 hours. Lawn Chief Riding Mower Parts Manual | Home Improvement If you bought your lawn mower a long time ago, it may be tough to find your mower manual.
Lawn Chief Parts. Scotts Parts List. 1642 scotts lawn tractor wiring diagram also scotts 1642h oil filter wiring diagrams furthermore looking drive belt diagram model scott 1642h date 2001 a 736635 Scotts Lawn Mower User Manual Scotts 2000 20 20 inch classic push reel lawn mower, John deere...
Helpful information and resources on lawn and garden tractors from SSB Tractor, a leading provider of tractor parts, manuals, implements and toys.
Lawn Chief 216 390 022 Lawn Chief Tiller 1996 Cotter Company Engine Chain Case Assembly Parts Lookup With Diagrams Partstree
Mtd 135 514 190 30 Rear Engine Rider R 86 1985 Parts Diagram For 30 Inch Rear Discharge Mowing Deck Assembly
0 Response to "38 lawn chief parts diagram"
Post a Comment