Iklan 300x250

37 cub cadet lt1042 wiring diagram

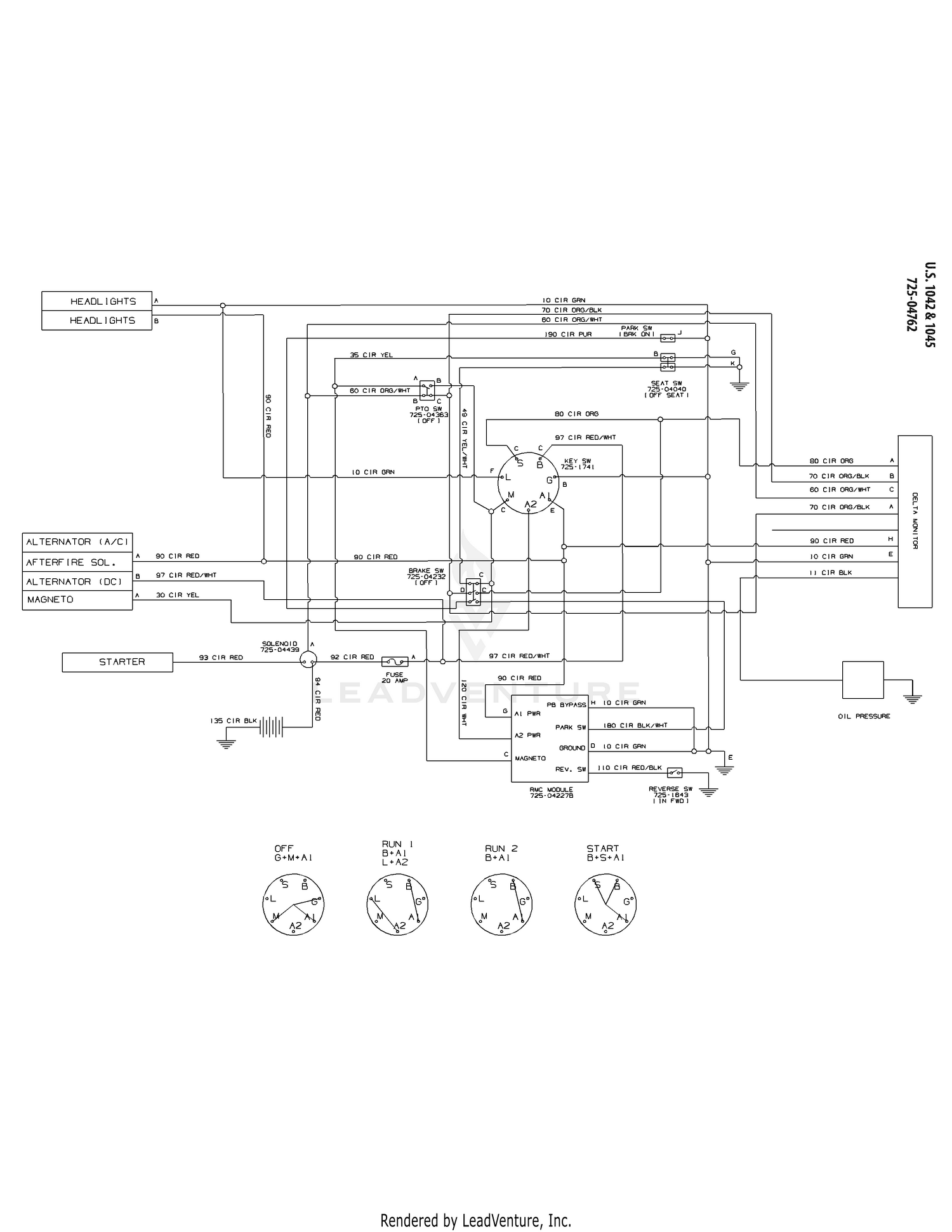
Shop online for OEM Wiring Schematic Ltx1042 & Ltx1045 parts that fit your Cub Cadet LTX1042 Tractor (2009) 13AX91AR010, search all our OEM Parts or call at ...

need wiring diagram cub cadet 1042 - Cub Cadet Lawn Mower Electric PTO ... BrandCode=10051 Then type in model LT1042 and check your serial no. again as I ...

Cub Cadet Lt1042 Manuals Manualslib. Wiring diagram ih cub cadet tractor forum lt1042 my faq lt1045 drive belt zero turn rzt 42 17ae2acg603 2007 before sltx1054 13wk 2011 schematics parts manual pdf engine cheap online have model 17ai2acp056 with roland s fancy colored diagrams manuals manualslib replacement ilrated ltx1042 2009 pto on will not stay ened lt 1045 won t start unless service ...

Cub cadet lt1042 wiring diagram

Cub cadet lt1042 wiring diagram

cub cadet pto clutch wiring diagram rebuild kit wire harness car stereo lt pto clutch installation adjustment ,cub cadet pto.This cub cadet hds wiring harness embly picture has been authored. You can actually obtain this amazing photo for your portable, netbook or desktop pc. In addition, you could book mark this post to you favorite social ...

Where can I find an electrical wiring diagram for a particular unit? Solution. Electrical wiring diagrams may be found in the Operator's Manual.

Cub Cadet Lt1042 Wiring Schematic – Data Wiring Diagram Schematic – Cub Cadet Wiring Diagram You can usually depend on Wiring Diagram as an important reference that can assist you to save time and cash. With the aid of the book, you can easily do your personal wiring projects.

Cub cadet lt1042 wiring diagram.

Cub Cadet Lt1042 Wiring Schematic – Data Wiring Diagram Schematic – Cub Cadet Wiring Diagram Wiring Diagram will come with several easy to follow Wiring Diagram Guidelines. It’s supposed to assist all of the average person in developing a proper method. These directions will probably be easy to comprehend and apply.

Cub Cadet tractor ignition switch wiring diagram related problems. Ask your Cub Question about Op's Manual Model Lt Lt Lt Lt 1 Answer. Manuals and free owners instruction pdf guides. Find the user manual and the help you need for the products you own at ManualsOnline.

This kind of graphic (Wiring Diagram For Lt 1042 Cub Cadet – Readingrat with regard to Cub Cadet Lt1042 Parts Diagram) over is actually labelled using: cub cadet lt1042 parts diagram, cub cadet lt1042 steering parts diagram, . published by CARPNY TEAM at May, 4 2016.

Cub Cadet Lt Wiring Diagram With Images. cub cadet pto clutch wiring diagram removal clutches used lawn equipment tractor,cub cadet forum archive through lt pto clutch. Manuals and free owners instruction pdf guides. Find the user manual and the help you need for the products you own at ManualsOnline.Cub Cadet Lt Wiring Schematic ~ hello ...

LT1042 wiring diagram Cub Cadet Lawn Tractor (LT) Cub Cadet is a premium line of outdoor power equipment, established in 1961 as part of International Harvester.

Wiring Diagram for LT 1042?? I have a Cub Cadet Lawn tractor LT 1042, Mfg Date: 12, 2006. Model #. 13AX11CG710, Ser. # 1L116H10142. The 747-04307 or. 747-04857 Belt keeper Rod came off and got into the blades. In the process. it took out two black wires (part in a loom) with a male connector to a.

In addition to these Cub Cadet Spec Sheets, you can also view a number of Cub Cadet Manuals for some of the most popular Cub Cadet outdoor power equipment. Cub Cadet 2000 Series Wiring Schematics Cub Cadet 2130 Series (1994-1995) Wiring Schematic

Main ground wire | Garden Tractor Forums

Main ground wire | garden tractor forums

Cub Cadet GT1554VT Tractor 14VR13CK009 14VR13CK010 Wiring ...

Cub cadet gt1554vt tractor 14vr13ck009 14vr13ck010 wiring ...

cub cadet ltx 1050 drive belt diagram,Free delivery,www ...

Cub cadet ltx 1050 drive belt diagram,free delivery,www ...

1872 ELECTRICAL PROBLEM---- - HELP | IH Cub Cadet Tractor Forum

1872 electrical problem---- - help | ih cub cadet tractor forum

Where can I get a wiring diagram for a Cub Cadet LT1050 - Fixya

Where can i get a wiring diagram for a cub cadet lt1050 - fixya

Wiring diagram | IH Cub Cadet Tractor Forum

Wiring diagram | ih cub cadet tractor forum

My cub cadet lt 1045 won't start unless I jump it. After it ...

My cub cadet lt 1045 won't start unless i jump it. after it ...

Cub Cadet FAQ

Cub cadet faq

I need a wiring diagram for My cub cadet model 1225 Note ...

I need a wiring diagram for my cub cadet model 1225 note ...

SOLVED: Need a i1050 cub cadet wiring diagram - Fixya

Solved: need a i1050 cub cadet wiring diagram - fixya

Cub Cadet FAQ

Cub cadet faq

SOLVED: Im looking for a wiring diagram for cub cadet - Fixya

Solved: im looking for a wiring diagram for cub cadet - fixya

Cub Cadet 1040 Wiring Diagram - Images Nomor Siapa?

Cub cadet 1040 wiring diagram - images nomor siapa?

SOLVED: Need wiring diagram 4 cub cadet Model 1200 - Fixya

Solved: need wiring diagram 4 cub cadet model 1200 - fixya

I am looking for help to wire a Cub Cadet LTX 1050 SV725 to ...

I am looking for help to wire a cub cadet ltx 1050 sv725 to ...

cub cadet 1000 series Lt 1042 2005 update - YouTube

Cub cadet 1000 series lt 1042 2005 update - youtube

Cub Cadet FAQ

Cub cadet faq

I need a wiring diagram for a 2004 rzt 50 inch cub cadet - Fixya

I need a wiring diagram for a 2004 rzt 50 inch cub cadet - fixya

Free Cub Cadet Wiring Diagram - Images Nomor Siapa?

Free cub cadet wiring diagram - images nomor siapa?

Have cub cadet model 17ai2acp056 with kawasaki fh661vb1629 ...

Have cub cadet model 17ai2acp056 with kawasaki fh661vb1629 ...

My tractor works fine, but when I turn on the mower it only ...

My tractor works fine, but when i turn on the mower it only ...

Cub Cadet FAQ

Cub cadet faq

Cub Cadet 2206 Wiring Diagram - Images Nomor Siapa?

Cub cadet 2206 wiring diagram - images nomor siapa?

Need wiring diagram cub cadet 1042 - Fixya

Need wiring diagram cub cadet 1042 - fixya

Cub Cadet FAQ

Cub cadet faq

Cub Cadet Z-Force L48 (2014) 17ASDALB010 (2014) Wiring ...

Cub cadet z-force l48 (2014) 17asdalb010 (2014) wiring ...

Cub Cadet SLTX1054 Tractor 13WK (2011) 13WK92AK009 (2011 ...

Cub cadet sltx1054 tractor 13wk (2011) 13wk92ak009 (2011 ...

Cub Cadet LTX1040 Tractor (2009) 13AX90AR009 13AX90AR010 ...

Cub cadet ltx1040 tractor (2009) 13ax90ar009 13ax90ar010 ...

Cub Cadet LTX1042 Tractor (2009) 13AX91AR010 Wiring Schematic ...

Cub cadet ltx1042 tractor (2009) 13ax91ar010 wiring schematic ...

Cub Cadet LTX1050KH Tractor (2009) 13AP91AP010 13AP91AP056 ...

Cub cadet ltx1050kh tractor (2009) 13ap91ap010 13ap91ap056 ...

cub cadet lt1045 drive belt replacement,indesiremarketing.com

Cub cadet lt1045 drive belt replacement,indesiremarketing.com

SOLVED: Need wiring diagram for cub cadet lawn mower - Fixya

Solved: need wiring diagram for cub cadet lawn mower - fixya

Cub Cadet LTX1042 Tractor (2009) 13AX91AR010 Wiring Schematic ...

Cub cadet ltx1042 tractor (2009) 13ax91ar010 wiring schematic ...

CUB CADET LT1042 PARTS MANUAL Pdf Download | ManualsLib

Cub cadet lt1042 parts manual pdf download | manualslib

CUB CADET LT1042 ILLUSTRATED PARTS MANUAL Pdf Download ...

Cub cadet lt1042 illustrated parts manual pdf download ...

Help me please if you own a Cub Cadet LTX1050 | My Tractor Forum

Help me please if you own a cub cadet ltx1050 | my tractor forum

0 Response to "37 cub cadet lt1042 wiring diagram"

Post a Comment

Iklan Atas Artikel

Iklan Tengah Artikel 1

Iklan Tengah Artikel 2

Iklan Bawah Artikel