Iklan 300x250

37 troy bilt tb110 carburetor diagram

Troy Bilt Tb110 Carburetor Diagram - wiringall.com Troy Bilt Tb110 Carburetor Diagram. Troy Bilt 11A Push Mower Parts. Find Parts With Our Diagrams. To begin wiringall.com stocks a complete line of OEM replacement parts ready for. Follow these simple steps on how to clean the carburetor in your small engine - whether its your lawn Carburetor Adjustment for Briggs & Stratton Engines. Troy-Bilt 21 in. 140cc 550ex Series Briggs & Stratton ... The Troy-Bilt TB110 walk-behind lawn mower features an easy starting, no choke, no prime, Briggs and Stratton engine with ReadyStart(TM). With rear bag and mulch kit included, you have a choice for disposing of grass clippings. The 11 in. high rear wheels provide improved traction and maneuverability on hills and over rough spots in the lawn.

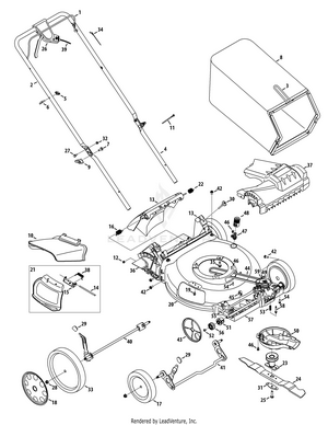
TB110 Troy-Bilt Lawn Mower Parts & Repair Help | PartSelect TB110 (11A-A26N211 2011) Troy-Bilt Lawn Mower - Overview Sections Parts Questions & Answers Symptoms. Sections of the TB110 [Viewing 1 of 1] Page A. Parts for the TB110 [Viewing 10 of 44] Keep searches simple, eg. "belt" or "pump".

Troy bilt tb110 carburetor diagram

Troy bilt tb110 carburetor diagram

Troy Bilt Tb110 Carburetor Diagram - schematron.org Troy Bilt Tb110 Carburetor Diagram. 14.09.2018 14.09.2018 6 Comments on Troy Bilt Tb110 Carburetor Diagram. The Troy-Bilt model 11AQ is part of the series is well suited for the mower may develop carburetor issues relating to starting or throttle adjustment. TROY-BILT LLC, P.O. BOX CLEVELAND, OHIO Printed In USA Push Mower — Models TB, TB, TB ... Troy-Bilt Push Walk-Behind Mower | TB110 ... Ernest Suggs for model number Troy-Bilt TB110 push mower with B&S 550EX 140cc engine asked on 2019-08-17 Hi Ernest, there could be a variety of problems with the mower, the control cable part 946-0957 could be loose or faulty, causing the engine not to engage fully. Replaces Troy Bilt TB200 Carburetor - Mower Parts Land Replaces Troy Bilt TB200 Carburetor. Rated 5.00 out of 5 based on 4 customer ratings. ( 4 customer reviews) $ 62.89 $ 42.89. FREE SHIPPING! 4.8. Only 1 left in stock. Replaces Troy Bilt TB200 Carburetor quantity. 01234567890123456789. — OR —.

Troy bilt tb110 carburetor diagram. Troy-Bilt Parts Diagrams Lookup Parts by Diagram. Use our parts diagram tool below to find the parts you need for your machine. Select the model and year, then browse the parts diagrams to find the right part. Add to cart when you're ready to purchase and we'll ship it to you as soon as possible! Financing Now Available for Online Purchases.*. Learn More. Troy Bilt TB110 11A-A2BM711 (2014) 11A-A2BM711 (2014 ... Troy Bilt TB110 11A-A2BM711 (2014) 11A-A2BM711 (2014) Parts Diagrams. Parts Lookup - Enter a part number or partial description to search for parts within this model. There are (46) parts used by this model. Troy-Bilt TB110 Lawn Mower | Troy-Bilt US The TB110 has improved traction and maneuverability on hills and over rough spots in the lawn with 11" high rear wheels. A 21" steel deck provides durability that's built to last with mulching and bagging capability (1.9 bushel bagger included). Count on Troy-Bilt to help make yard work easier. Documents and Guides. Assembly Instructions PDF Troy bilt tb220 carburetor cleaning - mokomowu.weebly.com craftsman 550 ex. Troy Bilt Carb Diagram The troy bilt model 11a 542q711 is part of the 540 series is well suited for homeowners with small or medium size lawns. How to clean a Troy Bilt riding a lawn carburetor, step by step: Step 1: Detach the battery cables and remove the air filter assembly under the hood to reach the carburetor.

Troy-Bilt TB 110 (11A-B1BM723) - Troy-Bilt Walk-Behind ... Troy-Bilt repair parts and parts diagrams for Troy-Bilt TB 110 (11A-B1BM723) - Troy-Bilt Walk-Behind Mower (2019) TROY-BILT TB110 OPERATOR'S MANUAL Pdf Download | ManualsLib View and Download Troy-Bilt TB110 operator's manual online. Push Mower. TB110 lawn mower pdf manual download. Also for: Tb130, 21 push mower. Troy-Bilt Push Lawn Mower - Model 11A-A2BM711 | MTD Parts Find parts for your TB110 Troy-Bilt Push Lawn Mower. Parts diagrams and manuals available. Free shipping on parts orders over $45. How to Replace the Carburetor on a Troy Bilt Push Mower ... How to Replace the Carburetor on a Troy Bilt Push Mower. This video shows you how to replace the carburetor on a troy bilt push mower. Sometimes when cleanin...

Troy-BIlt TB110 no start - Lawn Mower Forum I have a Troy-Bilt TB110 with a Briggs & Stratton 'ready start' engine that is not starting. Troy-Bilt TB110 Lawn Mower | Troy-Bilt US ... it should be CLOSED. if that checks out, get some starting fluid or Carburetor/Brake parts cleaner, spray it into the intake, or spark plug hole, and try to start it, if it goes bang once or twice, you have ... How to Replace the Carburetor on a Troy-Bilt TB130 Lawn ... In this article, we'll help you learn the steps of replacing a carburetor in a Troy-Bilt TB130 lawn mower. Don't forget to shop for the carburetor used in this article, here! Removing the Carburetor. 1. Remove the air filter cover and air filter. Unsnap the outer air filter cover and pull it and the air filter away from the engine. 2. Briggs And Stratton 550Ex Parts Diagram | Automotive Parts ... Description : Briggs And Stratton 09P702-0007-F1 Parts Diagrams in Briggs And Stratton 550Ex Parts Diagram, image size 1180 X 1408 px. Description : Troy Bilt 21" Lawn Mower 6.5 Briggs And Stratton Broken Craigslist throughout Briggs And Stratton 550Ex Parts Diagram, image size 1920 X 1080 px. Description : Briggs & Stratton 4-Cycle Carburetor ... Troy-Bilt TB 110 (11A-A2BM711) - Troy-Bilt Walk-Behind ... General Assembly TB110 diagram and repair parts lookup for Troy-Bilt TB 110 (11A-A2BM711) - Troy-Bilt Walk-Behind Mower (2015)

Troy Bilt TB110 11A-A23O711 (2013) 11A-A23O711 (2013) Parts ...

Troy Bilt TB110 11A-A23O711 (2013) 11A-A23O711 (2013) Parts ...

MTD TB110 gas walk-behind mower parts | Sears PartsDirect MTD TB110 gas walk-behind mower parts - manufacturer-approved parts for a proper fit every time! We also have installation guides, diagrams and manuals to help you along the way!

New Carburetor For Troy-Bilt B110 TB110 TB200 12a-a2bu711 ...

New Carburetor For Troy-Bilt B110 TB110 TB200 12a-a2bu711 ...

How to Clean the Carb on a Troy-Bilt Lawn Mower Model 11A ... How to Clean the Carb on a Troy-Bilt Lawn Mower Model 11A-542Q711. The Troy-Bilt model 11A-542Q711 is part of the 540 series is well suited for homeowners with small or medium-size lawns.

Troy-Bilt TB110 Lawn Mower | Troy-Bilt US

Troy-Bilt TB110 Lawn Mower | Troy-Bilt US

How to Replace the Carburetor on a Troy-Bilt TB130 Lawn ... Get a replacement carburetor for your Troy-Bilt TB130 lawn mower here: tutorial will...

AISEN Carburetor for Troy Bilt TB110 TB200 Poulan Pro Briggs ...

AISEN Carburetor for Troy Bilt TB110 TB200 Poulan Pro Briggs ...

Replaces Troy Bilt TB110 (11A-A2BM766) Lawn Mower Recoil ... Replaces Troy Bilt TB110 (11A-A2BM766) Lawn Mower Recoil Pull Start. Rated 5.00 out of 5 based on 1 customer rating. ( 1 customer review) $ 58.79 $ 38.79. FREE SHIPPING! 4.8. Only 1 left in stock. Replaces Troy Bilt TB110 (11A-A2BM766) Lawn Mower Recoil Pull Start quantity. 01234567890123456789. — OR —.

AISEN Carburetor for Troy Bilt TB110 TB200 Poulan Pro Briggs ...

AISEN Carburetor for Troy Bilt TB110 TB200 Poulan Pro Briggs ...

Troy bilt tb230 honda engine manual - United States Guid ... Troy bilt tb110 carburetor diagram lovely craftsman lawn mower carburetor diagram troy bilt lawn mower dimension. Featuring honda engines the troy bilt 540 series mowers are designed to. Need to fix your tb230 12avb25u211 2012 self propelled walk behind mower. Answered by a verified technician.

Troy Bilt TB105 11A-A22J766 (2015) 11A-A22J766 TB115 (2015 ...

Troy Bilt TB105 11A-A22J766 (2015) 11A-A22J766 TB115 (2015 ...

Troy Bilt Lawn Mower Model 11A-A2BM711 Carburetor | Mower ... Replaces Troy Bilt Lawn Mower Model 11A-A2BM711 Carburetor With Troy Bilt Briggs & Stratton TB110 550 EX Series 140cc Engine Shown In Pictures. Replace your carburetor if your machine starts up on choke then dies, if it starts with starting fluid then dies or if it needs choke on to run.

Troy-Bilt TB110 140-cc 21-in Gas Push Lawn Mower with Briggs ...

Troy-Bilt TB110 140-cc 21-in Gas Push Lawn Mower with Briggs ...

Troy-Bilt Operator's Manuals & Illustrated Parts Diagrams Yes, printed Troy-Bilt Operator's Manuals, Illustrated Parts Lists and Troy-Bilt / MTD Engine Manuals are available for purchase. The price for a pre-printed manual is typically less than $20+s/h, but can range up to $45+s/h for larger documents. To order a pre-printed Troy-Bilt manual, have your Model & Serial Number handy and call our ...

Troy-Bilt TB230 12AVB25S011 '12 Self Propelled Mower ...

Troy-Bilt TB230 12AVB25S011 '12 Self Propelled Mower ...

Troy Bilt 11A-A2BM711 TB 110 (2017) Parts Diagrams Troy Bilt 11A-A2BM711 TB 110 (2017) Exploded View parts lookup by model. Complete exploded views of all the major manufacturers. It is EASY and FREE

Briggs and Stratton 550EX Carburetor Repair Part 1

Briggs and Stratton 550EX Carburetor Repair Part 1

Troy Bilt Bronco Deck Spring Diagram - Diagram : Template ... Troy Bilt Carburetor Diagram. Troy Bilt 11a 542q711 Carburetor Diagram. Troy Bilt Drive Belt Diagram. Troy Bilt Pony Carburetor Diagram. Troy Bilt Tb90bc Carburetor Diagram. Troy Bilt Tb110 Carburetor Diagram. Troy Bilt Tb200 Carburetor Diagram. Troy Bilt Tb230 Carburetor Diagram. Troy Bilt 4 Cycle Trimmer Carburetor Diagram.

Troy Bilt 161-JWA-12 Engine Parts Diagram for 161-JWA-12 ...

Troy Bilt 161-JWA-12 Engine Parts Diagram for 161-JWA-12 ...

Amazon.com: Lumix GC Carburetor For Troy Bilt TB110 TB200 ... This item: Lumix GC Carburetor For Troy Bilt TB110 TB200 Lawn Mower. $46.95. In stock. Usually ships within 2 to 3 days. Ships from and sold by Lumix Parts Deals Outlet. $6.93 shipping.

Troy Bilt 12AD566N063 Tuff-Cut 220 (2003) Parts Diagrams

Troy Bilt 12AD566N063 Tuff-Cut 220 (2003) Parts Diagrams

Amazon.com: tb110 parts Tool Parts Oval Air Filter with Spark Plug for Troy-Bilt TB110 TB115 TB200 TB230 TB330 TB370 Walk-Behind Lawn Mower : Garden & Outdoor. 4.5 out of 5 stars. 88. $14.99. $14. . 99. Get it as soon as Fri, Jan 28. FREE Shipping on orders over $25 shipped by Amazon.

Troy-Bilt TB100 Walk Behind Push Mower with Briggs and Straton Engine

Troy-Bilt TB100 Walk Behind Push Mower with Briggs and Straton Engine

Replaces Troy Bilt TB200 Carburetor - Mower Parts Land Replaces Troy Bilt TB200 Carburetor. Rated 5.00 out of 5 based on 4 customer ratings. ( 4 customer reviews) $ 62.89 $ 42.89. FREE SHIPPING! 4.8. Only 1 left in stock. Replaces Troy Bilt TB200 Carburetor quantity. 01234567890123456789. — OR —.

Troy-Bilt 21 in. 160cc GCV Series Honda Engine 3-in-1 Gas ...

Troy-Bilt 21 in. 160cc GCV Series Honda Engine 3-in-1 Gas ...

Troy-Bilt Push Walk-Behind Mower | TB110 ... Ernest Suggs for model number Troy-Bilt TB110 push mower with B&S 550EX 140cc engine asked on 2019-08-17 Hi Ernest, there could be a variety of problems with the mower, the control cable part 946-0957 could be loose or faulty, causing the engine not to engage fully.

TROY-BILT SUPER BRONCO 60TG OPERATOR'S MANUAL Pdf Download ...

TROY-BILT SUPER BRONCO 60TG OPERATOR'S MANUAL Pdf Download ...

Troy Bilt Tb110 Carburetor Diagram - schematron.org Troy Bilt Tb110 Carburetor Diagram. 14.09.2018 14.09.2018 6 Comments on Troy Bilt Tb110 Carburetor Diagram. The Troy-Bilt model 11AQ is part of the series is well suited for the mower may develop carburetor issues relating to starting or throttle adjustment. TROY-BILT LLC, P.O. BOX CLEVELAND, OHIO Printed In USA Push Mower — Models TB, TB, TB ...

Troy Bilt TB220 12AVB22J766 (2015) 12AVB22J766 TB220 (2015 ...

Troy Bilt TB220 12AVB22J766 (2015) 12AVB22J766 TB220 (2015 ...

Troy Bilt 11A-B1BM723 TB 110 (2019) Parts Diagrams

Troy Bilt 11A-B1BM723 TB 110 (2019) Parts Diagrams

Carburetor for Husqvarna LC121P Toro 550EX Troy-Bilt TB110 ...

Carburetor for Husqvarna LC121P Toro 550EX Troy-Bilt TB110 ...

Troy Bilt TB110 11A-A2BM711 (2014) 11A-A2BM711 (2014) Parts ...

Troy Bilt TB110 11A-A2BM711 (2014) 11A-A2BM711 (2014) Parts ...

Troy-Bilt Self-Propelled Walk-Behind Mower | TB230 ...

Troy-Bilt Self-Propelled Walk-Behind Mower | TB230 ...

How to Replace the Carburetor on a Troy-Bilt TB130 Lawn Mower ...

How to Replace the Carburetor on a Troy-Bilt TB130 Lawn Mower ...

Troy Bilt Mower Fuel Filter | Online museusolsona.cat

Troy Bilt Mower Fuel Filter | Online museusolsona.cat

Troy Bilt 11A-A26M011 (2010) TB110 11A-A26M011 (2010) Parts ...

Troy Bilt 11A-A26M011 (2010) TB110 11A-A26M011 (2010) Parts ...

troy bilt tb240 carburetor replacement cheap online

troy bilt tb240 carburetor replacement cheap online

How to Replace the Carburetor on a Troy Bilt Push Mower

How to Replace the Carburetor on a Troy Bilt Push Mower

Troy Bilt 11A-A2BM711 TB 110 (2017) Parts Diagrams

Troy Bilt 11A-A2BM711 TB 110 (2017) Parts Diagrams

New Carburetor for Troy Bilt TB200 TB110 TB554 TB115 TB230 TB330 TB370  Lawnmower | eBay

New Carburetor for Troy Bilt TB200 TB110 TB554 TB115 TB230 TB330 TB370 Lawnmower | eBay

Harbot 550EX Carburetor for Briggs and Stratton 140CC Troy ...

Harbot 550EX Carburetor for Briggs and Stratton 140CC Troy ...

Troy Bilt TB110 will not start after one year (Resolved)

Troy Bilt TB110 will not start after one year (Resolved)

Troy-Bilt 11AA26M011 TB110 Push Lawn Mower 用户手册 | Manualzz

Troy-Bilt 11AA26M011 TB110 Push Lawn Mower 用户手册 | Manualzz

Troy Bilt Mower Fuel Filter | Online museusolsona.cat

Troy Bilt Mower Fuel Filter | Online museusolsona.cat

Troy Bilt TB105 11A-A22J766 (2015) 11A-A22J766 TB115 (2015 ...

Troy Bilt TB105 11A-A22J766 (2015) 11A-A22J766 TB115 (2015 ...

Troy-Bilt TB110 No Start Fix & SOLUTION! (Also for others w/plastic carbs)

Troy-Bilt TB110 No Start Fix & SOLUTION! (Also for others w/plastic carbs)

Troy Bilt TB280ES (12AGA25S711) Lawn Mower Carburetor Carb USPS | eBay

Troy Bilt TB280ES (12AGA25S711) Lawn Mower Carburetor Carb USPS | eBay

Carburetor Troy Bilt TB110 Husqvarna LC121P Briggs Stratton 625EX 150cc  Mower | eBay

Carburetor Troy Bilt TB110 Husqvarna LC121P Briggs Stratton 625EX 150cc Mower | eBay

disassemble and cleaning Troy Built lawn mower carburetor

disassemble and cleaning Troy Built lawn mower carburetor

Buy N/C ZAMDOE 799584 Carburetor Accessories Replacement for ...

Buy N/C ZAMDOE 799584 Carburetor Accessories Replacement for ...

New Carburetor For Troy-Bilt TB110 TB200 Poulan Pro 550ex 625ex Engine  Lawnmowe | eBay

New Carburetor For Troy-Bilt TB110 TB200 Poulan Pro 550ex 625ex Engine Lawnmowe | eBay

0 Response to "37 troy bilt tb110 carburetor diagram"

Post a Comment

Iklan Atas Artikel

Iklan Tengah Artikel 1

Iklan Tengah Artikel 2

Iklan Bawah Artikel